может проц такой попался? или я совсем глух, но ничего такого у меня нет, только небольшое шипение, о чем везде практически написано.
Вид для печати
Доброго всем времени. Проблемка: Imprint Sound Manager что 1.1 что 2.1 на мою 7ю винду (не лицензия есссественно) становится но запускаться отказывается на глухо.Framework 1.1 вроде установился (где посмотреть точно? бо я не нашел да и вообще с железом на ВЫ :stink: ). Скрин при запуске
http://s58.radikal.ru/i161/1209/53/23f7e57c7ea8.jpg
если нажать отмену вылетает
http://s016.radikal.ru/i337/1209/d6/be2d42e576d3.jpg
Кто подскажет попунктно что сделать? Бо не очень что-то охота из-за одной проги сносить 7ку и ставить XP....
прога запускается от имени админа?
у меня была проблема на 7-ке, но только с дровами.
Да от имени админа..
Ребят помогите новичку автозвука
т.к не силён в настройках "на слух" решил купить комплект с автонастройкой Импринт
имею на руках Alpine iDA-X313, PXA-H100, KTX-H100, 6-ти канальный усилок ну и колонки Фокал Poliglass VR3
проц и магнитолу подключил, колонки поканально без кросов подсоеденил к усилителю, от усилителя линейники по инструкции пошли так - твитеры на "Rear", Среднечастотники на "Front", миды на "Sub", переключатель на процессоре перевёл на 3-way
подключил ноут и микрофон, установил прогу импринт менеджер и начал калибровку
первая проблема выскочила (еррор -3) но когда я добавил громкости то всё наладилось
самая главная проблема выскочила при диагностики твитеров - они молчат, причём молчат всегда, хотя на экране показывается что колонки диагностируются
после измерений кривая сильно завалена на верхах , проверял цепь на работоспособность от линейника (менял СЧ и твит местами) (твитеры и провод и усилитель 100% рабочие)
но проблемы на этом не закончились сделал попытку сделать "хоть как нибудь"
записывыю результаты на "Curve 1" отправлю на проц, закрываю прогу и вытаскиваю микрофон с ЮСБ
и нифига на кнопку Импринт реагирует не всегда, выбрать курве 1 тоже не понятно получается или нет, вместо звука с колонок идёт только шум (как от максимальной громкости без сигнала)
попробовал воткнуть в линейники на самой магнитоле - там хотябы звук есть, но громкостьт всегда на максимум и крутилкой не регулируется (помогает только ресет)
объясните новичку чётко по пунктам что и куда тыкать чтобы настроить импринтом поканальную 3-хкомпонентную акустику(
весь мозг поломал уже
3-way подразумевает подключение вч(фронт)+нч(фронт)+сабвуфер. Но никак не 3-х компонентную.
ппц вы меня в конец запутали своим постом, а как же тогда трёхкомпонентку поканально подключать?!апстену
сейчас ковырялся и наткнулся на один момент которого не обнаружил в инструкциях
на корпусе магнитолы переключил перемычку с Normal на EXT Ap и вроде даже заработало
вот что происходит, когда человек мало того что не хочет читать инструкции, хотя в них все подробно написано, особенно по подключениям, а вообще не хочет разбираться как это все дело должно работать в принципе.
Особенно порадовало вот это
"проц и магнитолу подключил, колонки поканально без кросов подсоеденил к усилителю, от усилителя линейники по инструкции пошли так - твитеры на "Rear", Среднечастотники на "Front", миды на "Sub", переключатель на процессоре перевёл на 3-way
подключил ноут и микрофон, установил прогу импринт менеджер и начал калибровку"
и вот это
"проверял цепь на работоспособность от линейника (менял СЧ и твит местами)" повезло что твиты еще живы, тяжко наверно им пришлось, когда на них полосу 63Гц-2500Гц подали :)
готов поспорить на любые деньги что такого в инструкции нет и быть не может :)
ну что вы меня за варвара держите
я на них подал 20-20к герц, но самой минимальной мощность (гейн на усилителе Минимум, на магнитоле громкость 1-5) напрямую с магнитолы лишь чтобы проверить работоспособность проводки и всей цепи вцелом
может отойдём от критики и тыкните носом сделай вот так как на этой картинке или в этом описании
как раз это тот единичный случий когда я сначало прочитал инструкцию, а потом подключил
или у меня мозг не так как у всех работает или "лыжи не едут" или инструкция фуфло
Вложение 277564
Миды во front, Саб в Sub, Сч Вч в Rear.
пипец а я так надеялся избавится от кросоверов пасивных
ладно буду провобвать(
это под мои запросы надо было Н800 покупать? чтоб автокалибровка работата?
или я не в те дебри лезу?
кроссоверы не нужны при включении 3-way
советую прочитать темы
http://magnitola.org/alpine/75626-te...-pxa-h100.html
http://magnitola.org/alpine/52325-vo...pokanalno.html в этой теме особенно внимательно в конце
Изначально залезли в дебри, выбрав трехполоску. Ну раз уж так вышло, попробуем помочь... Главное читать все то что советуют почитать.
подключил,
автоматически Ипринт попять нифига не понял, СЧ и Твиты опять не играли при тесте, и с филшки музыка была как с радиолы 50-х годов
потом покрутил настройки для ручного режима и о чудо они влияют на автоматический
в общем немного покывался с настройками, несколько раз прогонял импринт
в результате вернулся к ручным настройкам, с импринтом звук ГАУНО
потом буду более детально настраивать когда саб поставлю
Вложение 279656Вложение 279658Вложение 279660
Расшифровка файла calibResults
http://magnitola.org/alpine/75626-te...ml#post1695692
Народ выручайте. Голова alpine 137bti проц h100 зделал поканалку все провода правильно хотя может ошибся в чем топодключил в магнитоле куча настроек появилось. Но не поет не черта.. Говорят надо что то выключить толи Ext App толи что искал в магнитоле найти не смог где это находиться магнитола 137bti? На проце тумблер поставил в крайне правое положение. Выручайте. Без вас мне не разобраться( Очень растроился/ И еще для чего на проце разьем TO HU вкнижке написано для главного блока для какого еще блока? в коробке был только один кабель айнет. От магнитолы кабель айнет втыкаеться на проце в To HU или Ai net разьем??
Вложение 376856
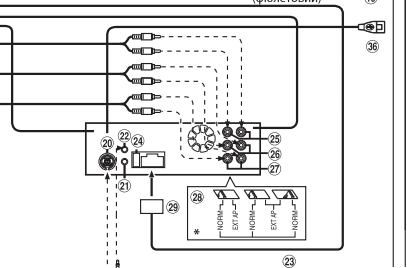
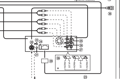
Если нужен переключатель Ext App то вот он на рисунке. Я так понимаю раньше этот переключатель назывался EQ/DIV. Без него процессор работать не будет.
Вложение 376860
На фото видны эти переключатели, три внизу по середине.
переключалки должны быть по идее на пузе магнитолы (не могу ручаться за вашу, на 105 были на пузе 2 шт.), кабель аинет от головы надо втыкать в "TO HU"
второй разъем, просто аи-нет, для любых других девайсов, работающих по этой шине
Вложение 377012Вложение 377014Вложение 377016 Спасибо тебе добрый человек а так же Ollegan за содействие) Переключатели действительно были на пузе все стало на места после того как перевел эти тумблера а их там 3 на положения) Звук стал храстльный)))) Но на этом моя эпояпея не закончилась впереди предстояла настройка микрофоном вообщем на штатив в проге выбрал весь салон калибровал примерно минут 25)) Звук теперь сталь не только хрустальным но еще и чуствуеться сцена я аж абалдел) Для колибровки использовал старый комп))) систем блок манитор клаву и мыш) ноут не имею, пытался поставить прогу на 7емерку ничего не вышло, а на маем стареньком хп все стало без проблем и заработал) Кто сомневаеться в проце h100 и в калибровачном комплекте берите не раздумывая одуреете от счастья))
настраивал свой 105 +100 проц сначала тоже по микрофону, не то все это, баловство, выравнивание ачх эквалайзером, пусть и по 500 точкам как пишут, не даст такой звук, какой можно получить нормальной настройкой, импринт игрушка для штатных систем, на 100 проце можно добить много лучшего...
конечно возможно )))
даже на этой форуме полно инфы про 100 проц и вообще азы настройки сцены и тд..
рекомендую тему "предварительная настройка фронта" начать с нее.
привет всем еще раз ребят подскажите как грамотно басы увеличить ото после импринта их намного меньше зделал на усилке тумблер усиления басов но думаю это не правильно как усилить или сама политика импринт предусматривает так
В режиме imprit, только на усилителе. Если есть такая возможность, да еще и с выбором частоты.
Уровнем левела(гейн) басов не прибавишь.
Если есть басс буст или что то подобное.
Но лучше настроить самому, не imprit, либо к настройщикам обратиться.
Басс буст как правило увеличивает басс на определенной частоте.
Имприт возможно уменьшил больший басовый диапазон(например от 56 до 100)
и тут уже басс буст не поможет.
Лучше настраивать самому