Re: Переход с Пиона 80 в Car PC
Цитата:
Сообщение от
FFZ
и наращивания разнообразного функционала, состав которого по сути ограничивается только личностными потребностями.
Меня в голове дикость родилась: Поставить Карпес со звуковушкой - отстроить задержки срезы, а потом по полученным цифрам спаять пасскросы, прицепить к карпесу ЦАП на какой денег хватит - получим домашку:)
Re: Переход с Пиона 80 в Car PC
Цитата:
Сообщение от
FFZ
и наращивания разнообразного функционала, состав которого по сути ограничивается только личностными потребностями.
Точно :yes3:
Поначалу музыка...затем навигация на ведроиде, затем регистрация на вэбки...и пошло и поехало :swoon2:
http://www.youtube.com/watch?v=gTjGl5i_Z0k
http://www.youtube.com/watch?v=1hPPLRBBIqc
Re: Переход с Пиона 80 в Car PC
Извиняюсь не совсем по теме. Может присоветуете тихий блок питания в комп домой.
Чтобы с током все хорошо и без шума. Комп на базе AMD Phenom II X4 965 со звуковухой Creative ZXR используется как транспорт/плеер для музыки, ну и интернет, то есь ватт 400 хватит (хватит и меньше но хорошего наверное не бывает). Все тихое, видео без пропеллера, на проце кулер не слышно, корпус в шумке,SSD, а вот БП старенький шуршит гад.
Re: Переход с Пиона 80 в Car PC
так в чём вопросы то есть по кар ПС? я дома настроил комп на автомобильные уси и акустику. все апупительно. вопрос сравнения что лучше не закрыт только потому что нес чем(с точки зрения звука) с точки зрения возможностей думаю нет смысла говорить...
Re: Переход с Пиона 80 в Car PC
Цитата:
Сообщение от
vshurupov
Меня в голове дикость родилась: Поставить Карпес со звуковушкой - отстроить задержки срезы, а потом по полученным цифрам спаять пасскросы, прицепить к карпесу ЦАП на какой денег хватит - получим домашку:)
Дык ФСЕ так и делают- токо сабовые фильтры 4 порядка в багажнике инсталлируют- для развесовки лучШе.:)
Вложений: 1
Re: Переход с Пиона 80 в Car PC
Цитата:
Сообщение от
Rover
Дык ФСЕ так и делают- токо сабовые фильтры 4 порядка в багажнике инсталлируют- для развесовки лучШе.:)
Почему четвертого?
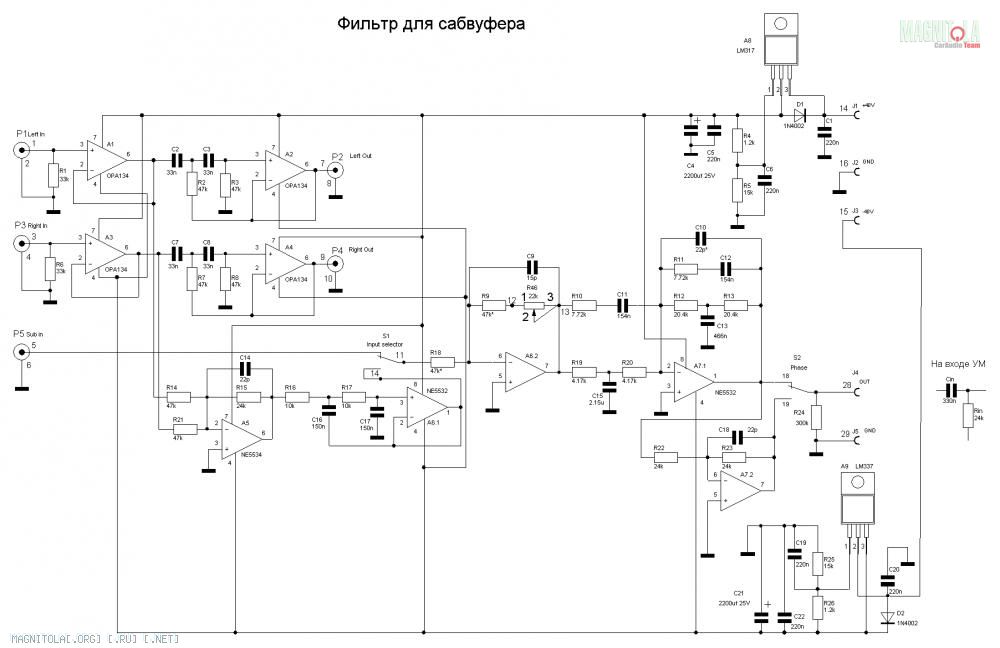
Вот фильтр для саба:)
Вложение 746874
Re: Переход с Пиона 80 в Car PC
Дык вроде разговор шёл за:
Цитата:
Сообщение от
vshurupov
спаять пасскросы, прицепить к карпесу
я и рекомендовал деталюшки сабового ПАССИВНОГО кросса разместить в багажнике для лучшей развесовки.
А какое отношение имеет к этому схема активного кроссовера?
Re: Переход с Пиона 80 в Car PC
Цитата:
Сообщение от
FFZ
+100500!!!
Так же думаю не лишним будет напомнить одну из основных причин, про которую упомянули и тут же забыли, с головой окунувшись в полемику обсуждения звуковых карт :).
Кар-ПС полностью развязывает руки своему обладателю по вопросу масштабирования и эволюционирования своей системы в зависимости от личностного роста. Он освобождает своего хозяина от привязки к диетной кормёжке производителей ГУ по своим возможностям и наращивания функционала.
Ну и по вопросу самих звуковых карт - на начале пути карписишника :) совсем не стоит сразу упираться на приобретение дорогущих проф. уровня звуковых карт. Более чем достаточно просто 8-и канальных карт в пределах 100-200 зловонно зелёных, чтоб закрыть все вопросы по управлению развитой аудио системой и просто наслаждаться результатом.
Вот она истинная причина установки Кар-ПЦ. А многие меня в этом вопросе не понимают и не поддерживают!
Процитирую здесь свой ответ с другого форума, который я дал топикстартеру:
Пришел к Car-pc только ради качественного звука. У меня 3-полоска+саб. Для себя выбрал звуковую карту Xonar U7. Может, и не самый лучшый выбор, но цена-качество на высоте.
От внутренней Xonar D1 пришлось отказаться. Устал бороться с наводками и помехами. У USB таких проблем нет.
Могу рассказать несколько ньюансов касательно автозвука:
-напряжение на выходе звуковой карты намного ниже, чем в обычных магнитолах. Например, у твоего Пионера, по-моему, 4 Вольта. У звуковых карт обычно 0.7 - 1 Вольт. Поэтому наводки здесь намного больше слышны. Учти это при подключении.
-в вышеупомянутой Xonar U7 пара выходов имеет более высокие тех.характеристики, чем остальные 3 пары. Я решил их подключить к пищалкам. Разница огромная. Сейчас понимаю, что на мидбас и СЧ очень хотелось бы улучшить качество. Тут писали про Asus xonar hdav1.3 deluxe - вот ее бы я поставил на замену.
-звуковая карта Xonar U7 имеет возможность работать в ASIO режиме (обход лишних обработок, напрямую так сказать). Но мне не удалось нормально заставить работать такой режим. Всегда возникали какие-то ньюансы. Например, нет плагина, чтобы нормально работали задержки раздельно по всем 8 каналам в режиме ASIO. Еще были щелчки при переключении режима работы. Хотя, разница в звучании по сравнению с DirectSound есть.
-регулировка звука. При регулировки посредством Windows - качество звука падает. Это связано вроде с тем, что уменьшается битность звука. Но, в любом случае, это слышно. Поэтому нужно использовать внешний регулятор громкости, переменный резистор. Но на 8 каналов - не знаю, есть такие, или нет. Я регулирую звук Виндой.
По поводу выплевывания пищалок - у меня за 2 года пока никаких ЧП и посторонних пуков не было. Если же хотите 100 проц. гарантии - просто поставте кондеры последовательно пищам.
Проблему с mini-jack на своем Xonar U7 решил раз и навсегда - просто выпаял линейки наружу.
За цену - все правильно писали. Нужно много раз посчитать и оценить, что будет выгодней и готовы ли вы к растратам. Но оно того стоит, ИМХО!
И еще - по поводу сравнения с пионэрами и альпинами - сравнивал практически "влоб" практически на одном и том же железе. "аудиофильские" каналы моей звуковой ничем не уступают магнитолам. С 99-м пионом не сравнивал.
Re: Переход с Пиона 80 в Car PC
Цитата:
Сообщение от
ninzak
Вот она истинная причина установки Кар-ПЦ. А многие меня в этом вопросе не понимают и не поддерживают!
Процитирую здесь свой ответ с другого форума, который я дал топикстартеру:
Пришел к Car-pc только ради качественного звука. У меня 3-полоска+саб. Для себя выбрал звуковую карту Xonar U7. Может, и не самый лучшый выбор, но цена-качество на высоте.
От внутренней Xonar D1 пришлось отказаться. Устал бороться с наводками и помехами. У USB таких проблем нет.
Могу рассказать несколько ньюансов касательно автозвука:
-напряжение на выходе звуковой карты намного ниже, чем в обычных магнитолах. Например, у твоего Пионера, по-моему, 4 Вольта. У звуковых карт обычно 0.7 - 1 Вольт. Поэтому наводки здесь намного больше слышны. Учти это при подключении.
-в вышеупомянутой Xonar U7 пара выходов имеет более высокие тех.характеристики, чем остальные 3 пары. Я решил их подключить к пищалкам. Разница огромная. Сейчас понимаю, что на мидбас и СЧ очень хотелось бы улучшить качество. Тут писали про Asus xonar hdav1.3 deluxe - вот ее бы я поставил на замену.
-звуковая карта Xonar U7 имеет возможность работать в ASIO режиме (обход лишних обработок, напрямую так сказать). Но мне не удалось нормально заставить работать такой режим. Всегда возникали какие-то ньюансы. Например, нет плагина, чтобы нормально работали задержки раздельно по всем 8 каналам в режиме ASIO. Еще были щелчки при переключении режима работы. Хотя, разница в звучании по сравнению с DirectSound есть.
-регулировка звука. При регулировки посредством Windows - качество звука падает. Это связано вроде с тем, что уменьшается битность звука. Но, в любом случае, это слышно. Поэтому нужно использовать внешний регулятор громкости, переменный резистор. Но на 8 каналов - не знаю, есть такие, или нет. Я регулирую звук Виндой.
По поводу выплевывания пищалок - у меня за 2 года пока никаких ЧП и посторонних пуков не было. Если же хотите 100 проц. гарантии - просто поставте кондеры последовательно пищам.
Проблему с mini-jack на своем Xonar U7 решил раз и навсегда - просто выпаял линейки наружу.
За цену - все правильно писали. Нужно много раз посчитать и оценить, что будет выгодней и готовы ли вы к растратам. Но оно того стоит, ИМХО!
И еще - по поводу сравнения с пионэрами и альпинами - сравнивал практически "влоб" практически на одном и том же железе. "аудиофильские" каналы моей звуковой ничем не уступают магнитолам. С 99-м пионом не сравнивал.
Если с ASIO проблемы попробуйте через WASAPI если Win7 (в XP - KS интерфейс, XP вобще для звука лучше) разница с АСИО не велика. Directsound в Windows7 проходит через несколько кругов ада, в XP directsound гораздо лучше.
Re: Переход с Пиона 80 в Car PC
Цитата:
Сообщение от
vshurupov
Asus xonar hdav1.3 deluxe - удобный вариант, так как выходы RCA, но модель устаревшая и из продажи уходит.
В ней ЦАП 1796, понятно звук что больше зависит от обвязки. Вы же разбирали 80-й и 99-й намного интереснее ЦАП бюджетной звуковухи с технической точки зрения? И какой чип в пионах?
---------- Сообщение добавлено 03.04.2015 в 12:54 ----------
И еще вопросы пищь защищаем просто кондером? Устройства ввода какие предлагаются (не мышкой же водить) или с компом можно сенсорный экран завязать?
Без проблем эту карту можно найти в продаже на авито и т.д. В 80 и 99 цапы не *интересней* а в принципе такие же, т.е. одинаковые (асус st 1794, hdav 1796). Но в 99-ом есть один касяк-ему этот цап *как корове седло*, т.к. раскрывается этот цап при более высоком битрейте, который 99-му просто не по зубам, он их банально не может читать. Если сравнивать пк с 99-ым, по звуку, на обычном сиди то х.з. что будет лучше, но надо принять во внимание что обычные сд это маленькая часть того что позволяет слушать\смотреть пк. Достаточно послушать практически любой из форматов hd dts ma, hdad, sacd, dvd-audio на том же асусе hdav что бы отнести 99-ый на ближайшую помойку. Я даже не упоминаю про мультиформатность и видео (и все что с ним связанно), удобство пользования (нет дисков, хранение файлов практически безгранично), про наращивание системы в сторону улучшения качества звука (внешние даки, программы), про навигацию и интернет ( у себя в авто достаточно часто пользуюсь интернет радио и ю тубом), так же доступно и ip tv. И многое многое другое. По удобству пользвания-сенсорный монитор, голосовое управление, джойстики ( в том числе и завязывание штатных кнопок через joystic и прочие устройства), пульты д.у. и т.д. Одним словом это все равно что сравнивать веник с развитой современной системой *умный дом*. А если учесть цену, то 99-ый так же курит в сторонке , мне все мое железо (новое, кроме звуковой карты, брал за 5 т.р. когда новая стоила 6,5 т.р.) обошлось в 30 т.р., все включая монитор и б.п. P\s . Сам по себе я пережил не одну автомобильную систему(за 15 лет) разного уровня, но не вижу на альтернативы пк. Основной плюс 99-ого в том, что в отличии от пк это конечный продукт, но цена ............
---------- Сообщение добавлено 31.05.2015 в 15:36 ----------
Цитата:
Сообщение от
vshurupov
Меня в голове дикость родилась: Поставить Карпес со звуковушкой - отстроить задержки срезы, а потом по полученным цифрам спаять пасскросы, прицепить к карпесу ЦАП на какой денег хватит - получим домашку:)
Что с задержками делать на фронтальном канале?