alpine ina-w910r проблема подключения.
помогите. упёрся.:cray:
потерял 2 кабеля на 17 пин (линейные входы и выходы, камера заднего вида) и 10 пин (подключение сабов).
нужна распиновка фишек схема, рисунок или подробные фото что куда идёт.
зарание огромное спасибо.[COLOR="Silver"]
---------- Сообщение добавлено 23.04.2013 в 05:13 ----------
чё совсем без вариантов? ктото же устонавливает, ремонтирует,продаёт!!!
выручайте.
сегодня был на горбушке там один упырь за посмотреть 500р. потребовал, чтоб он усрался.
Re: alpine ina-w910r проблема подключения.
Цитата:
Сообщение от
ADDIS01
сегодня был на горбушке там один упырь за посмотреть 500р. потребовал, чтоб он усрался.
Это не дорого,если брать новые кабели обойдется дороже(распиновку давать нет смысла,можно накуралесить и спалить ГУ,если подключать на проволочке-любой сервис мануал требует знание и понимание не только контактов,а еще и куда)При наглядном и предложенным вариантом выше можно зарисовать нужный трабл и сделать,подобрав разъем,а после подключить нужные контакты для своих потребностей.,
Re: alpine ina-w910r проблема подключения.
Цитата:
Сообщение от
ADDIS01
чё совсем без вариантов?
ну почему, можно купить процессор и подключить по айнету + ОПТИКА.... при такой то голове
Re: alpine ina-w910r проблема подключения.
Цитата:
Сообщение от
nicotin
ну почему, можно купить процессор и подключить по айнету + ОПТИКА.... при такой то голове
Интересно,это меньше 500руб. выйдет для автора,оптика 50 руб стоит наверное,а процессор и того меньше-45руб. и все решаемо сразу???.,
Re: alpine ina-w910r проблема подключения.
Цитата:
Сообщение от
gena60
Интересно,это меньше 500руб. выйдет для автора,оптика 50 руб стоит наверное,а процессор и того меньше-45руб. и все решаемо сразу???.,
50 т.р. он же где то нашел на ГУ
Re: alpine ina-w910r проблема подключения.
Цитата:
Сообщение от
nicotin
50 т.р. он же где то нашел на ГУ
может и проще 50тыр. отдать,чем 500 за реальную распиновку-наверное дешевле получается в целом.,
Re: alpine ina-w910r проблема подключения.
Цитата:
Сообщение от
ADDIS01
потерял 2 кабеля на 17 пин (линейные входы и выходы, камера заднего вида) и 10 пин (подключение сабов)
камера - отдельный разъем, 17 пин - айнет судя по всему, а "10 пин на сабы" - это вообще круто.
на оф сайте есть инсталлейшн мануал, с картинками.
а вообще оч похоже на вариант "купил у наркоманов"
Вложений: 5
Re: alpine ina-w910r проблема подключения.
Вложение 382886
Вложение 382888
Вложение 382894
родная камера со своим разъёмом стоит достаточно дорого при сравнительно хреновом качестве изображения.
сами фишки продаются в магазинах чип и дип с проводами, а так же подходят от блоков сигнализации (проблем нет).
родные фишки открытые и крупно сфоткать или проследить и перересовать пдключение дело пяти менут даже для человека не понимающего в электронике. устраивать танцы с бубном и докупать доп. оборудование нет смысла. чтобы там чтото спалить надо быть полным дубом.
прозьба к форумчанам состояла в принцепе не в том, что можно сделать а может у кого стоит такая или ктото ими торгует, сам подъеду всё перересую.
девайс подарил племянник он дважды чемпион россии и вице чемпион европы по автозвуку, волялясь год в гараже, выиграл на каких то соревнованиях.
сам только приехал с отпуска поэтому не учавствовал в форуме.
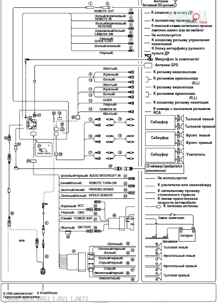
вот распиновка основного разъёма и схема подключения. может кому пригодится.
Вложение 382896
Вложение 382898
Re: alpine ina-w910r проблема подключения.
Re: alpine ina-w910r проблема подключения.
не могу получить картинку с доп камеры зх,при посадке провода rewerse на плюс,апарат переключается на камеру,изображение с двд подаю поочередно на все ножки,конектора доп камеры,картинка ни появляется,в настройках camera in выставил rca в camera select значение rear,ни пойму что нитак но изображение не в какую не выводится,кто нить сталкивался с подключением камеры в данной модели?может все же в данной модели должна быть подключена и родная алпайновская камера,чтоб он переходил и на дополнительную?