Попробовал, не помогло. Вскрытие что-нибудь покажет? небольшой опыт есть если?
Вид для печати
Попробовал, не помогло. Вскрытие что-нибудь покажет? небольшой опыт есть если?
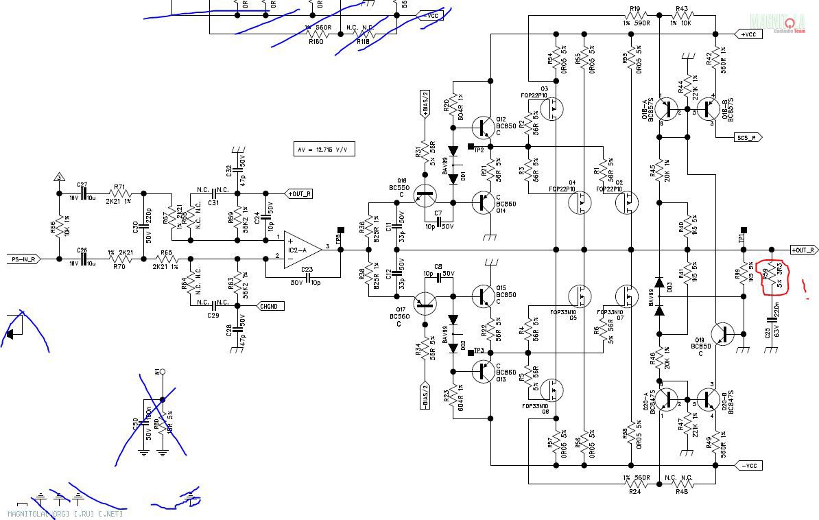
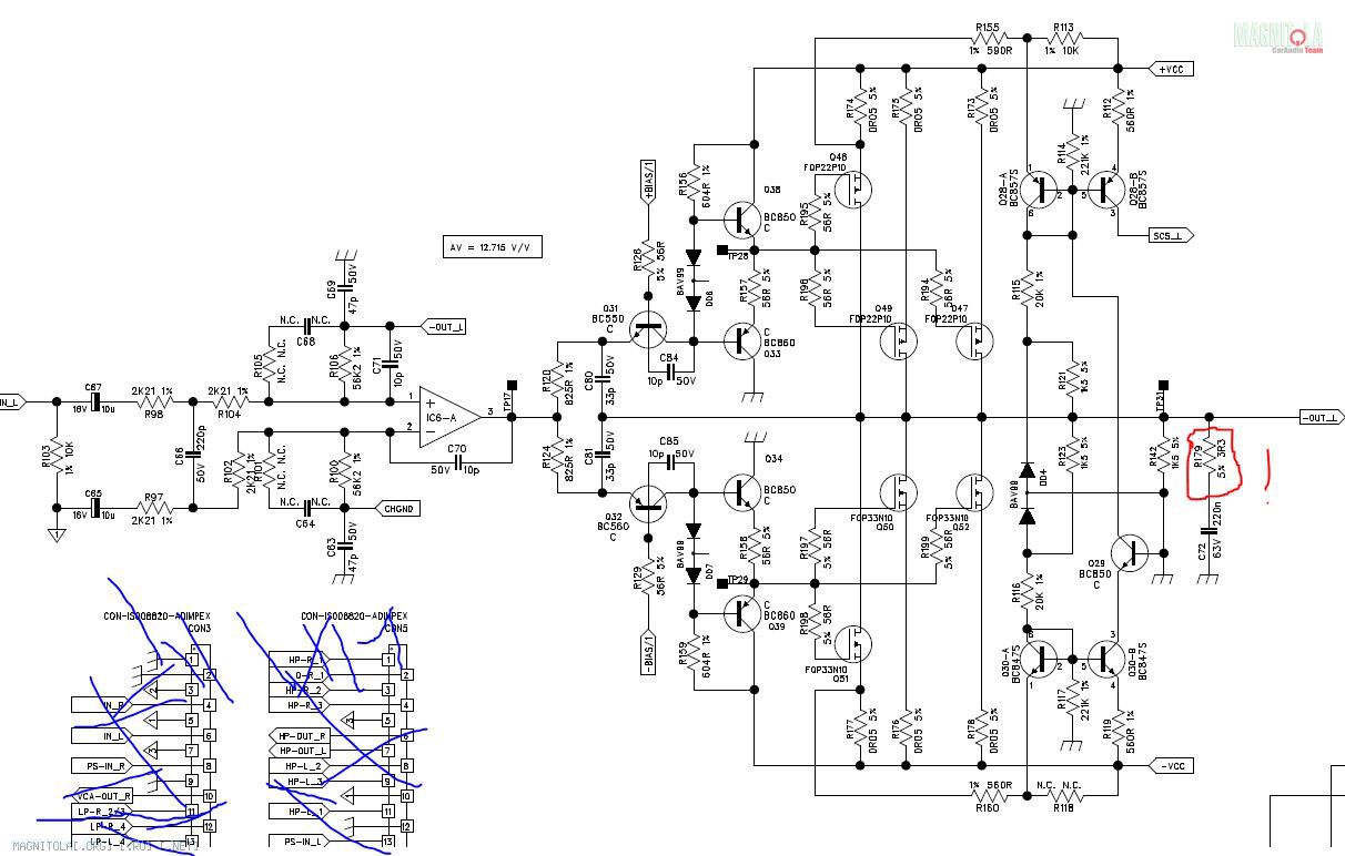
Вскрыл усил и обнаружил 2 почерневших резистора, проверил мультиметром - мёртвые. Возникли некоторые вопросы:
1. Из-за чего они могли накрыться? (транзисторы проверил ,все в норме)
2. Достаточно ли для начала просто заменить их? (Дилетант еще в этих делах еще, поэтому такие вопросы)
3. Можно ли заменить на русские резисторы с маркировкой -МОН ,с такими же характеристиками. (3.3 Ом ,5%, 2W) Играет ли роль что он будет - не металл-оксидный? (сам не хочу портить красоту, но если не получится найти)
4. Как аккуратно отсоединить транзисторы от корпуса, кто знает подскажите? И при установке можно использовать термопасту для компьютеров и какая лучше?
Спасибо за внимание и за помощь!
Вложение 563944Вложение 563946Вложение 563948Вложение 563950Вложение 563952
гоняли без нагрузки забыв вынуть межблоки или усилитель самовозбуждается.
заменить, включить усилитель без нагрузки и входного сигнала, греться НЕ ДОЛЖНЫ. если греются закручивай усилитель и неси к спецу.
можно.
http://magnitola.org/vysshii-pilotaz...ml#post2212306
обязательно. КТП-8 достаточно.
да я не про тебя лично это писал, я это к тому, что как Гена написал что крайне редко эти цепочки умирают, этим своим постом только усилил и сделал акцент на том, что им всегда как правило помогают :) скончаться.
конденсатор подплавился от дикой температуры резистора.
конденсаторЫ лучше от греха подальше тоже замени, проверить то у тебя наверняка их нечем.
точнее на короткое тестером проверить их можно, а вот на ёмкость нужен как минимум мультиметр с возможностью измерения ёмкости конденсаторов.