У аппарата нет питание отдал мастеру, он сказал что то сгорело , говорит таких аппаратов не видел. Схем нет надо схему. Показал что сгорело обозначений никаких нет. Вопрос первый схема подойдёт от европейской версии? Что сгорело маркировку кто знает? После замены будет ли работать или ещё что возможно сгорело вследствии этого? Из-за чего это могло произойти потому что покупался трупом.
Вот снимки.
---------- Сообщение добавлено 23.06.2015 в 14:41 ----------
---------- Сообщение добавлено 23.06.2015 в 14:57 ----------
24.06.2015, 15:19
artem-slk
Re: Ремонт alpine hda 5456 ms
Что ни кто не поможет?
24.06.2015, 16:06
gena60
Re: Ремонт alpine hda 5456 ms
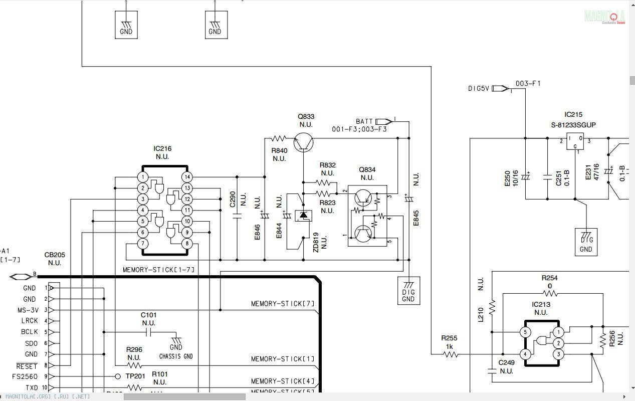
Это похоже не транзистор,а стабилитрон,поскольку он идёт в базу Q833,на нём собран стабилизатор-разрисуйте что питает этот транзистор на бумаге и пришлите фото.Если микросхему,можно скачать даташит на неё,скорее всего 5В,но не уверен на все сто.У меня есть на hda 5460 СМ,но там не указан его тип.,
Стаб питает ic216 (210) тобиш 4 двух входовых элемента,с таким цоколем были дтл и ттл первое исключено,значит ТТЛ 74 серия из этого вытекает что стабилитрон должен 5.6в. примерно так.
Эту схему я уже видел,нужно по плате посмотреть и разрисовать реально.,
24.06.2015, 21:34
artem-slk
Re: Ремонт alpine hda 5456 ms
Схему не нарисую так как делитант могу плату пофоткать до миллиметра что и где фоткать скажите! Я сфоткаю.
24.06.2015, 21:43
gena60
Re: Ремонт alpine hda 5456 ms
Цитата:
Сообщение от artem-slk
Схему не нарисую так как делитант могу плату пофоткать до миллиметра что и где фоткать скажите! Я сфоткаю.
Тогда не зачем лезть самому и спрашивать про восстановление.Не в обиду,но тут нужны знания и метод тыка не принимается в зачёт.,
24.06.2015, 21:48
artem-slk
Re: Ремонт alpine hda 5456 ms
Да я не стараюсь просто мастер сказал если найдешь наименование детали , он поменяет. Если нет других методов , я же прошу помощи от гуру! И не надо меня так пинать если такие у нас мастера я же не виноват?!?! Я так думаю ?!
24.06.2015, 21:53
WENQ
Re: Ремонт alpine hda 5456 ms
Цитата:
Сообщение от artem-slk
Да я не стараюсь просто мастер сказал если найдешь наименование детали , он поменяет. Если нет других методов , я же прошу помощи от гуру! И не надо меня так пинать если такие у нас мастера я же не виноват?!?! Я так думаю ?!