Alpine PDX-M6. Не работает. Прошу помощи!
Привет всем любителям автозвуковых движений.
Друзья может кто сталкивался:
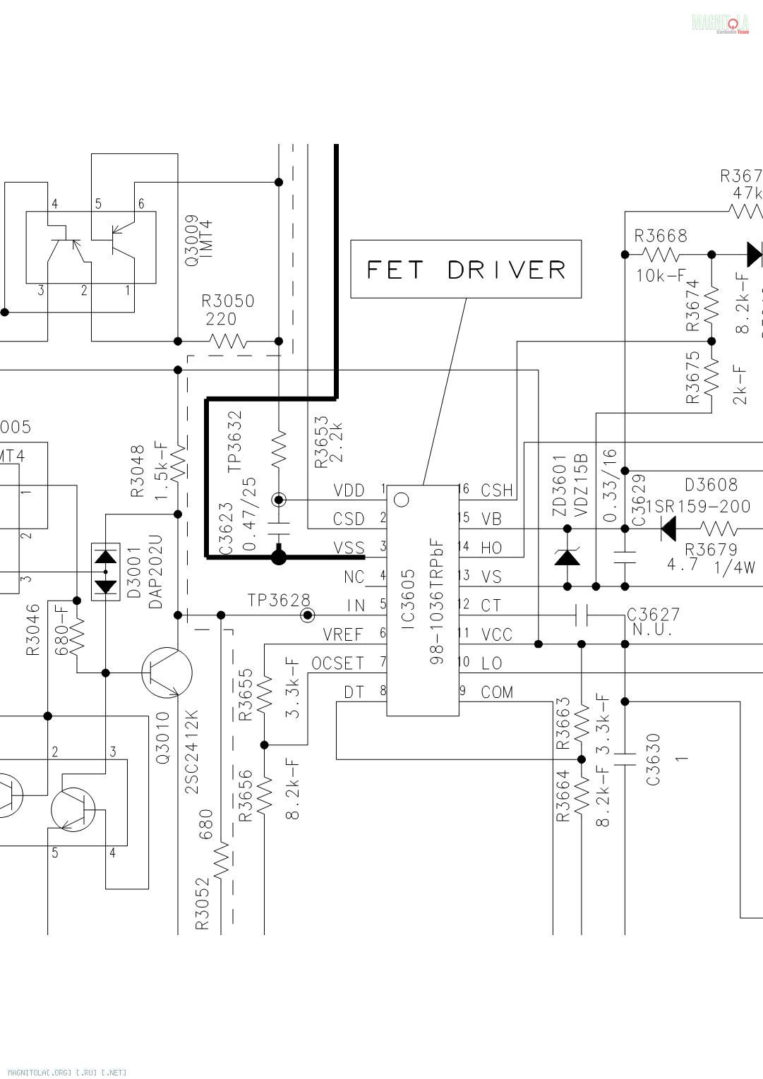
Не работает данный усь, сгорают два выходных полевика одного плеча. После всех выяснений обнаружил, что сгорел драйвер, но идентифицировать его не могу - все облазил. Думал это IR2010S, но по ногам не подходит. Может кто то ремонтировал и знает что это за микросхема. На ней написано abletec.com и еще цифры 341P. Помогите пожалуйста.
Вложений: 1
Re: Alpine PDX-M6. Не работает. Прошу помощи!
Поможет? Схему могу скинуть на почту.
Вложение 1011122
Re: Alpine PDX-M6. Не работает. Прошу помощи!
Вложений: 1
Re: Alpine PDX-M6. Не работает. Прошу помощи!
Цитата:
Сообщение от
maisteroleg
Поможет? Схему могу скинуть на почту.
СМ у меня есть,сам тоже подбираю похожий - пока успехов нет в экспериментах,подобного не нашёл:
Вложение 1011612
....у меня правый на фото вылетел,а транзисторы остались живые - по мере продвижения сообщу варианты.,есличо
Вложений: 1
Re: Alpine PDX-M6. Не работает. Прошу помощи!
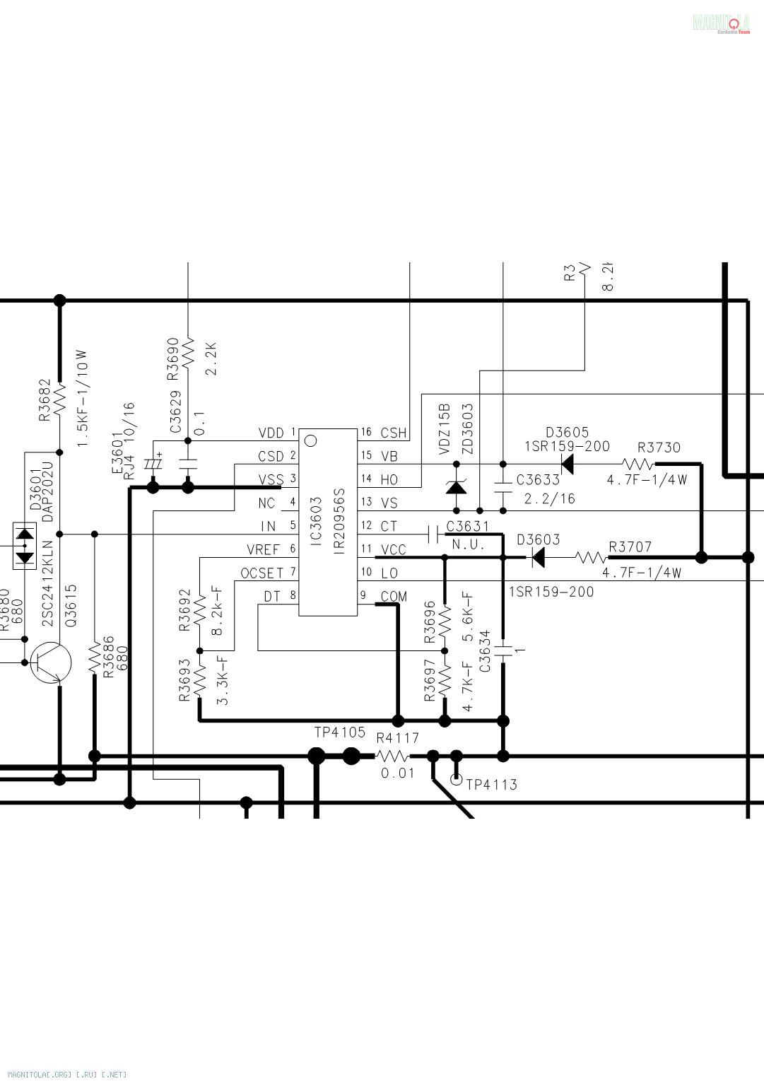
Тот кусок схемы, что я скинул- Alpine PDX-M6. В PDX-F4 стоит вроде такой-же драйвер, маркированный IR20965S. Гугл такого не знает, но знает IRS20965. Данных на него нет, но в Китае продается, 10 баксов пара.
Вложение 1011698
Re: Alpine PDX-M6. Не работает. Прошу помощи!
Цитата:
Сообщение от
maisteroleg
что я скинул- Alpine PDX-M6. В PDX-F4 стоит вроде такой-же драйвер, маркированный IR20965S. Гугл такого не знает, но знает IRS20965.
Пока не убедился в этом,врать не буду - процесс подборки пока не закончен.,
Вложений: 2
Re: Alpine PDX-M6. Не работает. Прошу помощи!
20965 ищется и она куплет совсем из другой песни, а вот20956 днём с огнём, он же штатный 98-1036 , легко меняется на 20954-7, DT разный лучше 57ю, при монтаже не припаивать ( приподнять) 3и5 ножки и соединить по схеме, колхоз зато работает, стоит(стоила) 20954-7 чот около 150р
Вложение 1011846 Вложение 1011848
Re: Alpine PDX-M6. Не работает. Прошу помощи!
Цитата:
Сообщение от
maisteroleg
СПС!
Если не затруднит кинь схемку на berezhnoy_72@mail.ru
Re: Alpine PDX-M6. Не работает. Прошу помощи!
Цитата:
Сообщение от
WENQ
DT разный лучше 57ю, при монтаже не припаивать ( приподнять) 3и5 ножки и соединить по схеме,
Спасибо!,попробую на досуге - пока не горит особо в срочности решения,но аналог интересно поискать для будущего.,
Re: Alpine PDX-M6. Не работает. Прошу помощи!
Всем привет. А не кто не сталкивался в данном усилке со щелчком при включении и выключении? И если да, то как боролись ? Спасибо!
Re: Alpine PDX-M6. Не работает. Прошу помощи!
Цитата:
Сообщение от
denis550
А не кто не сталкивался в данном усилке со щелчком при включении и выключении?
Убедитесь в нормальной работе ГУ сначала по цепи "mute",скорее всего в ней проблема.,
Re: Alpine PDX-M6. Не работает. Прошу помощи!
Усилок уже снят с системы. Проверялся на стенде. Тот же дефект . И тоже самое с f6
Re: Alpine PDX-M6. Не работает. Прошу помощи!
Цитата:
Сообщение от
denis550
Проверялся на стенде
Если проверка усилителя была с подключенными РСА и включенном ГУ,но не по ремоту от него - не адекватно так говорить будет.Включение усилителя должно быть обязательно от ремота ГУ.Проверьте это на всякий случай.,
Re: Alpine PDX-M6. Не работает. Прошу помощи!
Без RCA . Просто тупо накидывали отдельно аккумулятор на данный усилитель и тот же дефект.
Re: Alpine PDX-M6. Не работает. Прошу помощи!
Цитата:
Сообщение от
denis550
Просто тупо накидывали отдельно аккумулятор на данный усилитель и тот же дефект.
?!- интересное выражение мыслей: равносильно тому,что монтировкой по голове жахнуть.Сленг я понимаю,но последовательность действий - не совсем.В Вашем случае по цепи "MUTE" чудеса происходят,при включении ремота усилителя.,
Re: Alpine PDX-M6. Не работает. Прошу помощи!
Прошу прощение за такое пояснение. Все ещё в поиске проблемы. Завтра будем ещё тестить
Re: Alpine PDX-M6. Не работает. Прошу помощи!
проблема с м12, появились хлопки при включении и выключении, достаточно ощутимые... и упала мощность усилителя((( по мощности слабже чем м6((
Re: Alpine PDX-M6. Не работает. Прошу помощи!
Цитата:
Сообщение от
AgentSmit
проблема с м12, появились хлопки при включении и выключении, достаточно ощутимые... и упала мощность усилителя((( по мощности слабже чем м6((
Как всё подключено?!-это тоже имеет значение.,
Re: Alpine PDX-M6. Не работает. Прошу помощи!
Цитата:
Сообщение от
gena60
Как всё подключено?!-это тоже имеет значение.,
подключено все ок, ставлю v9 и играет все отлично без щелчков и прочей ерунды и по мощности гораздо веселее, запустили на стенде м12 такая же фигня пуки и мощность...
Re: Alpine PDX-M6. Не работает. Прошу помощи!
Цитата:
Сообщение от
AgentSmit
запустили на стенде м12 такая же фигня пуки и мощность...
Это в целом сказано,но конкретики пока не видно в подключении.,