Приветствую зашедших в тему.
Помню где то видел схему на данный девайс.
Не могу ни вспомнить, ни найти, ни у себя на компе, ни в инете :(.
Подкиньте схему.
Вид для печати
Приветствую зашедших в тему.
Помню где то видел схему на данный девайс.
Не могу ни вспомнить, ни найти, ни у себя на компе, ни в инете :(.
Подкиньте схему.
По традиции подумал, обзор. По теме схемы нет, сори.
FFZ, Только фото могу скинуть:
Если речь идёт о неисправности девайса,тогда там всё просто сделано.Питание ОУ смотрите,которое организовано на транзисторах:
Вложение 1053488
Стабилитроны дохлые ставят и ОУ может выйти из строя:
Вложение 1053498
Других проблем не должно возникнуть,изучил в своё время.,
автор с генераторным фоном столкнулись ?
..
Если с операционников сигнал проходит, то тогда смотреть цепь mute... а здесь как раз и самая засада...
Зверушка то не хитрая... а вот что в ней прошито, насколько понимаю она програмируется...
Не, ну то, что вылетела, маловероятно... скорее всего чего то не приходит из сигналов или ключик испустил дух...
я это и имел виду, что в случае если всё же зверушка померла, то как и чем её новую т.е. болванку ))) прошить, чтоб болванка стала зверушкой ))).
согласен, более вероятно что в её обвесе что-то померло.
в общем буду не спеша на основе Стеговской схемы колупать этот вопрос.
Попробуй резетнуть.
По схеме к2.02 4 и 5 пин а вот состояния по сути два, что то где то пробегало и ужо забыто, эта зараза сохраняет критические состояние, примерно так. Приблуда у сервисменов должна быть, прочитать можно ну как в авто коды ошибок.
К стегам был хитрый шнурок и програмулька... подключалась от уся к usb компа.... только живьем я ее ни разу не видел...
Не думаю,что это будет так.У меня тоже всё молчало изначально,но поиск без схемы свой результат дал и всё восстановил.
FFZ, Вы слишком глубоко зашли в этот смысл проблемы,нужно проще к этому вопросу подойти.Начните с питания в первую очередь.Я не пытаюсь новому Вас научить - это и так известно.Если интересует помощь в измерении,у меня есть рабочий аппарат на руках.Укажите точки и что нужно измерить в этих местах.Если завтра не заберут из ремонта,то успею снять необходимые эпюры напряжений на рабочем усилителе.,
Сомневаюсь что дядь Фёдор что то упустил, тем более было указано
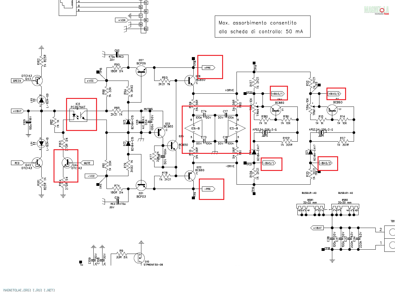
проверить можно просто коротнув (коллектор- эмиттер)-Q44 относится к мют и управляется зверьком, должно появится смещение и питание ОУ УМВложение 1053710если запоёт то хренова, бонально дохлая может быть оптопара с обеих сторон или-или (довольно частое явление).
именно эта вырезка из схемы направила ход мыслей в другом направлении.
спасибо!
трупики в обвязе управления питанием IC2 IC6 обнаружены, заменить нечем, т.к. с SMD компонентами у меня особых разносолов нет :), заказал требуемое, как приедет заказ, так прилепим живое и посмотрим.
Заказанное по деталюшкам приехало.
Заменил трупика и всё завелось как положено!
WENQ, ещё раз спасибо за пинок мозгам ))) в виде этой вырезки из схемы Вложение 1059736 для смещения вектора поиска причины проблемы.
Ну и всем принявшим участие в теме, конечно же тоже спасибо!
Удачи и здоровья Всем!!!