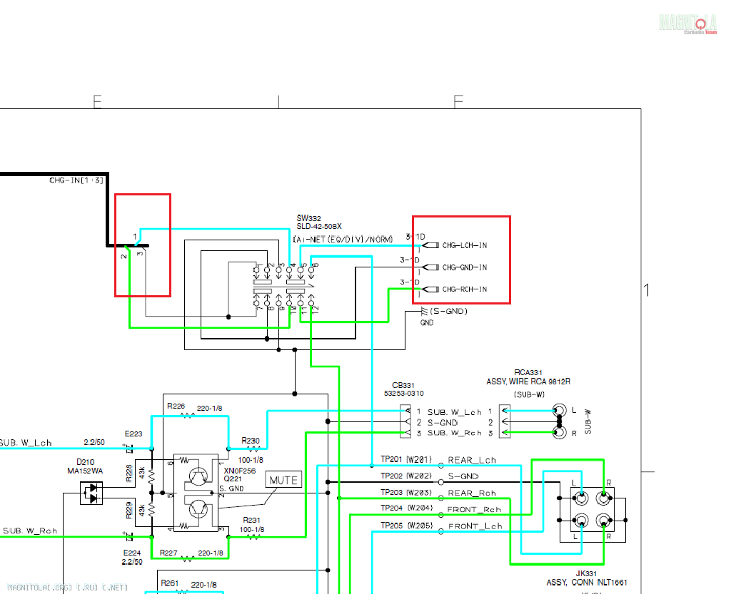
доброго дня. столкнулся сегодня с одной проблемой. пропал сигнал на правый канал в режиме аукс. точнее не совсем пропал а остался в виде щелчков на ударах баса с сопутствующим свистом в этом канале. причем громкость свиста возрастает с увеличением громкости что с подключенным разъемом что без. шнурок для подключения паял сам из микрофонника по этой схеме https://d-a.d-cd.net/f4207bu-960.gif . работало все около года. но никак не мог избавится от наводок. сегодня вытащив плату из магнитофона залип на то что схемка совсем не соответствует обозначениям на плате. на схеме с лева на право идет- прав.земля. лев. на плате- земля.лев.прав.
прозвонка показала что сигнал уходит через переключатель режимов работы айнета затем через смд кондюки на микруху тда7412. как я понял эта микра переключает источники сигнала (радио диск аукс)
но с отсутствием опыта в электронике никак не могу понять в чем может быть дело. может подскажет кто? повторюсь- проблема только в режиме аукс

