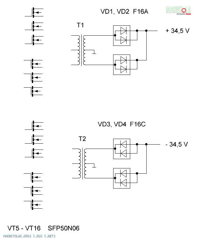
Привет всем, сразу скажу что на форуме я новичок и где то могу неправильно понять. Проблема в следующем давным давно приобрел я усилитель кикс 4.100, хочется собрать на нем громкий и четкий фронт но вот качество звука у него НЕ НРАВИТСЯ и хотелось бы его доработать. Так вот ребятки подскажите может кто с ним сталкивался. да хотелось бы его переделать в 2х канальный усь но с мощностью где то по 150вт чистыми. Не судите строго за писанину....

