Вложений: 3
Моноблок EARTHQUAKE PH2000WD
Здравствуйте!
Достался усилитель с выпаянными конденсаторами. Уже копанный были впаяны последовательно кондеры на 35В Х 10 000мкф в количестве 4-х пар. Были выбиты транзисторы в ПН и самом усилителе. На схеме принципиальной (для D1 модели) указано что номинал кондеров 1000 МКФ Х 63 В. Купил такие как указаны на схеме до этого усилитель не включал. По факту в реале при 12 Вольт входном на этих кондерах уже 60 Вольт, а если подавать 14В то уже и все 70В. Это же не нормально. Или кондеры на схеме неправильного номинала указаны или что-то не работает. Еще на схеме вроде как источник со стабилизацией выходных напряжений или я не правильно думаю? Резисторы в цепях 1 и 2 ШИМ494 проверил соответствуют схеме 1Мом. Саму микруху не трогал. На дросселе в Д классе прямоугольники есть.
Номинал заявляют в 4 Ома 500 Ватт RMS, в 2 Ома 1000 Ватт RMS возможно что завышены ТТХ.
Может у кого был такой усилитель подскажите в стоке что за кондеры там должны быть? Или просто по больше номиналом поставить?
Вложение 1150554Вложение 1150556
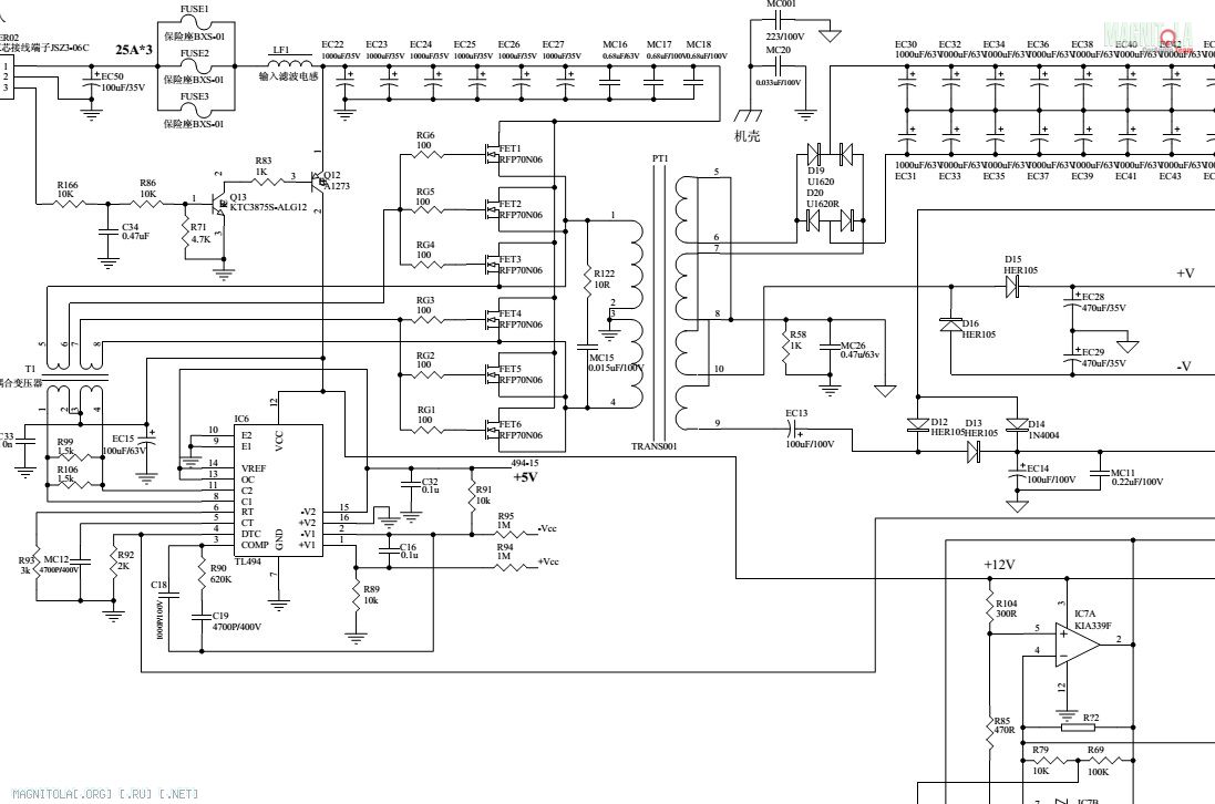
Схема принципиальная Вложение 1150558
Вложений: 1
Re: Моноблок EARTHQUAKE PH2000WD
Ну похоже что не врёт, Вложение 1150584 (если что то фото не моё).
Re: Моноблок EARTHQUAKE PH2000WD
Это фото платы другого землетрясения , а именно Earthquake PH2000WD1.1 в зеленом корпусе.
Вложений: 5
Re: Моноблок EARTHQUAKE PH2000WD
Ну внешне по фото от WENQ очень уж похож, все тоже самое, за исключением на фото видно что силовых транзисторов всего 4 штуки, а в моем экземпляре их 6 штук 45N20 кажись они так называются. Все таки такое ощущение что кондеры должны были быть на 100 Вольт рабочего напряжения. Или я ХЗ)))
Я вот в таком виде его купил нерабочим после "супер-пупер" твика :facepalm:
Вложение 1150772Вложение 1150768Вложение 1150774Вложение 1150770Вложение 1150776
Re: Моноблок EARTHQUAKE PH2000WD
Походу и схема у тебя от того что на фото.Фото отсюда
http://amp-performance.de/810-Earthq...2000WD1-1.html
Ищи свою схему.У тебя усь где-то 2000-2002 года,а зеленый 2008-2010.
Пы Сы Ничиконы и рубиконы что у тебя стоят это круче чем то ,что по ссылке.
Re: Моноблок EARTHQUAKE PH2000WD
Цитата:
Сообщение от
Ivan_kz
Я вот в таком виде его купил нерабочим после супер-пупер твика
последовательно соединение:
U= U1+ U2+ …+ Un, 35+35=70В
Цитата:
Сообщение от
Ivan_kz
кондеры на 35В Х 10 000мкф
С/2 = 5000mU
Цитата:
Сообщение от
Ivan_kz
По факту в реале при 12 Вольт входном на этих кондерах уже 60 Вольт, а если подавать 14В то уже и все 70В.
получаем - достигают этого уровня изменении контруцики.Это правильно будет в логике.Brax ставил в усилителя 42В конденцаторы и напряжение по прибору 50В.Они выходили из работы во времени.
Цитата:
Сообщение от
Ivan_kz
после супер-пупер твика
Это выражение будет не правильным от автора
Re: Моноблок EARTHQUAKE PH2000WD
Да схема у меня не от моего экземпляра а от более позднего судя по всему если бы был хоть один кондер оригинальный я не создавал бы тему купил бы те что должно быть, а так по надеялся на схему думал что аналогичные. Видимо ошибся всякое бывает ничего страшного поэтому и обратился на форум.
По поводу супер твика я имел ввиду что Вы же видите на каких длинных и тонюсеньких проводах он выполнен смысл от такого твика? Поэтому это нужно воспринимать как твик в ковычках. Насчет кондеров согласен что фирмы хорошие в теории. Но неизвестно же на какой вольтаж они там должны быть в оригинале. А после твика как мне сказал человек у которого купил стали выгорать транзисторы.
В любом случае спасибо всем кто пытается помочь. Схему безусловно ищу, но пока безрезультатно везде в сети попадается на Д1 модель.
---------- Сообщение добавлено 02.07.2017 в 23:46 ----------
Цитата:
Сообщение от
evgeniy979
последовательно соединение:
U= U1+ U2+ …+ Un, 35+35=70В
С/2 = 5000mU
получаем - достигают этого уровня изменении контруцики.Это правильно будет в логике.Brax ставил в усилителя 42В конденцаторы и напряжение по прибору 50В.Они выходили из работы во времени.
Это выражение будет не правильным от автора
Как вычислять по формулам последовательное или параллельное соединение все присутствующие прекрасно знают я в том числе когда писал что по 10 000 МКФ я и говорил что по несколько пар на моем фото видно сколько кондеров там кто-то поставил. По поводу твика я уже сказал что от него толку я считаю никакого потому что провода очень длинные и очень тонкие. Автор твика естественно не я. Я прислал фото чтобы возможно это как то поможет решению проблемы чтобы запустить аппарат в первоначальный вариант стоковый.
Возможно я что-то не так понял из выше сказанного от evgeniy979 то прошу прощения.
Re: Моноблок EARTHQUAKE PH2000WD
Цитата:
Сообщение от
Ivan_kz
Я прислал фото чтобы возможно это как то поможет чтобы запустить аппарат в первоначальный вариант стоковый хотябы.
Цитата:
Сообщение от
Ivan_kz
На дросселе в Д классе прямоугольники есть.
Этот вариант меня интересен- ШИМ есть и усилитель работает?
Re: Моноблок EARTHQUAKE PH2000WD
Цитата:
Сообщение от
evgeniy979
Этот вариант меня интересен- ШИМ есть и усилитель работает?
На звук я еще не проверял, но прямоугольники есть только они какие-то так скажем не совсем идеальной формы на других усилах они были исключительно ровные. Размах чуть более 100 Вольт. Если нужно фото осциллограмм сделаю проблем никаких нету. В данный момент я восстановил другой усил, а этот пока отложил до выяснения какие должны быть кондеры ну и по слушать мнение более опытных людей на этом форуме.
Re: Моноблок EARTHQUAKE PH2000WD
Цитата:
Сообщение от
Ivan_kz
На звук я еще не проверял
Надо проверить.ШИМ есть,значет и звук будет.Спасибо за ответ
Re: Моноблок EARTHQUAKE PH2000WD
Цитата:
Сообщение от
evgeniy979
Надо проверить. ШИМ есть, значит и звук будет.Спасибо за ответ
Евгений, Вы же наверняка в курсе что любой ремонт нужно начинать с источника питания, в частности его проверки прежде всего. Если я установил получается не те кондеры не того номинала то, что я буду его на звук проверять раньше времени так сказать. Написал им через форму обратной связи оф. сайта может быть ответят.
Нашел еще вот ветку на форуме http://www.diyaudio.com/forums/car-a...ke-ph2000.html кажись про этот усилок, но ссылка у меня почему то не открывается возможно для Казахстана доступ закрыт или что ХЗ). Попробую еще через анонимайзеры по мучить, но суть не в этом открыл из кеша гугла сохраненную страницу и перевел с английского "I would need to know more about the amp to offer any suggestions. What's the rail voltage?" Rail Voltage is 69 volts.
Получается что питание походу и должно быть около +/- 70 Вольт. Насколько я понимаю кондеры на 63 Вольта надо вытащить и поставить на 100 В для надежности. Схемы в сети я нигде пока не нашел.
Re: Моноблок EARTHQUAKE PH2000WD
Посчитайте первичку и вторичку , сколь витков? , и перемножте что получается во вторичке и тогда узнаете сколь у вас должно, было на 1000ке обломилась одна из первичных обмоток одного из 3х тран-ров во вторичке , было 120в-+ а должно не более 90в-+ при 14.2в БАТ, причем ПН не как себя не выдовал.
Re: Моноблок EARTHQUAKE PH2000WD
Цитата:
Сообщение от
Ivan_kz
Нашел еще вот ветку на форуме
Perry Babin я знаю -он хороший в своём деле,это ветка для тебя будет полезная.Надо посмотреть регулировкку ШИМ,который доставляет напряжение в нужном количестве на конденцаторы питания конечного уселителя.Проверить все результаты транзисторов,исправность их в преобразователе напряжения.Обратный связь напряжение приводит в норму источник питания
Вложений: 9
Re: Моноблок EARTHQUAKE PH2000WD
В общем спрашивал на форуме diyaudio.com насчет кондеров вообще все дружно проигнорировали если это только из-за того что я живу в Казахстане очень обидно), или такие спецы просто ХЗ.
Теперь по существу нашел на том же форуме внутрянку этого усилка именно эта модель усилителя здесь опубликую эти картинки может кому-то потом пригодятся:
Вложение 1156134Вложение 1156136Вложение 1156138Вложение 1156140
Так-же делал запрос в официальную службу поддержки прислали какие-то схемы и сказали что больше у них ничего нету, кстати очень быстро среагировали буквально в день моего обращения за что им большое спасибо!
Схемы которые у меня в наличии:
Вложение 1156142
Вложение 1156144
Вложение 1156146
Вложение 1156148
Общий обзор усилителей линейки Power House:
Вложение 1156150
В общем подытоживая получается что напруга вторички и должна быть походу +/-70В так почему тогда они кондеры на 63 В поставили без запаса вообще вот это не понятно.
Теперь вот в раздумьях то ли эти кондеры которые впаял на 1000 Мкф х 63 В выпаять но плата уже "подуставшая" достался уже в таком виде после "мастеров" ранее говорил уже, или оставить как есть и с транса чучуть витков скинуть. Еще хочу в выходном каскаде оставить по два в плечо транзисторов изначально должно быть по три, но два из 6 сгоревших были а эти остальные в норме, такие же оригинальные мне проблематично достать а ширпотребный поддельный сгорит сразу же. Если в 2 Ома не слушать думаю норм будет.
Кто как считает? Стоит просто купить кондеры например на 80-100 Вольт рабочего напряжения и расположить их лежа на плате или просто понизить вторичку? Главное млин чтоб другому ничего не навредить. В любом случае оставлять кондеры на 63В при питании свыше 70В я думаю это неправильно взорвутся же нафиг :)
P/S Понимаю, что проблемы так таковой нету но хочу сделать как более правильно, а не лиж-бы работало. Поэтому тут советуюсь.
Re: Моноблок EARTHQUAKE PH2000WD
Моё мнение.
При 100% уверенности что все остальное в БП в норме.
Трансформатор проверить (лучше раз пять) если рабочий не в коем случае не трогать (отматывать\доматывать не стоит никогда). Транзисторы в БП поменять все на новые, не серые и из одной партии.
Если (по результатам замеров) на конденсаторах БП (при питании 14,4 вольта) действительно больше 55 вольт - однозначно меняем все на те что влазят. С большим напряжением, пускай и с меньшей суммарной ёмкостью (не забывая про температуру). Как вариант (у нас одно время были в продаже) 820 мкф 100 вольт (габариты один в один как у 1000 мкф на 63вольта).
Re: Моноблок EARTHQUAKE PH2000WD
Цитата:
Сообщение от
Витт
Моё мнение.
При 100% уверенности что все остальное в БП в норме.
Трансформатор проверить (лучше раз пять) если рабочий не в коем случае не трогать (отматывать\доматывать не стоит никогда). Транзисторы в БП поменять все на новые, не серые и из одной партии.
Если (по результатам замеров) на конденсаторах БП (при питании 14,4 вольта) действительно больше 55 вольт - однозначно меняем все на те что влазят. С большим напряжением, пускай и с меньшей суммарной ёмкостью (не забывая про температуру). Как вариант (у нас одно время были в продаже) 820 мкф 100 вольт (габариты один в один как у 1000 мкф на 63вольта).
Хорошо. Еще раз все перепроверю. Транзисторы в ПН по любому новые буду ставить потому что старые еще до меня почти все сгорели. Спасибо за Ваше мнение.