Вложений: 1
пульт к магнитоле pioneer deh600bt помогите разобраться
задался идеей примудрить пульт к данному аппарату. На плате в панели были готовые места для запчасте, но не в сервис мануале не на плате маркировок не было. нашел пионер работающий на той же микросхеме управления что и моя, там в в мануале все нашел, впаял, снял резюк на 47 но эфекта не получил. что может быть еще не знаю. на задней панеле есть разьем для проводного пульта. может ик приемник поэтому не работает?
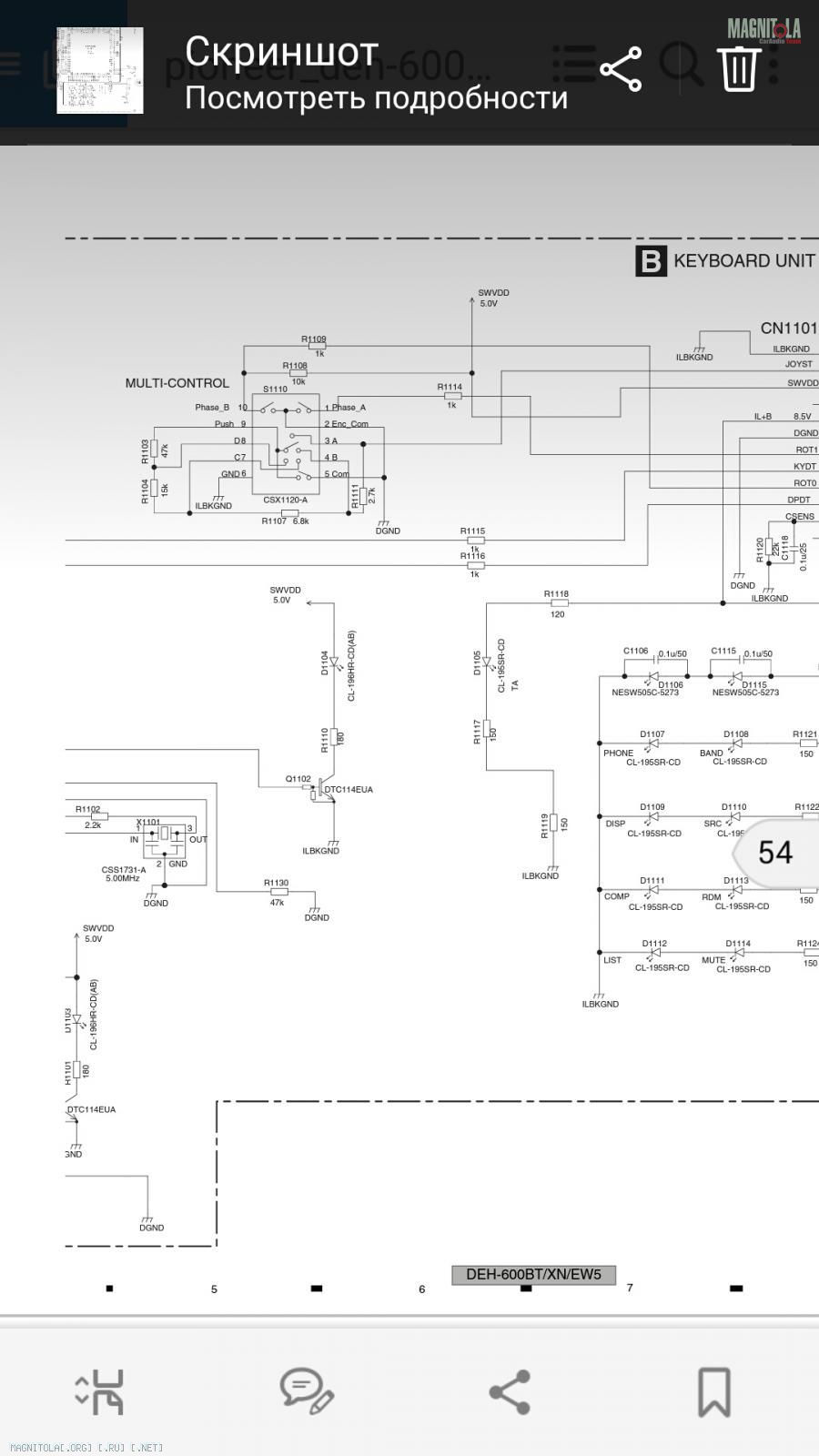
Вложение 1159410 вот по этой схеме собрал
Вложений: 1
Re: пульт к магнитоле pioneer deh600bt помогите разобраться
Вложений: 1
Re: пульт к магнитоле pioneer deh600bt помогите разобраться