Вложение 682476 Это понятно но включены должны в противофазе,
Можете сами посчитать с какой частотой работает ШИМ используйте 3 рисунок.
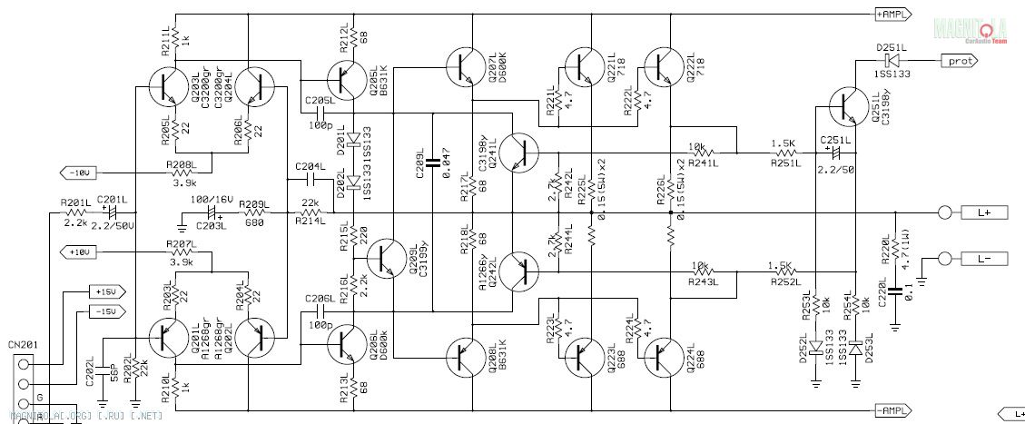
Сохраните пригодится позже,(замерено с нагрузкой?)нужно примерно 590-605mV -+, а так ровно, ток мерить на эмитерах выходных тран-ов.
Mожно заменить все кодёры на 2200/50v и установить те которых нет.
Если не матать(перематывать)трансы необходимости в этом особой нет.
Если надумаете матайте первичка 2е по5 ,вторичка 2е по16, для вторички тот провод что у вас есть а для первички кстате можно использовать готовую косу от катушек размагничивания CRT мониторов добра этого навалом.

