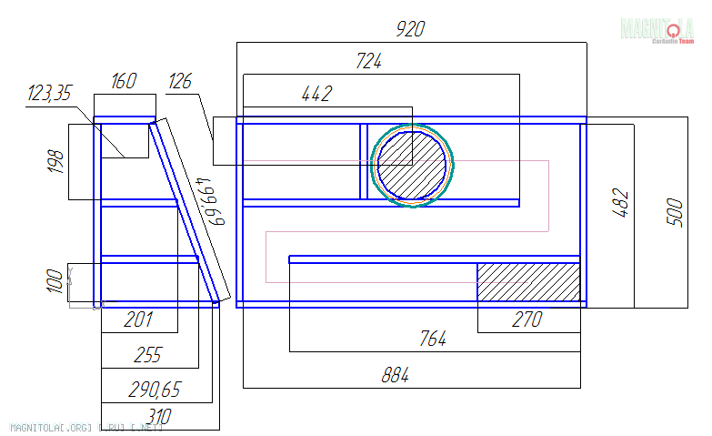
нарисовал ЧВ для своей калины
наклон трапеции соответствует наклону задней спинки, перегородкой слева от динамика можно регулировать настройку от 34 до 41Гц. Площадь порта получилась немножко сужающейся от 320см^2 до 270см^2
Пилили из того что было под рукой, не хотелось тратиться на фанеру для экспериментов
Вложение 541028Вложение 541024Вложение 541020
Вложение 541022Вложение 541018Вложение 541014
Вложение 541016Вложение 541026
как в машине выглядит будут чуть позже фотки
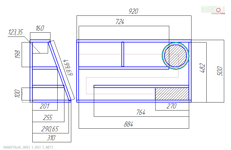
Чистовой вариант буду переделывать на вот так:
Вложение 541030
так можно будет и настройкой в более широком диапазоне поиграться и динамик с портом будут с одного края, что позволит складывать больше всякой фигни в багажник

