626 GE, бюджетный долгострой-тренировка.
Доброго дня!
Форум листаю меньше года, читаю, анализирую, но как сказал Сократ: "Чем больше я узнаю, тем меньше я знаю", и дальше без советов и обсуждений никуда.
Инсталл в этой машине больше тренировка, набивание шишек, эксперименты. Надеюсь что не засмеёте, за наверняка глупые вопросы по неопытности, но все мы когда то учились))
Итак, то чем располагаю на сегодняшний день:
-ГУ: JVC KD-G827EE
-Усилители: Hifonics ZX6400 - на саб и на миды
µ-Dimension EL-A52 - соответственно на вч секцию (может и на сч, если дорасту до 2.5 полос)
-Акустика: на фронт Kicx GFQ-6.2 (кроссовер разделил, сейчас трудится от четырех каналов ГУ)
С головкой сабвуфера не определился пока что, но скорее всего 10" Ivolga или Урал, хочется что бы был компактный ЗЯ.
Проводка:
-Питание: плюс на Hifonics, ПВ-3 25мм^2, минус с кузова. (нужно докупить)
плюс на M-dimension - вот здесь вопрос, так как усилители будут под передними креслами, то как я понимаю и исходя из таблиц должно хватить 25 квадрат и на два усилителя, но могу и ошибаться, возможно придется проложить еще один плюс на 10мм^2
Плюс на ГУ РКГМ 4мм^2 (просто провод удачно нашелся, ну и почему бы и нет)
Дистрибьютор на плюс: БПР-4 (блок предохранителей от Газели, дешево и сердито, болтовые соединения, 4 плавких предохранителя, сверху крышечка)
-Межблочные кабели:
На ВЧ DAXX R50-15
На мид и саб Kicx RCA-05
Акустические кабели:
-На ВЧ ПВ-3 1.5мм^2
На мид ПВ-3 2.5мм^2 (нужно докупить, пока что работает через штатную проводку)
На саб-пока что ничего нет)
По списку все, дальше по тому что делалось и планируется.
А сделалось за год одно большое ничего! (то что сделано это не результат, позже добавлю фото) Работы много и дома ремонт))
Вложений: 3
Re: 626 GE, бюджетный долгострой-тренировка.
И так, то что готово на данный момент, это опора для левого мида, два фанерных кольца, были закреплены под углом относительно друг друга, а полость залита смесью полиэфирки и смеси для наливного пола, и эта конструкция была приклеена опять же на полиэфирку к фанерному основанию, укреплено стекломатом, прикручено к железу двери на мебельные болты М5.
ШВИ дверей как наступит тепло буду переделывать, так как то что сделано на скорую руку не устраивает, были закрыты тех отверстия Вибропластом М1 в один слой.
Еще по левой двери это накладка-карман дверной карты, осталось дошкурить и окрасить.
Вложение 707130 Вложение 707132 Вложение 707134
Re: 626 GE, бюджетный долгострой-тренировка.
Re: 626 GE, бюджетный долгострой-тренировка.
Да, спасибо, конечно смотрел, но там уровень несомненно выше, чем то что планирую я)
Вложений: 1
Re: 626 GE, бюджетный долгострой-тренировка.
Немного непонятно как основание подиума прилегает к железу? Железо то неровное. Или щели будут заклеены виброй?
По накладке-карману. Как то верх смотрится обрезанно
Вложение 707142
Насколько при этом будет хорошо смотреться прилегание кольца к накладке двери?
Вложений: 2
Re: 626 GE, бюджетный долгострой-тренировка.
Плоскости на железе двери достаточно для прилегания опоры под дин, вроде сквозных отверстий не заметил, но просмотрю еще раз, может пропустил, в любом случае мне еще ШВИ доделывать.
Верхушка не дошпаклевана, надо прикрутить к карте и уже по месту закидывать шпаклей) Как раз на днях собирался этим заняться.
---------- Сообщение добавлено 03.02.2015 в 22:25 ----------
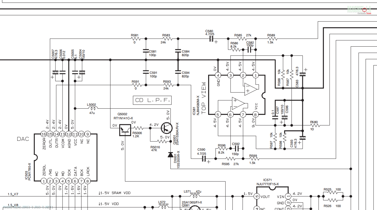
Теперь самое интересное для меня, на данный момент, допиливание магнитолы)) Паяльник я держу уверенно, но вот в схемотехнике разбираюсь пока что слабо, есть куда расти))
Началось с распайки AUX, распаял криво, перепутал каналы местами, пришло время исправить, выдернул ГУ, принес домой и разобрал полностью, просто из любопытства) Попутно заменил энкодер в панельке, звук убавлялся с трудом и в настройках неудобно было.
Препарирование показало что вздулись электролиты на выходах ОУ. Погуглив твики магнитол решил раз менять емкости, то надо их увеличить и не только на выходах ОУ, а так же на питании и плюс шунты пленкой. Может быть заменю операционники, но не уверен что сделаю правильный выбор.
По этой причине вопрос, если вдруг опытные люди заглянут в эту тему, читая отзывы про ОУ которые установлены, часто попадалось мнение, что JRC 4580 сносный, но не самый качественный, а на нем здесь сделан ФНЧ CD привода, есть ли смысл и главное на что его заменить с минимальным вмешательством в схему?
Вложение 707182
И фото пациента
Вложение 707384
Вложений: 3
Re: 626 GE, бюджетный долгострой-тренировка.
Промежуточный этап накладки и дверной карты:
Вложение 707526
Вложение 707530
Вложение 707534
Осталось пройтись финишной, зашкурить и покрасить.
А ляжет ли на полипропилен антигравий? Или краску для бамперов лучше использовать? Мелькнула мысль что можно зафлокировать, но будет как то чужеродно смотреться на этом месте на мой взгляд.
Re: 626 GE, бюджетный долгострой-тренировка.
Я бы обтянул биэластиком. Форма несложная, в карман сделал бы загиб, а дальше отрезал.
Re: 626 GE, бюджетный долгострой-тренировка.
Хороший вариант, но биэластик в Челябинске мне пока не попадался, но и искал не очень активно)
Вложений: 5
Re: 626 GE, бюджетный долгострой-тренировка.
После продолжительного перерыва выложу результаты по законченным подиумам и эту тему закрываю, так как машину выставил на продажу, а сам пересел на другое авто, на которое долго заглядывался и ждал подходящего варианта ГЫ ГЫ ГЫ теперь надо доукомплектовываться новым фронтом, искать проц, докупать провода и начинать всё это дело устанавливать)
И так, шпаклюем, шкурим, делаем лекала, кроим, шьем.
Вложение 786440
Вложение 786442
Клеим, тянем.
Вложение 786444
И на выходе получается вот такой результат.
Вложение 786446
Вложение 786448