Вложение 1348779
Новая схема инстала
Вид для печати
Вложение 1348779
Новая схема инстала
Новые изменения в системе перед финалом EMMA Russia:
Замена усилительного звена (кроме усилителя на сабвуфер)
ВЧ Sinfoni Presto
СЧ Sinfoni Quartorigo Precision Two Class A
НЧ Zapco Z-150.2 LX
Замена мидбасов NeoCore MB 2.170
Не скажу что замена была удачной - клэрион всё же пел душевнее. Но нужно двигаться куда-то дальше... Есть мысли...
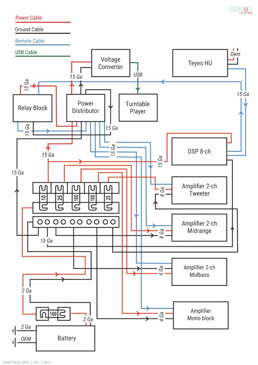
А вот и схемы оборудования, ну и электрическая попутно...
Вложение 1349295
Вложение 1349297
Вернулся с соревнований и решил поменять местами престо и пресижн 2 - и о чудо! Замена оооочень удачная получилась. Следующие соревнования будут именно с таким сетапом. Пресижн 2 на ВЧ, Престо на СЧ, на миды - Запко и на сабик Тру технолоджи.
---------- Сообщение добавлено 21.10.2021 в 16:37 ----------
И кстати! Перед соревнованиями я наконец-то перенес усилители с верхней полки в сделанный между этапом в Серпухове и финалом в Твери фальшпол!
Вложение 1349923
Вложение 1349925
Вложение 1349927
Вложение 1349929
Все фотографии - в процессе сборки системы перед финалом.
Пора обновить схему компонентов
Вложение 1351941
Правда мидбасы сейчас другие стоят... Неокоры. Но в ближайшее время будет еще одна замена мидбасов на топчик)) пока секрет какие...
А что Алкион уже в продаже? или это из тестовой серии?
А еще у меня был номер: 002 - тот что в обзоре Приколоты на видео.