Всем привет! Вопрос такой - по клиппингу тестировал его кто-нибудь? На какой громкости начинается? встроенный усь же не оключаемый?
Вид для печати
Всем привет! Вопрос такой - по клиппингу тестировал его кто-нибудь? На какой громкости начинается? встроенный усь же не оключаемый?
Обычно на пионерах порог 45-50, зависит от включенных улучшайзеров. А так по своему опыту больше 45 не крутил, хватало громкости
с методикой знаком, спасибо! просто недавно видел тест какого-то пионера-среднячка, не помню модель, на осциллографе по трем диапазонам - везде клипп начинался только на последних 2х делениях - после 60. Настройки все в ноль, улучшайзеры откл (я в принципе тоже так в основном слушаю). Настраиваться конечно буду наслух и по фен шую методике))) просто интересно вдруг кто замерял конкретно эту модель) сегодня вечером ее приобретаю просто.
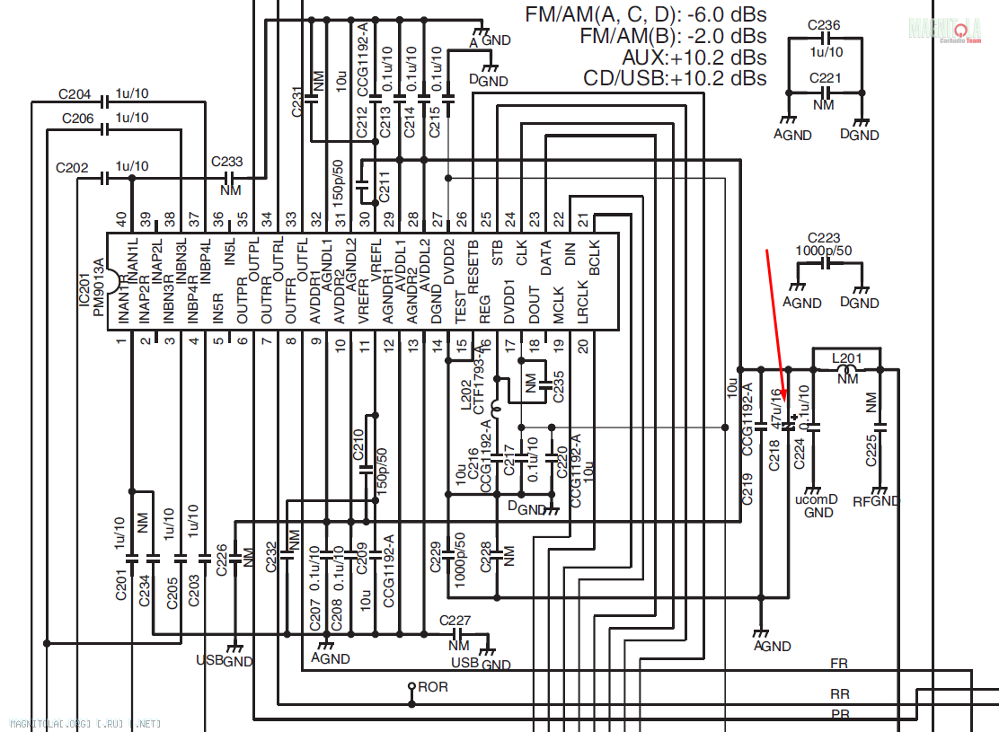
В случае с линейными выходами, предполагаю, клиппует аналоговая часть ЦАПа? В таком случае порог клиппа может двигаться от величины Rвх внешнего уся? Буферов то после ЦАПа тут нет...
В 700-ой модели тоже заметил клипп после уровня 60.
И ещё вопрос, покажите плз на фото электролит питания налоговой части ЦАПа. Сам по фото не пойму...
Это который в 700-й модели этот
Вложение 1120550
Очень уж он сцену прозрачной сделал после замены в 700-м ...
Господа, а может кто-нибудь выложить характеристики нескольких элементов, разобрав ГУ? Сервисы не делятся мануалом.
Распаивал разъем панельки и по неосторожности (да, руко###) снес пару SMDшек паяльником. Покажу на фотке от FFZ конкретно каких.
И да, у меня x5900bt, но платы, вроде как 1 в 1.