Ребят а есть ли полный сервис мануал по Pioneer MVH-X580BT? а то сгорела дорожка с элементами а номиналов не знаю.
Вид для печати
Ребят а есть ли полный сервис мануал по Pioneer MVH-X580BT? а то сгорела дорожка с элементами а номиналов не знаю.
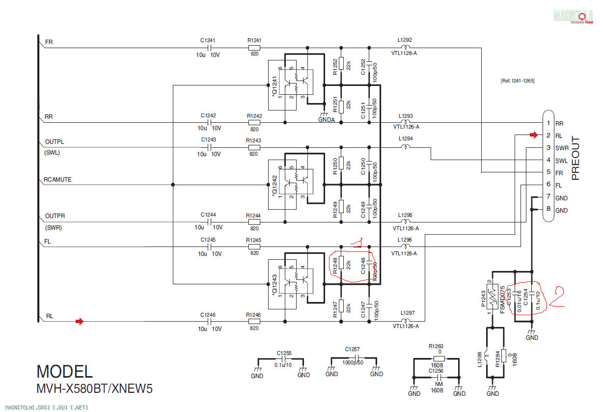
Вложение 1203022 пыхнули эти элементы с дорожкой ., звук есть , на заведенную есть наводки , на одном линейнике напряжение 16 , остальные 2.2 в.
Вложение 1203028 как я понял под №2 кондеры выполняют роль фильтра , № 1 не разобрался для чего и как . Так вот возникли вопросы , критично если заменить керамические на электролитически и большей емкости , в случае с №2. и случае с №1. и резистор сменить c cmd на навесной. Также еще одна проблема на заглушенной машине выскакивает ошибка "ошибка усилителя"
При обесточивании настройки сбрасываются, но не в заводские а в те, что были установлены при подключении саба. Подскажите , пожалуйста, как мне сохранить мои настройки?
Здравствуйте
С андроидом 8 кому то уже довелось подключить pioneer arc?
Старый телефон на пятом андроиде исправно подключается, а новий xiaomi mi a1 никак.
Sent from my Mi A1 using Tapatalk
Добрый день! Поиск по теме не работает что-то... Вопрос возник - где находятся предохранители линейных выходов? Хочу заменить, фон появился что-то... Если есть возможность показать на фото/схеме и сказать какая маркировка у предов, что бы не ломать потом голову, те или не те поставил
В этой теме должно было рассматриваться. Но прежде чем лезть в гу,проверь обязательно межблоки-если некачественные(а их,к сожалению,большинство в магазинах)-легко может пропасть контакт внутри,на той же массе...