Вложений: 3
Штатный усилитель Инфинити в hyundai Grandeur
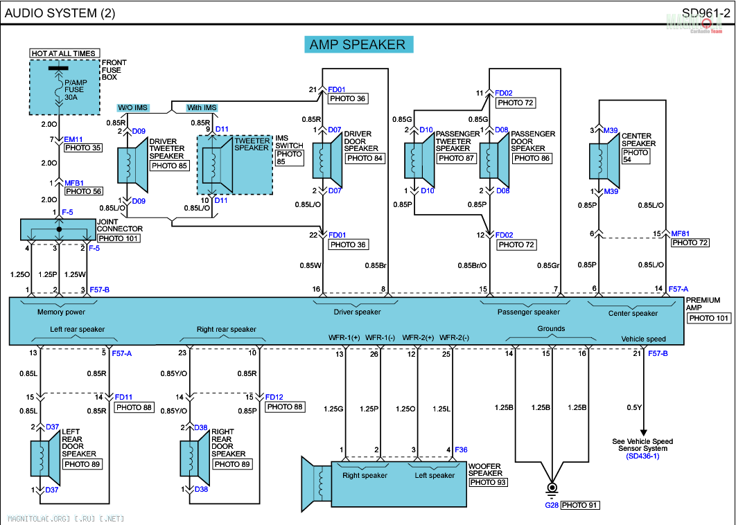
Вложение 212463Вложение 212465Вложение 212467
Просьба помочь разобраться. Имеется hyundai Grandeur. Установлена штатная 2х диновая магнитола ИНфИНИТИ и штатный усилок той же фирмы. Штатная акустика - 4 дверных + задний саб (2 обмотки) + центральный динамик в торпеде. Итого 7 каналов. Хочется поменять магнитолу на что-нибудь приличное, присмотрел Kenwood KIV-700. Но хотелось бы усилок оставить, во всяком случае пока. Но усилок судя по схеме с балластными входами. Когда -то где-то в инете видел различные адаптеры для подключения таких усилков, но как всегда, когда нужно - найи не могу. Если десь присутствуют люди, которые занимаются продажей подобного - просьба откликнуться. Сложность еще в том, что адаптеров именно на hyundai я никогда не встречал. Видел, что на Митсубиси стоят штатные усилки инфинити, но там вроде совершенно другая коммутация. А вот Тойото-Лексусовские усилки JBL выглядят один в один. Если у кого-нибудь есть возможность сравнить тойотовский разъем с тем то на рисунке - буду очень благодарен.