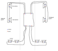
Так имею 8 динамиков , на 4 дверях и 4 на полке ,все сидит на заводских местах с обесшумкой,динамики заменил на вокал как и в стоке 13 см , все это запитал в обход штатн усилка через 4 канальный усь по совету хорошего спеца,система заиграла лучше чем было но я ожидал лучшего,гляньте на схему подключения, может можно подключить по другому что бы лучше заиграло?Вложение 1022892Вложение 1022894
25.06.2016, 19:36
chu0037
Re: Правильно ли подключил?
Так выж собирались в заднюю спинку саб поставить уж с год как?
Зачем эта куча безтолковых тринашек?
Давайте,полностью и подробно рисуйте за весь инсталл-с моделями,сечениями,шви,гу и всем прочим...
25.06.2016, 19:38
Хоттабыч
Re: Правильно ли подключил?
Цитата:
Сообщение от Илюш
система заиграла лучше чем было
13 см стало легче - при подключении 8 ом нагрузка на них стала меньше.
Усилитель какой ?
25.06.2016, 21:27
gena60
Re: Правильно ли подключил?
Цитата:
Сообщение от Хоттабыч
13 см стало легче - при подключении 8 ом нагрузка на них стала меньше.
Усилитель какой ?
Мысль хорошая,поскольку на 8Ом требуется более мощный усилитель,чем на 4Ом имеющегося.Пусть меня ругают гуру на форуме, но повторюсь.Была такая тема у меня,правда по сабам:
...так смысл останется всё равно в том,что усилитель,на нагрузку в сопротивлении 2 или 4Ом,имеет разные характеристики по мощности,- в по канальном подключении её.В данном случае нужен усилитель,который имеет мощность на канал не менее 250Вт(4Ом) при 8Ом нагрузки.Для звука 8Ом предпочтительнее будет точно.Возможное подключение в 2Ом изменит работу динамиков(параллельное,но не последовательное соединение их к каждому каналу).Для данных динамиков будет достаточно усилителя,который имеет номинальную мощность,при нагрузке 2Ом,125-150Вт.Примерно так нужно рассматривать данную проблему.,есличо