Re: Опорные кольца, грили, корпусные детали
Вложений: 3
Re: Опорные кольца, грили, корпусные детали
Вложений: 4
Re: Опорные кольца, грили, корпусные детали
Александр, добрый день!
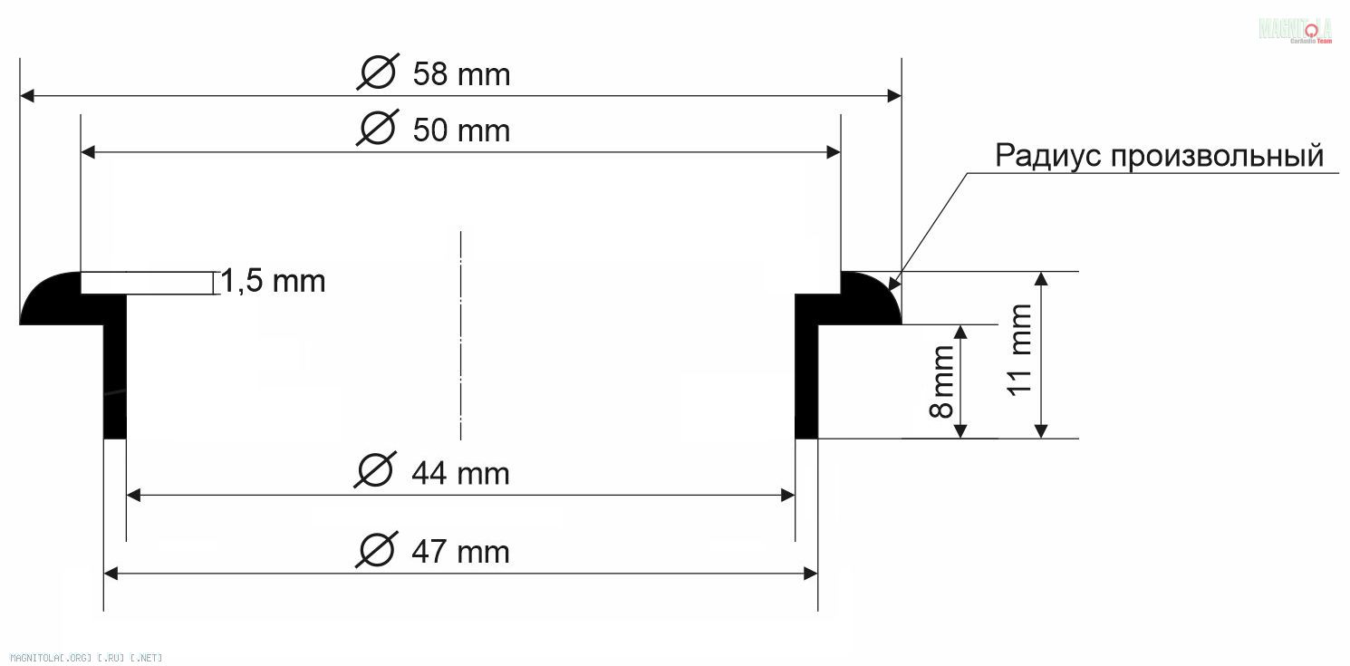
Нужна пара примитивнейших колечек вот такого типа:
Вложение 1196328Вложение 1196330Вложение 1196332
Точные размеры:
Вложение 1196340
Цвет: черный матовый, как сам динамик.
Отпишите пожалуйста стоимость и время производства.
Re: Опорные кольца, грили, корпусные детали
Цитата:
Сообщение от
Андреичъ
Приветствую отписал в лс.
Вложений: 1
Re: Опорные кольца, грили, корпусные детали
Re: Опорные кольца, грили, корпусные детали
Morel cdm54 и mt120 поворотные на стойку типо стаканов
---------- Сообщение добавлено 09.02.2018 в 23:46 ----------
Поворотные стаканы с сеточками на morel cdm54 . mt120 крепление на стойку
Re: Опорные кольца, грили, корпусные детали
Цитата:
Сообщение от
Николай 1977
Morel cdm54 и mt120 поворотные на стойку типо стаканов
---------- Сообщение добавлено 09.02.2018 в 23:46 ----------
Поворотные стаканы с сеточками на morel cdm54 . mt120 крепление на стойку
Ок. Будем рисовать эскиз.
Вложений: 2
Re: Опорные кольца, грили, корпусные детали
Вложений: 1
Re: Опорные кольца, грили, корпусные детали
proxor18, здраствуйте примерную цену на поворотные подиумы для вч еос ет280Вложение 1208036
Re: Опорные кольца, грили, корпусные детали
Цитата:
Сообщение от
arhangel5085
proxor18, здраствуйте примерную цену на поворотные подиумы для вч еос ет280
Вложение 1208036
отписал в лс