Re: HELIX - прямые продажи
Цитата:
Сообщение от
jaff
fox proteus, LM это стабилизатор DC/DC ? А если кренка?)))
Так тож оно и есть:)
---------- Сообщение добавлено 17.09.2015 в 21:12 ----------
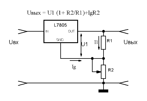
Кренки тоже либо на 9 вольт (7809) либо на 12 (7812). А чтобы было саусем красиво, хоцца 10.0В.
Re: HELIX - прямые продажи
Цитата:
Сообщение от
jaff
UPD. 03/06/15
В силу очередного витка игры нашего государства с валютными курсами, в ближайшее время мы вынуждены будем поднять стоимость по всему ассортименту.
На текущий момент мы работаем по внутреннему курсу 49.9 рублей за евро. Сегодня на утренних торгах евро перешагнул отметку 59 рублей http://cdn.magnitola.org/images/smil...andart/sad.gif
Самое время не откладывать ранее запланированное обновление в своей системе)
Доброго дня.
В данном разделе постараюсь ответить на все вопросы касаемо продукции производителя высококлассной акустики, усилителей, сабвуферов и компонентов Car Audio - фирмы Helix.
Раздел хотелось бы начать словами Хайнца Фишера Основателя и президента компании Audiotec Fischer
„Любовь к музыке является двигателем нашей работы. Она дает нам энергию и идеи. Она является неизменным критерием, позволяющим нам точно следовать по пути к нашей цели.
Мы создаем продукты, которые доставляют радость своим совершенным звучанием; продукты, которые передают тончайшие оттенки звука, эмоции и манеру исполнителя, и потому позволяют испытать подлинное очарование от музыки."
Компания Audiotec Fischer была основана Хайнцем Фишером в 1990. С тех пор компания развивалась и из поставщика для узкой ниши рынка стала лидером мирового рынка автомобильной Hi-Fi техники, заслужив всемирное признание благодаря превосходным продуктам.
Принципы „handmade“ и „made in Germany“ всегда играли ведущую роль в идеологии компании. Более 30 лет опыта – сначала в разработке домашних Hi-End систем, а затем в автомобильном аудио – отражаются в высокой степени инноваций и любви к деталям. Штаб-квартира компании находится городе Шмалленберг, Вестфалия, Германия.
Компания фокусируется на разработке новых продуктов, производстве текущих серий и на образцовом обеспечении качества, на котором основаны принципы успеха и которая лучше всего объясняет философию компании.
Впечатляющие отзывы в кругах профессионалов автомобильного Hi-Fi, многочисленные призы и награды, полученные в Германии и за рубежом, и наличие партнеров более чем в 50 странах говорят сами за себя.
Большинство поставщиков, которые как и Audiotec Fischer сертифицированы DIN EN ISO 9001:2008, также находятся в Германии, и даже в том же регионе. Небольшие расстояния и возможность прямого общения обеспечивают наилучшее планирование производственных процессов и закономерное получение результатов самого высокого качества.
Несколько позже я ознакомлю с актуальным модельным рядом Helix.
На текущий момент полный ассортимент бренда в наличии на складе в Москве.
Задавайте вопросы, оперативно отвечу.
--------------------------------------------------------------------------------------------------------------------------------------------------------- Приглашаем установочные центры и розничные магазины к сотрудничеству!
--------------------------------------------------------------------------------------------------------------------------------
Приветствую! Успеваю купить P62C за 17 900,00? Отправка в ЯНАО г.Новый Уренгой. Оплата на карту сбера.
Re: HELIX - прямые продажи
severyanin, акустика P62C в наличии. Ответил в ЛС
Re: HELIX - прямые продажи
Цитата:
Сообщение от
severyanin
Приветствую! Успеваю купить P62C за 17 900,00? Отправка в ЯНАО г.Новый Уренгой. Оплата на карту сбера.
Привет, земляки)))
Re: HELIX - прямые продажи
Цитата:
Сообщение от
fox proteus
Привет, земляки)))
И вам не хворать:-) :-) :-) и вопросов к вам куча :-) :-)
Re: HELIX - прямые продажи
Цитата:
Сообщение от
fox proteus
Привет, земляки
Погодка сегодня просто супер тут (временно здесь нахожусь), а дома в шкафу скучает helix dsp. Как же руки чешутся=)
Re: HELIX - прямые продажи
Цитата:
Сообщение от
Anton b.
Погодка сегодня просто супер тут (временно здесь нахожусь), а дома в шкафу скучает helix dsp. Как же руки чешутся=)
У меня DSP pro скучает уже месяц, все никак не можем начать инсталлить:)))
Вложений: 1
Re: HELIX - прямые продажи
Цитата:
Сообщение от
fox proteus
Кренки тоже либо на 9 вольт (7809) либо на 12 (7812). А чтобы было саусем красиво, хоцца 10.0В.
А можно так откорректировать:
Вложение 862860
Re: HELIX - прямые продажи
Новинка от фишеров в журнале Car & HiFi
Brax Graphic GX2000 два эталонных канала усиления ;)
http://www.audiodesign.de/downloads/...015/GX2000.pdf
Вложений: 2
Re: HELIX - прямые продажи
Коллектив компании Brax Team благодарит Романа Андреевича за предоставленный реквизит для комнаты прослушивания) Теперь можно добавить в список прослушивания СЧ 3".
Даже в цвет попал)
Вложение 873572
Вложение 873574