Вложений: 4
Re: "Горный воздух в Соренто" (Саймону привет:)).
Re: "Горный воздух в Соренто" (Саймону привет:)).
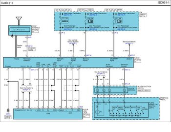
Если верить второй картинке (разъемы уся), то на нем присутствует SPDIF. Видимо в голове же есть и выход аналогичный.
ЗЫ: По третьей и четвертой картинкам вообще ничего не видно..
Re: Цифра из штатного ГУ.
Не совсем понял, из какого ГУ нужно вывести оптику.
В вашем автомобиле все регулировки звука осуществляются в усилителе. Управление усилителем по CAN шине. Замена магнитолы возможна, но с внешним АЦП, подключаемым к линейному выходу магнитолы.
Замена усилителя с тем, чтобы оставить родную магнитолу - не будет никаких регулировок. Если руксом рулить громкостью через ваш процессор - зачем тогда родная голова?
Re: Цифра из штатного ГУ.
Garmin,
А почему вы решили, что все управление в усилителе? Или это из опыта?
А про ГУ - написано же:
Цитата:
Сообщение от
jeack
Хотелось бы попробовать вывести "оптику" из ГУ, сохранив бт, кнопки, входы и управление громкостью.
Есть, конечно, и другие способы, но и этот имеет право на жизнь =)
Re: Цифра из штатного ГУ.
По поводу регулировок - мне они, собственно, и не нужны. Кроме громкости. Согласись, как-то нет смысла приколхоживать рукс только ради громкости? То что шина и не получиться тупо заменить ГУ я вроде писал, т.е. это я знаю.
Просто усилитель я менять не хотел (не, ну не настолько ж я тупой, чтоб не догнать, что нифига не получиться?:)), я имел ввиду, что есть пара нормальных мАфонов, на выбор, к которым можно приделать другой усилитель (не штатный), по сути демонтировав штатную систему. Это то, как раз, ВООБЩЕ не проблема и самый что ни на есть на поверхности выход...:)
В чём фишка штатки чуть выше отписавшийся товарищ озвучил повторно. :)
Да в том то и дело, что нихачу я руксом рулить, потому и спрашиваю, что можно сделать в свете моих хотелок.:) А голова родная затем, что потому что!!!:)
Не, серьёзно. Я действительно знаю как и что надо сделать, чтоб улучшить звук. И у меня даже есть чем. Но вот хочется попробовать так.
---------- Сообщение добавлено 03.03.2012 в 00:06 ----------
А вообще хочу сделать вот так. http://urs-tuning.ru/product_info.ph...b2c3aa85b051bd Потому что ещё надо нафигашку и камеру заднего вида.
Re: "Горный воздух в Соренто" (Саймону привет:)).
может как вариант вывести из штатного оптику, подать ее на 700 проц, рукс в бардачок для тонких настроек, а для громкости поставить http://magnitola.org/vysshii-pilotaz...ler-ainet.html от Николая, подцепить его на кнопки руля,.. уточни у него на сколько это возможно
Re: "Горный воздух в Соренто" (Саймону привет:)).
Ну вот что-то типа этого и хочу. Спасибо, попробую.
Re: "Горный воздух в Соренто" (Саймону привет:)).
жууууть как все тут у вас сложно))))Читаю и думаю как это,разве со штатной гу киа можно вывести оптику?
Re: "Горный воздух в Соренто" (Саймону привет:)).
Цитата:
Сообщение от
DjDen58
,разве со штатной гу киа можно вывести оптику?
При желании и наличии спецов, почему нет?