Можно уточнить!!! у него что вообще ни как фильтра не отключаются?? а если его в трёшку процевую пихать на вч и сч...он значит всё равно будет какой то срез давать???
Планирую просто свой 6.420 поменять на 4.300.
Вид для печати
Можно уточнить!!! у него что вообще ни как фильтра не отключаются?? а если его в трёшку процевую пихать на вч и сч...он значит всё равно будет какой то срез давать???
Планирую просто свой 6.420 поменять на 4.300.
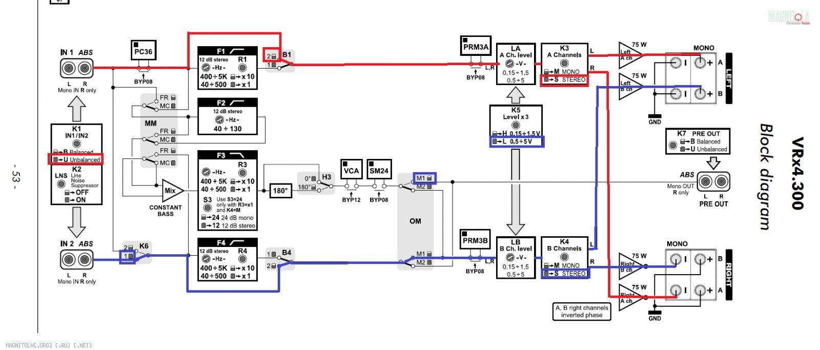
у 4.300 отключаются
Значится покупан уся попал.....
Нет выхода на УМ
Попробуйте ММ и ОМ включить. Включенный ММ при выключенном ОМ дает выход на саб на второй паре.
Мне нужен ответ на вопрос, а не болтовня. Не знаешь-попей пивка в Рюмочной
Сам себе отвечу
Кому то и пригодится
Вложение 689324