Понял спасибо
Вид для печати
Понял спасибо
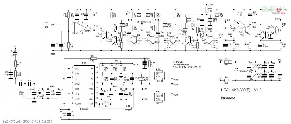
Нужно схему - берёшь и рисуешь. Вот модуль сабового канала.
Вложение 1267061
У меня проблема была в ПН. Поменял вылетевшие IRF3205 на IRF3808 и TL494.
Вложение 1267067
Вложение 1267063
Движок форумный, зараза, пережал мой красивый GIF в ублюдочный JPG, так что вот вам ещё ZIP.
Вложение 1267065
Всем привет. Уточните пожалуйста, какие ОУ 1-4 каналов предусилители? Планирую делать твик, но фильтрами пользоваться не собираюсь, и покупать туда ОУ смысла нет.
Объясните мне не долокому! Хочу запустить 5.300 мостами на миды! Межблок через Y конторы на 4 входа. Получается на левый и правый каналы свой гейн! Но это ещё пол беды, мне нужно усем миды подрезать сверху а фильтра работают лпф только 1 2 канал а хпф только 3 4 и если включаю мостом то фильтра получаются побортно тоесть допустим слева только лпф а справа хпф но это же бред полнейший
Комрады приветствую. Поясните по усилку, вот где то на фотках вижу, что каналы 1-2 по хпф, а 3-4 по лпф можно фильтровать, у меня же тупо ток по хпф. Это такой принт просто? Или тут какие то подверсии уся есть ещё?