Вложений: 10
Широкие специалисты узкого профиля. Обзор паскроссов URAL Warhead Crossover 2, 3
Всем привет! Припозднился я малость с обзором этих кроссов, но лучше поздно, чем никогда. )После выхода (точнее реинкарнации) первых моделей ряда warhead, которые продаются покомпонентно, ураловцы логично дополнили их двумя версиями паскроссов. Шаг вполне логичный. Далеко не все болеют поканалкой и могут себе позволить систему, способную разрулить 2, а тем более 3 полосы. Такому контингенту пользователей необходимо было занедорого предоставить возможность юзать вархеды с пассивным разделением и я об этом говорил сразу после выхода первых 16х мидов.Дальнейшее пополнение линейки вархед куполами, дуалрингами, а потом , после кроссов, плановым добавлением и 20х, 13х мидов, несколько усложнило вопрос кроссоверов. Подобный набор несколько не вписывается срезами в типичные паскроссы и стало понятно, что кроссы если и будут, то будут узкоспециализированы для линейки.Собсна, ураловцы и пошли этим путем создав двухполосную и трехполосную модель кроссоверов. Забегая вперед скажу, что вряд ли получится так просто их использовать с какими-то другими компонентами.Сперва же поговорим чуть о внешнем и "внутреннем" мире этих штуковин.Это двушка:
Вложение 1079476
Вложение 1079478
Это треха:
Вложение 1079480
Внешний вид, лично у меня вызвал несколько противоречивые чувства. Внешний вид у них на грани между лаконичной изящностью и простой примитивностью. Хотя, по большому счету, абсолютно плевать как выглядят эти и любые другие пасскроссы. За ооочень редким исключением на них смотрят всего дважды:В первый раз, когда они устанавливаются под панель или обшивку при установке первой аудиосистемы.Во второй раз, когда следующий владелец тачки, вытаскивает и выкидывает их, потому, что они мешают установить в дверь 100500 китайских оралок, потому, что громкости компонентов на пассах недостаточно, чтобы пацанчики на районе заценили как "валят калитки", да и телачек тусующих не поразить таким звуком. :D :DЕсли говорить серьезно, то паскроссы, как правило, прячутся и далее работают в темных пластиковых застенках. По этому, вообще пофиг как они выглядят. Гораздо важнее, чтоб они были прочны и имели надежный контакт на клеммах.Как хорошо видно на фото, кроссы мягко говоря не герметичны. :D По этому крайне желательно их не пихать прямо в дверь. Ищите теплое, сухое место.Клеммники у обоих кроссов имеют высокий бортик, что здорово пригодилось на замерах срезов. Провод был несколько толще нужного и так и норовил распушиться. Высокий борт надежно уберегал мою городуху от КЗ. Мелочь, а полезно. Винты жмут хорошо, держат надежно, собсна это нормально и было бы удивительно увидеть другое. Линейка вархед не отличается скромным потреблением мощности и надежный контакт тут просто необходим.)
Вложение 1079482
Вложение 1079484
Все элементы кроссовера, надежно проклеены к плате.
Вложение 1079486
Эстетика, при этом малость прихромала на заднее копытце и только по этому сборку я резюмирую в 4 балла. К надежности крепления претензий нет, следы клея же местами виднеются через пластик. Хотя, как мы говорили, для пары взглядов на кроссы, нет никакого смысла городить усладу очей. Гораздо важнее для кроссовера, чтобы ничего не отвалилось от вибраций в авто и тут проблем не возникнет.Катушки в кроссах применены как "бессердечные" так и с магнитопроводом в сердечнике.
Вложение 1079488
Мнения в интернете на этот счет, как обычно делятся на два спорящих лагеря. Сторонники сердечников ратуют за компактность катушек, а противники ругают сердечники за их способность входить в насыщение и за прочие страшные штуки. На практике же, истина ожидаемо находится посередине. Оба варианта имеют право на жизнь, если применять их с умом.Вообще, докапываться до нюансов элементарной базы, в изделиях данного уровня и бюджета, я считаю бессмысленным занятием. Точно также можно ругать жигули за отсутствие четырехзонного климата. (хотя многие это широко практикуют в интернете). От данных железок требуется вменяемая цена и надежная работа. С этим они справятся 100%, остальным велкам к мундорфам и фашистским трансформаторам.)Касаемо двушки тут все понятно.Заявка у него такая:Раздел на 2кГцОбе полосы режутся 2м порядком.Глядя на элементы кросса все очевидно и понятно. LC цепочки Г-образных фильтров 2го порядка. (эт я поумничал цитатой справочника радиолюбителя за 74й год).Пара катушек, пара конденсаторов и пятиваттный резюк, включенный последовательно в цепи кросса пищалки, с целью выровнять уровни мида и вч.
Хозяйкам на заметку:после установки кросса, при избытке вч, можно впаять туда резюк бОльшего номинала, а при нехватке, впаять меньший номинал или вовсе перемычку. Иногда подобный маневр жизненно необходим для достижения сбалансированной тоналки.
Гораздо сильнее заинтриговал трехполосный кросс с вот такой заявкой:
Частота раздела, ГцНЧ 1300, СЧ 1300/4500, ВЧ 4500Крутизна среза, дБ/октНЧ 12, СЧ 6, ВЧ 12С заявкой, как бы все понятно (хотя разделы весьма не типичны).Удивил избыток деталей кроссовера, для такого кросса.Резюк сперва не удивил, я решил, что он как в двушке придерживает ВЧ, но лишний кондер заставил разобрать кросс и пуститься на изучение схемы:
Вложение 1079490
Вложение 1079492
Как оказалось, ВЧ здесь не ограничиваются по уровню. Обычный LC фильтр второго порядка.Кроссовер СЧ здесь более пологий, первого порядка, представляет собой последовательно с динамиком и друг с другом включенные катушку и конденсатор. Катушка режет верх, а конденсатор низ, в итоге получается полосовой СЧ фильтр.Кроссовер мидбаса оборудован так называемой цепью Цобеля.Я глубоко в дебри лезть не буду, кто захочет, тот сам изучит. Скажу лишь, что цепь Цобеля это резистор и конденсатор, подключенные параллельно выходам на динамик. Служат они для стабилизации импеданса динамика и увеличения стабильности работы всего нч кроссовера. Разумеется, есть в ней и минусы, но в данном раскладе ее наличие в кроссе несомненный плюс. И этим кросс, признаюсь малость удивил.Еще один момент, который учитывают кроссоверы трешки, это опрокидывание фазы на стыковке полос, при применении кроссоверов разного порядка. (нч-сч и сч-вч) В случае применения стыка 1го и 2го порядка, сигнал на полосах в точках раздела опрокинется на 180 градусов, что , повлечет провалы в АЧХ на частотах раздела. Чтобы это скомпенсировать, клеммы сч промаркированы "наоборот", то есть полярность изменена и серединка будет подключена физически в противофазе к вч и нч. Это скомпенсирует переворот фазы от разных порядков и все станет на свои места.На самом деле очень важный момент, который кроссы учитывают.Плата кроссоверов, кстати, разведена толстенными дорожками, которые не оставляют на плате пустых мест. Именно такие дорожки и должны иметь кроссы, через которые проходит сигнал достаточно большой мощности.
Вложение 1079494
Проверка срезов, в принципе, подтвердила заявку, хотя точно я измерить не смог. Проверять срезы можно только при работе с динамиками, на которые эти кроссы рассчитывались. Но в целом у меня получалось весьма близко к заявке.Производитель рекомендует:В качестве НЧ использовать миды линейки вархед.В качестве СЧ ставить купольные серединки AS-W50MНа ВЧ предлагают ставить дуалринги AS-W30TWЛично я дам чуть другие рекомендации:Для двухполосного кросса, посоветую использовать 13е, либо 16е миды вархед, а на ВЧ ставить дуалринги AS-W30TW. Частота раздела в двухполосном низковата и такое сочетание, думаю, будет самое то.Для трешки посоветую на НЧ ставить 16вархеды, а лучше 20е!Если нужен резкий хлесткий звук, то на сч запилить купола AS-W50M и подобрать сторонние вч, с детальным, подсушенным звучанием.Если нужен звук помягче, то на сч ставьте AS-W30TW, а на пищалки подберите чисто трешечные, высокопоющие твиттеры. Я так мыслю, ураловцы должны все же докинуть в линейку вархеда полноценный пищ и тогда будет возможность собирать монобренд. Как бы то ни было, оба варианта трехи, особо с 20м мидом, дадут системе весьма не хилые громкостные способности при сохранении вменяемой тоналки. С дверями и салоном только намучаетесь, чтоб ничего не гремело, но оно того стоит)))Вот такие вот железки. Кроссоверы весьма узкоспециализированы под линейку вархед и использовать их с другой акустикой не то, чтобы невозможно, скорее не оправдано. Подобрать схожую акустику к ним куда сложнее, чем подобрать к своей акустике другие кроссы. )Остается посоветовать, после установки динамиков и кроссов, попробовать попарно, поочередно опрокидывать фазы вч и сч (менять полярность на подключении динамиков к кроссу). Иногда именно обратная полярность дает более слитный звук, поскольку динамики полос находятся на разном расстоянии от вас и синфазный сигнал вышедший из динамиков, запросто может добраться до ваших ушей уже в противофазе. Обязательно поэкспериментируйте с этим делом после установки.На этом все! Всем удачи и стыков только в фазе)))
Re: Широкие специалисты узкого профиля. Обзор паскроссов URAL Warhead Crossover 2, 3
Частота раздела, Гц НЧ 1300, СЧ 1300/4500, ВЧ 4500 Крутизна среза, дБ/октНЧ 12, СЧ 6, ВЧ 12С.
СЧ 1300/4500, ВЧ 4500 А для чего такая середина??
Re: Широкие специалисты узкого профиля. Обзор паскроссов URAL Warhead Crossover 2, 3
Цитата:
Сообщение от
vladan-ODR
Частота раздела, Гц НЧ 1300, СЧ
1300/4500, ВЧ
4500 Крутизна среза, дБ/октНЧ 12, СЧ
6, ВЧ 12С.
СЧ 1300/4500, ВЧ 4500 А для чего такая середина??
Так я ш писал в тексте. ГЫ ГЫ ГЫ
Re: Широкие специалисты узкого профиля. Обзор паскроссов URAL Warhead Crossover 2, 3
Всем привет. Кто нибудь собирал трешку на этих компонентах? Кросс и динамики урал, чисто монобренд?
Re: Широкие специалисты узкого профиля. Обзор паскроссов URAL Warhead Crossover 2, 3
Ребята, всем привет! А есть у кого возможность замерить номиналы элементов в двухполосном кроссе. В особенности интересуют номиналы катушек. По конденсаторам видно на фото, только непонятно какой куда))
Re: Широкие специалисты узкого профиля. Обзор паскроссов URAL Warhead Crossover 2, 3
Всем привет! Нужен кроссик подходящий к комплекту 165 мид вархед, 87м середина диффузорная вархед, 25 твиттер купольный вархед! Или как переделать сабж под этот комплект.
---------- Сообщение добавлено 22.04.2018 в 16:29 ----------
Сейчас пока играет двушка 165 плюс 25 пищь купольная через двухполосный сабж. Пищалка очень громкая , пришлось увеличить резистор в ее канале. Вместо 2.2 сейчас стоит 6.8 , ито лишку громкости у пищалки! Впринципе, хорошо играет, но хочется диффузорную серединку! И кроссик под нее. Усь 2.180 вархед.
Вложений: 2
Re: Широкие специалисты узкого профиля. Обзор паскроссов URAL Warhead Crossover 2, 3
Цитата:
Сообщение от
saniaoav
Ребята, всем привет! А есть у кого возможность замерить номиналы элементов в двухполосном кроссе. В особенности интересуют номиналы катушек. По конденсаторам видно на фото, только непонятно какой куда))
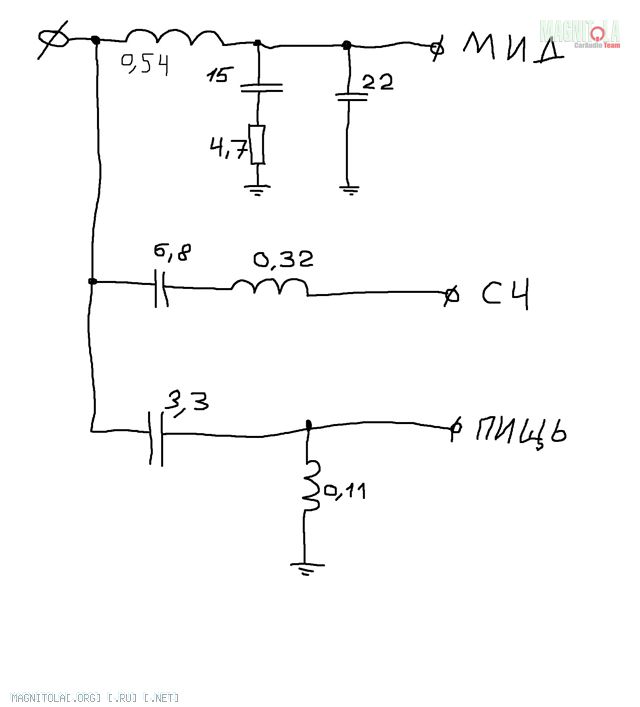
Вот, померил индуктивности . И в двушке, и в трешке. Почти совпадает с номиналом, написанным на плате. Мерил цешкой Victor 9808+. Вот схемки.Вложение 1220868Вложение 1220870
Re: Широкие специалисты узкого профиля. Обзор паскроссов URAL Warhead Crossover 2, 3
Пацаны! Давайте запилим кроссик под трешку вархедовскую с AS-W87M SQ в серединке, AS‑W25TW SQ в ВЧ звене и AS-W165MB в мидбасовом звене! Очень хочется раскрыть потенциал серединки этой. Что не так в имеющемся кроссе? Почему он не подходит к AS-W87M SQ ? Знающий народ, подключайтесь, ТС, ждем и твои соображения!
Re: Широкие специалисты узкого профиля. Обзор паскроссов URAL Warhead Crossover 2, 3
Катушки в сабжах - алюминий.
Re: Широкие специалисты узкого профиля. Обзор паскроссов URAL Warhead Crossover 2, 3
Цитата:
Сообщение от
Тусто-34
Пацаны! Давайте запилим кроссик под трешку вархедовскую с AS-W87M SQ в серединке, AS‑W25TW SQ в ВЧ звене и AS-W165MB в мидбасовом звене! Очень хочется раскрыть потенциал серединки этой. Что не так в имеющемся кроссе? Почему он не подходит к AS-W87M SQ ? Знающий народ, подключайтесь, ТС, ждем и твои соображения!
А в чём проблема?
На СЧ - фильтр первого порядка. Требуется расширить частотный диапазон вниз - увеличиваем (добавляем) емкость конденсатора.
Возможно, придётся разобраться с чувствительностью - добавить резистор.