Снова несколько вопросов от Кофэйника. ГУ+усь. Внимание много текста!
Всем доброго времени суток! Со дня на день ко мне из Пендосии приедет Усь Kicker zx 650.4 модель думаю '06 года. Почему он? Потому, что в моем городе б\у продаются Супры и Мистери за 1-4 т.р. Я посчитал, что ZX за 6т.р.(с доставкой до квартиры) ) будет поинтереснее.
Итак имеем ГУ Alpine cde9848 rb (ну уж какая есть В-) ), усь zx 650.4 и дешевенькую аккустику: Pioneer TS-G132Ci и Art Sound AMX 693, (6*9, 2 из 3 полос кастрировал). Саба нет и в ближайшее время не планирую. Проводка: в мануале сказано использовать 4ga(21 мм2). Я взял кг25. Концы облужу, клеммы обожму и запаяю. Акустические с запасом 2,5 перед 4мм зад.
Вопросы:
1. В том же мануале сказано: использовать высокоуровневые входы(2 шт) только если ваше ГУ не имеет низкоуровневых выходов. Для меня то, что написано - закон.) Но моя шарманка имеет только один выход (рис. 1). :to_take_umbrage:
Усилитель может работать как в режиме 2 пар входов (amp1+amp2), так и в реиме одного ( amp1). См. рис 2.
Правильно ли я понимаю: раньше ГУ было подключено на 4 канала и я мог настраивать перед/зад, лев/прав. Теперь к усю будет подключен только фронтальная пар каналов от ГУ, соответственно настроить можно будет только прав/лев?
2. Вытекает из первого. Как я понял мой усь имеет встроенные кроссоверы на каждую пару входов:
Которые работают в режимах выкл/ФНЧ/ФВЧ, я правильно понял? ( The crossover switches on the end-panel are for setting the internal crossovers. In the OFF position the amplifier passes a full-range signal to the speakers. Use the LO position when connected to a subwoofer. The HI position should be selected when connected to speakers, which you do not want to receive any sub-bass information. Never change the crossover "OFF/HI/LO" switch setting with the audio system on! ).
Как я понимаю раздельно регулировать фильтры перед/зад у меня не выйдет. Таким образом мне нужно будет включить режим HI, выставить для начала 80, а там видно будет?
3. Тут не знаю что спросить... Ну если есть еще советы, напишите, что ли)))
14.06.2014, 18:29
aaw
Re: Снова несколько вопросов от Кофэйника. ГУ+усь. Внимание много текста!
По первому, я бы сделал так: фронт подключаем через линейные выходы, а тыл от высокоуровневых, при таком подключении сохранятся настройки баланса и фейдера, и если есть в гу, настройки срезов или еще чего-то.
По второму, фильтра на фронт ставите от 80 Гц снизу, тыл снизу 30-40Гц сверху 60-80Гц по вкусу...
По третьему: http://magnitola.org/ob-usilitelyah/...-usilitel.html http://magnitola.org/o-sistemah/
15.06.2014, 20:51
Novichok64
Re: Снова несколько вопросов от Кофэйника. ГУ+усь. Внимание много текста!
Цитата:
Сообщение от aaw
По первому, я бы сделал так: фронт подключаем через линейные выходы, а тыл от высокоуровневых
Так вообще можно делать? В инструкции про это ничего не нашел. К сожалению, я не знаю принципиального устройства усилителей. Верно ли мое предположение, что 4 канальный усилитель это по сути 2 двухканальных? Особенно в свете цитируемого предложения?
15.06.2014, 20:57
aaw
Re: Снова несколько вопросов от Кофэйника. ГУ+усь. Внимание много текста!
Можно, только раздельно для пар каналов,т.е. если для 1 и 2 го канала подключение через линейки, то высокий уровень не подключаем для 1 и 2 канала. И соответсвенно с 3 и 4 м каналом: или высокий уровень, или линейки.
15.06.2014, 23:01
Novichok64
Re: Снова несколько вопросов от Кофэйника. ГУ+усь. Внимание много текста!
Как и думал. Спасибо! Будем пробовать)
16.06.2014, 02:07
gena60
Re: Снова несколько вопросов от Кофэйника. ГУ+усь. Внимание много текста!
Цитата:
Сообщение от aaw
Можно, только раздельно для пар каналов,т.е. если для 1 и 2 го канала подключение через линейки, то высокий уровень не подключаем для 1 и 2 канала. И соответсвенно с 3 и 4 м каналом: или высокий уровень, или линейки.
....одним словом комбинированное подключение,а основное в этом:-главное не перепутать входы каналов усилителя,которые идут в паре 1,2 и 3,4-для каждого свой источник от выбранной конфигурации сигнала по входу(низкий или высокий, уровни).,
18.06.2014, 12:36
Novichok64
Re: Снова несколько вопросов от Кофэйника. ГУ+усь. Внимание много текста!
Гена, с этим все ясно. Только вот неувязочка: посмотрел свой усь - оказалась немного другая модель, не '06, а '10 год. Тут не 2 типа входов(hi+lo), а просто 2*2 RCA входа, и кнопка HI/Lo input(одна на все входы). То есть можно подключать либо ВУ либо НУ. Буду думать теперь(
18.06.2014, 14:40
gena60
Re: Снова несколько вопросов от Кофэйника. ГУ+усь. Внимание много текста!
Цитата:
Сообщение от Novichok64
То есть можно подключать либо ВУ либо НУ. Буду думать теперь(
С днём рождения! Мне кажется,что выпаять вторую линейку на фронт будет оптимальным решением.,
19.06.2014, 10:50
Novichok64
Re: Снова несколько вопросов от Кофэйника. ГУ+усь. Внимание много текста!
Цитата:
Сообщение от gena60
С днём рождения!
ВАУ. СыпасибА!!! Так неожиданно :drinks:
Цитата:
Сообщение от gena60
Мне кажется,что выпаять вторую линейку на фронт будет оптимальным решением.,
Ты имеешь в виду припаяться параллельно к НУ-выходу головы, и получить 2 пары одинаковых каналов? Хм, тогда я не смогу регулировать баланс фронт/тыл, но могу по разному фильтровать их в усилке. Идея интересная.
19.06.2014, 21:40
gena60
Re: Снова несколько вопросов от Кофэйника. ГУ+усь. Внимание много текста!
Цитата:
Сообщение от Novichok64
Ты имеешь в виду припаяться параллельно к НУ-выходу головы, и получить 2 пары одинаковых каналов?
Не много не так поняли мысль.
Цитата:
Сообщение от gena60
Мне кажется,что выпаять вторую линейку на фронт будет оптимальным решением.,
В этой фразе хотелось подчеркнуть другое,а именно: вывести фронтальную часть отдельно,которая в ГУ есть на встроенном усилителе.Как правило, один линейный выход в ГУ подразумевает: Тыл/саб переключаемый.Из практики некоторые модели имеют внутри рыбу для фронтального канала,но не задействованы в данном девайсе(это идеальный вариант будет для осуществления),но если взять с ОУ(операционный усилитель) этот выход с него и осуществить самостоятельно дополнительный линейный выход http://magnitola.org/vysshii-pilotaz...ye-vyhody.html будет идеальным решением Вашей задачи.,
20.06.2014, 22:06
Novichok64
Re: Снова несколько вопросов от Кофэйника. ГУ+усь. Внимание много текста!
Цитата:
Сообщение от gena60
один линейный выход в ГУ подразумевает: Тыл/саб переключаемый
В инструкции так и написано, только не тыл, а фронт/саб..
Цитата:
Сообщение от gena60
имеют внутри рыбу
Это для меня загадка. Я диагност, а не электронщик).
Цитата:
Сообщение от gena60
но если взять с ОУ(операционный усилитель) этот выход с него и осуществить самостоятельно дополнительный линейный выход Линейные выходы
Так понимаю надо найти описание устройства моего аппаратика?
Эх, я же по сравнению с вами, господа, как ребенок) Магнитолки не чинил.
Попробую порыть в нете, мож кто так делал.)
20.06.2014, 23:49
gena60
Re: Снова несколько вопросов от Кофэйника. ГУ+усь. Внимание много текста!
Цитата:
Сообщение от Novichok64
В инструкции так и написано, только не тыл, а фронт/саб..
Если так и написано,просто запамятовал на старости,есть такой трабл.Тогда тыл распаять(хотя смысл идеи остаётся прежним-вывести не достающий линейник).,
Цитата:
Сообщение от Novichok64
Так понимаю надо найти описание устройства моего аппаратика?
можно тут найти,возможно.,
22.06.2014, 19:03
Novichok64
Вложений: 2
Re: Снова несколько вопросов от Кофэйника. ГУ+усь. Внимание много текста!
Мля. Автозвук самому - это что-то!!! :ireful1:
Цитата:
Сообщение от gena60
Из практики некоторые модели имеют внутри рыбу для фронтального канала,но не задействованы в данном девайсе(это идеальный вариант будет для осуществления),но если взять с ОУ(операционный усилитель) этот выход с него и осуществить самостоятельно дополнительный линейный выход Линейные выходы. будет идеальным решением Вашей задачи.,
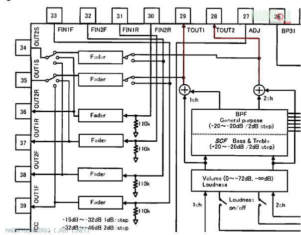
Потратил 2 дня на поиск в нете. Короче у меня стоит проц BD3426K от ROHM. Нашел схемку алпайна 9843, там как у меня походу все. А также даташит на проц.
Проблема в том, что на основной усилитель выходят всего 2 канала - R и L. После чего делятся на фходы фейдеров FL,FR,RL,RR, с помощью которых и происходит регулировка мощности. Таким образом. Мы имеем деление уже ВУ сигнала. Если же брать НУ сигнал, то для него имеется только пара фейдеров - FL,FR. Таким образом не вижу возможности создать отдельно регулируемых НУ выходов.
Печально. Такой аппаратик хороший, так производитель подвел(((. У 100 баксовых голов китаезы делают по 4 линейки, а тут нет(((
22.06.2014, 19:13
Novichok64
Re: Снова несколько вопросов от Кофэйника. ГУ+усь. Внимание много текста!
Еще вопрос по работе уся(Kicker zx 650.4). Кроссоверы и усилители сигнала(gain,HI/Lo50-200,bassboost) для пар входов amp1 amp2 стоят уже на выходе уся, или на входе? То есть если использовать встроенный разветвитель уся и подключить по одному НУ-входу(amp1), могу ли я обрезать амр1 скажем для работы фронта, а амр 2 для работы тыла? Или все 4 канала будут работать по кроссам амр1?
Пока вижу 2 с половиной варианта:
1. Включить Усь по ВУ-входам, с сохранением регулировок R/L+ F/R.
2. Включить по 1 паре НУ, используя встроенный разветвитель в усе. Тогда остается регулировка R/L, а регулировать Front/Rear не получится, что печально. Ведь неизвестно как будут играть динамики с усем. Может блины будут фронт перекрывать.(((
2 с половиной. Заменить ГУ...
22.06.2014, 21:24
gena60
Re: Снова несколько вопросов от Кофэйника. ГУ+усь. Внимание много текста!
Цитата:
Сообщение от Novichok64
Потратил 2 дня на поиск в нете. Короче у меня стоит проц BD3426K от ROHM. Нашел схемку алпайна 9843, там как у меня походу все.
Я бы пошёл от обратного:-скачал бы даташиту выходной микрухи для начала и от входов на неё плясал по схеме до ОУ-более и менее трудоёмкий вопрос,не вдаваясь в высокие подробности.Не думаю что эти преобразования обеспечивает выходная УЗЧ микросхема,мало в это верится(по любому на неё приходит все четыре канала,отдельного канала на саб может и не быть,но линейный выход распаять можно).,
22.06.2014, 22:48
Novichok64
Re: Снова несколько вопросов от Кофэйника. ГУ+усь. Внимание много текста!
Млин, я что-то упустил? Саму магнитолку не разбирал. Пользовался только схемами. Судя по ним с проца выходят 2 канала, усиливаются, потом уже делятся на 4 канала(2 пары одинаковых), снова ныряют в проц., где уже идёт окончательная регулировка уровня сингала фейдерами и они становятся отдельными каналами. И судя по схеме, все каналы идут на разьемы непосредственно с проца. Как RCA так и ВУ.
23.06.2014, 00:24
gena60
Re: Снова несколько вопросов от Кофэйника. ГУ+усь. Внимание много текста!
Цитата:
Сообщение от Novichok64
Млин, я что-то упустил? Саму магнитолку не разбирал. Пользовался только схемами. Судя по ним с проца выходят 2 канала, усиливаются, потом уже делятся на 4 канала(2 пары одинаковых), снова ныряют в проц., где уже идёт окончательная регулировка уровня сингала фейдерами и они становятся отдельными каналами. И судя по схеме, все каналы идут на разьемы непосредственно с проца. Как RCA так и ВУ.
Если честно,то уже сложно говорить на техническом уровне понимания того, о чём идёт речь-это для Вас не доступно.Забудем все рекомендации и оставим это на начальном уровне(я уже виню себя за глубокое проникновение в суть схемотехники,может зря в это решение стал вникать и объяснять),но так иногда бывает,к сожалению.Мой совет-обратитесь к специалистам-они это сделают быстро и правильно.Сложно написать многолетний опыт в одном сообщении......,
23.06.2014, 08:28
Novichok64
Re: Снова несколько вопросов от Кофэйника. ГУ+усь. Внимание много текста!
Цитата:
Сообщение от gena60
Если честно,то уже сложно говорить на техническом уровне понимания того, о чём идёт речь-это для Вас не доступно.Забудем все рекомендации и оставим это на начальном уровне(я уже виню себя за глубокое проникновение в суть схемотехники,может зря в это решение стал вникать и объяснять),но так иногда бывает,к сожалению.Мой совет-обратитесь к специалистам-они это сделают быстро и правильно.Сложно написать многолетний опыт в одном сообщении......,
Согласен, сложно(если вообще возможно) объяснить сложный ускоспециализированный вопрос человеку, который с этим не сталкивался.
И все же спасибо за уделенное время! :thank_you:
Будем искать спецов.
23.06.2014, 22:43
gena60
Re: Снова несколько вопросов от Кофэйника. ГУ+усь. Внимание много текста!
Цитата:
Сообщение от Novichok64
Будем искать спецов.
Это будет правильным решением в Вашем вопросе всегда.,
26.06.2014, 22:44
Novichok64
Вложений: 1
Re: Снова несколько вопросов от Кофэйника. ГУ+усь. Внимание много текста!
Поздравьте меня! Разобрался таки. Хватило регистрации на форуме по ремонту магнитол и часового изучения сервис-мануала!
Короче, на плате все уже давно есть: изначально проектировались 6 линеек. Только компоненты установлены только для саба. (Эх, маркетинг-маркетинг). Гена, ты был прав.
Цитата:
Сообщение от gena60
Из практики некоторые модели имеют внутри рыбу для фронтального канала,но не задействованы в данном девайсе(это идеальный вариант будет для осуществления),но если взять с ОУ(операционный усилитель) этот выход с него и осуществить самостоятельно дополнительный линейный выход Линейные выходы. будет идеальным решением Вашей задачи.,
Осталось купить 4 кондея 2,2 мкФ и резисторы 220 на 1/8 Вт и 100 на 1/8 Вт. Да, еще 4 RCA. и готово).
Один вопрос только: родные кондеи стоят электролиты 2R2-1h (2.2 мкФ) Посоветуйте какие мне поставить?
такие же или лучше пленочные?
И есть ли рекомендации по RCA(лежат несколько разъемов с проводами, но без экрана и то ли из нержа то ли луженые - белый металл). Норм будет?