по кроссоверам для focal 130 a1
У кого есть кроссоверы для focal 130 a1? Кто может сфотографировать обратную сторону платы, где дорожки?
Есть акустика а кроссов нет. Городить самому не хочу. Т.к. аккустика специфическая. АЧХ с горбом на частоте среза. Шаг влево, шаг вправо и провал или горб.
выручайте пожалуйста. Фото элементов сверху есть. Снизу нет.
Re: по кроссоверам для focal 130 a1
Цитата:
Сообщение от
Mihaelshu
Фото элементов сверху есть. Снизу нет.
ну так для начала и покажи их !!!
Вложений: 2
Re: по кроссоверам для focal 130 a1
Вложение 725360
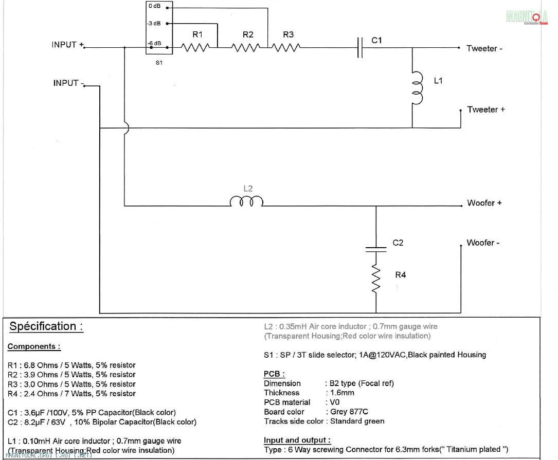
Есть схема 165 a1
Вложение 725362
По ее подобию может получится состряпать для 130 a1?
Типа вбить параметры динов в прогу, задать частоту среза и подставить параметры кондеров. Вроде как на выходе можно получить индуктивность катушек.
Ну а далее купить кондеры и намотать катушки
А фото снизу надо, что бы мозг не вынести рисовав самому плату. Лет 20 этим не занимался
Re: по кроссоверам для focal 130 a1
Цитата:
Сообщение от
Mihaelshu
Вложение 725360
Есть схема 165 a1
Вложение 725362
По ее подобию может получится состряпать для 130 a1?
Типа вбить параметры динов в прогу, задать частоту среза и подставить параметры кондеров. Вроде как на выходе можно получить индуктивность катушек.
Ну а далее купить кондеры и намотать катушки
А фото снизу надо, что бы мозг не вынести рисовав самому плату. Лет 20 этим не занимался
ни чего не понимаю...... а что тебе ещё нужно, у тебя же всё есть, накой тебе фото обратной стороны платы?
Re: по кроссоверам для focal 130 a1
что бы не намудрить
---------- Сообщение добавлено 05.03.2015 в 13:59 ----------
Если уж на то пошло, стряпать новый кроссовер. Можно и сделать "апгрейд". Заменить твитер на шелковый?
Или что еще лучше, купить акустику 16 дюймов с шелковыми твитерами с кроссовером со срезом на 5 кГц ? Или плавно не состыкуется? (хотелось бы оставшиеся 16 см. динамики назад поставить, т.е. один выстрел - два зайца)?
И кто посоветует буджетную акустику на 16 со срезом 5 кГц?
---------- Сообщение добавлено 05.03.2015 в 14:08 ----------
Если уж на то пошло, стряпать новый кроссовер. Можно и сделать "апгрейд". Заменить твитер на шелковый?
Или что еще лучше, купить акустику 16 дюймов с шелковыми твитерами с кроссовером со срезом на 5 кГц ? Или плавно не состыкуется? (хотелось бы оставшиеся 16 см. динамики назад поставить, т.е. один выстрел - два зайца)?
И кто посоветует буджетную акустику на 16 со срезом 5 кГц?
Re: по кроссоверам для focal 130 a1
Нашел в магазинах шелковый твитер Ural AS-C0114
Играет от 7500 Гц. Как раз у Focal 130 спад с 7500 Гц.
Может просто его добавить? Поканально. Т.е. твитеры воткнуть в "тыл" и регулировать уровень.
Ну и низа подрезать на магнитоле
Стоит ли попробовать?