Вложений: 1
Нужна помощь в подключении магнитолы AGC-1220Rf-a (от Ларгуса)
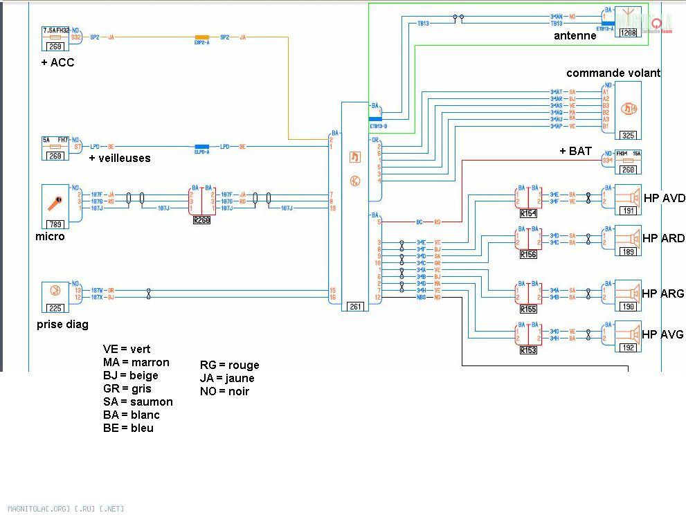
Добрый день всем! Принесли тут вышеозначенную магнитолку, пытался сделать пробное подключение на столе, получилось, схема приведена
Вложение 890468
Нижнюю фишку подключился только плюс и массу, без динамиков, а вот с верхней вопросы, куда и что подключать, если можно, подробно ,так как просто полюса и минуса на нижней не хватает, т.е. магнитола не работает. Если на верхнюю фишку (не та, где антенна, а где много контактов) подать плюс на контакт 1, то загорается подсветка кнопки включения и все, аппарат не реагирует ни на какие нажатия...
Re: Нужна помощь в подключении магнитолы AGC-1220Rf-a (от Ларгуса)
Цитата:
Сообщение от
Nafnaf
пытался сделать пробное подключение на столе, получилось,
Цитата:
Сообщение от
Nafnaf
так как просто полюса и минуса на нижней не хватает, т.е. магнитола не работает
Это как?