Вложений: 2
Нужна помощь с подключением и совет по компонентам
Добрый день, прошу помочь со схемой подключения компонентов.
Машина ford mustang 2013 со штатной системой shaker 500
В дверях стоят: мид басс ЗЯ на обшивке, на метале двери кластер из сч и твиттера(играет в полость двери) , по усилку на каждую сторону.
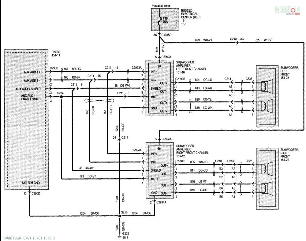
Собственно не могу понять смогу ли я подключить усилитель и 3х полосный фронт. Подскажите пожалуйста реализуемо ли подключение при текущей схеме к усилителю или обязательно нужен процессор, схему прикрепляю.
Вложение 1024242Вложение 1024244
Re: Нужна помощь с подключением и совет по компонентам
углубился в тему и понял что без принципиальной схемы наверное никто ответ не даст.
Собатвенно просьба , подскажите пожалуйста контакты людей кто модет выпаять линейные выходы?
Re: Нужна помощь с подключением и совет по компонентам
Цитата:
Сообщение от
Darkz
Подскажите пожалуйста реализуемо ли подключение при текущей схеме к усилителю или обязательно нужен процессор, схему прикрепляю.
Audison bit ten будет в подмогу, для реализации Вашего трабла.,
Вложений: 2
Re: Нужна помощь с подключением и совет по компонентам
Собственно отдал магнитолу на вывод линейников и движемся дальше.
Нужен совет, как лучше подобрать компоненты.
Дано ЗЯ с 8" вуфером на обшивке, объем 8-9л.
На метале двери под обшивкой кластер в формате 5*8" состоящий из 5" сч(а может это мид) и твиттера.
Как эфективно разместить 2х или 3х полосную систему?
1 вариант: в зя 2саба 8", на дверь (через подиум, что бы максимально к обшивке) мид и в стойки твиттер
2 в зя низко играющий мид (например вархед, кстати хватит ему объема?) , на обшивку сч, на стойку твиттер
Re: Нужна помощь с подключением и совет по компонентам
Цитата:
Сообщение от
Darkz
в зя низко играющий мид (например вархед, кстати хватит ему объема?) , на обшивку сч, на стойку твиттер
этого достаточно будет.,
Re: Нужна помощь с подключением и совет по компонентам
Цитата:
Сообщение от
gena60
этого достаточно будет.,
Спасибо. Если не трудно посоветуйте пожалуйста конкретные примеры компонентов(бюджет миды 5-8 тыс, сч 3-5, твитер 3)
Re: Нужна помощь с подключением и совет по компонентам
Цитата:
Сообщение от
Darkz
Если не трудно посоветуйте пожалуйста конкретные примеры компонентов
Твитер URAL Warhead Tweeter
http://magnitola.org/ural/273074-ural-w165mb.html
Re: Нужна помощь с подключением и совет по компонентам
Цитата:
Сообщение от
gena60
Еще раз большое спасибо !
Позвольте вас еще помучать:)
1 8л ЗЯ вархедам 165мб нормально будет?
2 верно ли я понимаю что для работы 165мб , так как у них имп 4 ома, то нужен усилитель который выдает не менее чем 120ват(на 30% меньше чем заявленная мощность динамика, дабы не сжечь) , в режиме 4 ом? То есть смотреть именно на мошность в 4х омном режиме?
Re: Нужна помощь с подключением и совет по компонентам
Цитата:
Сообщение от
Darkz
Еще раз большое спасибо !
Позвольте вас еще помучать:)
1 8л ЗЯ вархедам 165мб нормально будет?
2 верно ли я понимаю что для работы 165мб , так как у них имп 4 ома, то нужен усилитель который выдает не менее чем 120ват(на 30% меньше чем заявленная мощность динамика, дабы не сжечь) , в режиме 4 ом? То есть смотреть именно на мошность в 4х омном режиме?
8 литров вархедам очень мало, при том зя... Отбросьте этот вариант....
---------- Сообщение добавлено 13.07.2016 в 22:34 ----------
Цитата:
Сообщение от
Darkz
Еще раз большое спасибо !
Позвольте вас еще помучать:)
1 8л ЗЯ вархедам 165мб нормально будете?
2 верно ли я понимаю что для работы 165мб , так как у них имп 4 ома, то нужен усилитель который выдает не менее чем 120ват(на 30% меньше чем заявленная мощность динамика, дабы не сжечь) , в режиме 4 ом? То есть смотреть именно на мошность в 4х омном режиме?
8 литров вархедам очень мало, при том зя... Отбросьте этот вариант....
Re: Нужна помощь с подключением и совет по компонентам
Цитата:
Сообщение от
Darkz
То есть смотреть именно на мошность в 4х омном режиме?
При нормальном контроле за поведением динамика и 135Вт будет не много,а это самое главное.
Цитата:
Сообщение от
Darkz
8л ЗЯ вархедам 165мб нормально будет?
Это мало,в 15 литрах динамик ведёт себя прекрасно.,