-
Вложений: 2
Активные фильтры в усилителе
Вложение 141907 Вложение 141953Имеется усилитель пионер CM-Х904 (А класс). В нем есть в верхнем правом углу плата активного кросса, регулировки от 50-120 Гц. Подскажите пожалуйста как эту регулировку увеличить в 10 раз т.е что бы можно было регулировать от 500-1200 Гц?
-
Re: Активные фильтра в усилителе
Кто слушал или сталкивался с этим усилителем? Хочу узнать мнения об усилителе.
-
Re: Активные фильтра в усилителе
Hertz66, в общих чертах - уменьшить частотозадающие емкости в фильтрах в 10 раз. (Надо схему) Середку вырезать надо?;)
-
Re: Активные фильтра в усилителе
Ага хочу низы отрезать. Мне очень нравится как он играет. хочу поставить в 2.5 полосу на СЧ/ВЧ.
---------- Сообщение добавлено 11.10.2011 в 21:13 ----------
Подскажите плиз изза чего происходит плавная регулировка среза изза патанциометра (плавного изменения сопративления)? Схема самая обычная получается конденсаторы и сопративления.
-
Re: Активные фильтра в усилителе
Потенциометр входит в состав RC цепей, которые определяют частоту среза ФВЧ (или ФНЧ). Изменяя сопротивление потенциометра мы плавно изменяем частоту. Если изменять номиналы конденсатора в этой цепи, то частота тоже будет меняться. НО! При замене номиналов конденсаторов могут возникнуть определенные проблемы.
Hertz66, на Вашем уровне знания электроники (извините за прямоту), я бы не стал соваться в потроха усилителя. Убьёте аппарат, и только. Отдайте спецу. (Только действительно специалисту! А не "у мну есь друхх, он ф тилипонах и утюгах шарит, ему отдам!" :) )
-
Вложений: 1
Re: Активные фильтра в усилителе
Вложение 142101 И еще такой вопросик. Кто знает что это за переключатель на плате? В нем два положения и буквенные обозначения L и H, на звук вроде не влияет:scratch_one-s_head:
-
Re: Активные фильтра в усилителе
Этот переключатель стоит вроде бы у м\сх драйвера силовых ключей БП. Рискну предположить, что он изменяет частоту переключения (частоту на которой работает ИБП). L - low, низкий, H-high, высокий. (Опять же - без схемы разговор "ни о чем").
-
Re: Активные фильтра в усилителе
А вы не знаете где можно достать схему? Если это то о чем вы думаете, то в какое положение лучше поставить?
-
Re: Активные фильтра в усилителе
Цитата:
Сообщение от
Hertz66
А вы не знаете где можно достать схему?
1. Задать вопрос здесь, на форуме, отдельной темой.
2.То же самое на Блюзмобиле и Вегалабе.
Цитата:
Сообщение от
Hertz66
Если это то о чем вы думаете, то в какое положение лучше поставить?
Если нет наводок на прием радио в FM диапазоне, то всё равно. :)
-
Re: Активные фильтра в усилителе
Скорее всего так и есть при переключении появляется еле еле заметные наводки. Спасибо большое!
-
Re: Активные фильтра в усилителе
Пожалуйста! Рад был помочь! :)
-
Вложений: 1
Re: Активные фильтра в усилителе
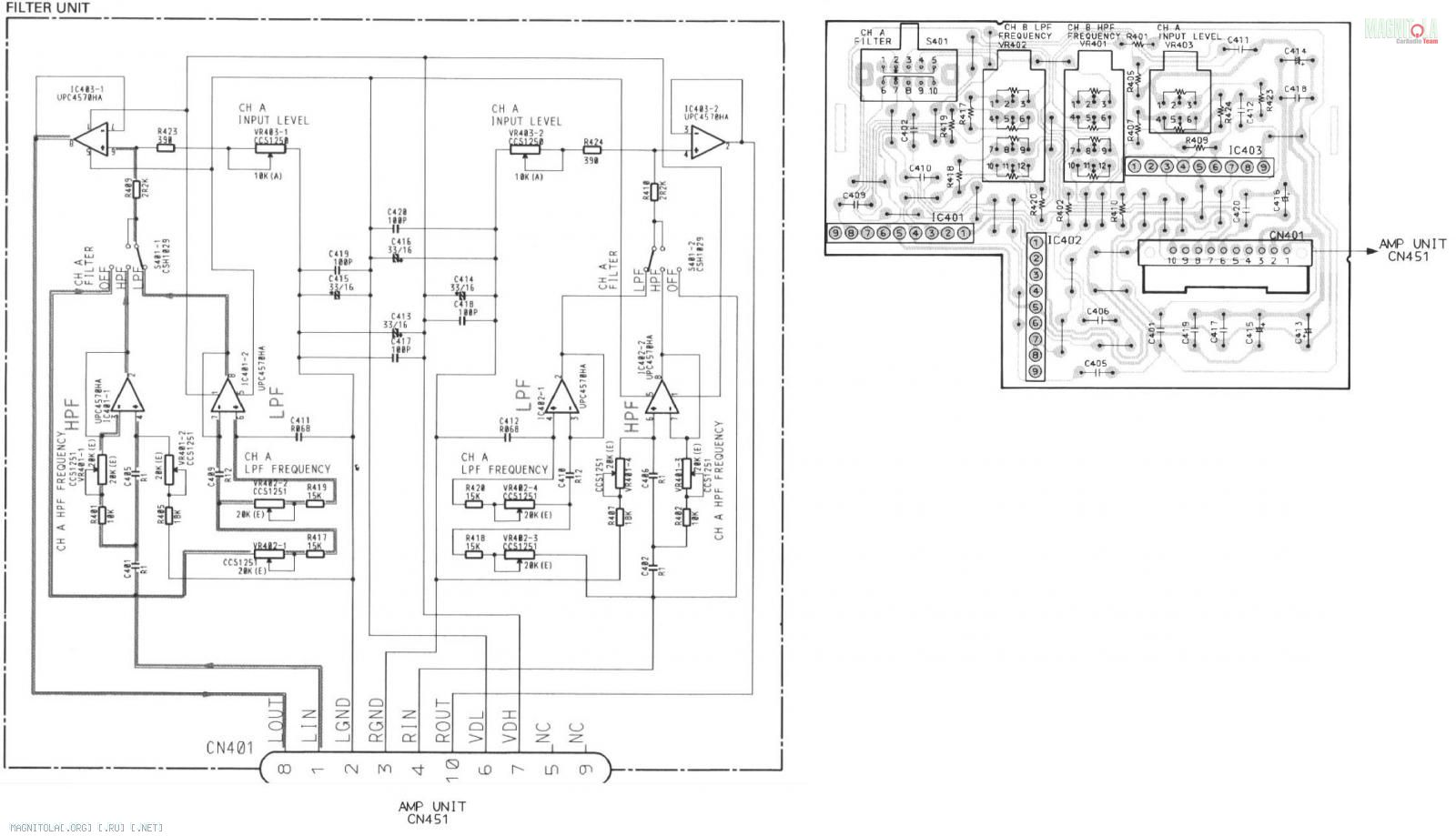
Хух коекак нашел схему кроссовера, помогите плиз что нужно заменить что бы регулеровки среза увеличились в 10 раз (LPF не нужен!) можно даже третий порядок сделать:) Вложение 142169
-
Re: Активные фильтра в усилителе
а почему-бы просто не поставить активный кроссовер? я щас с такой-же проблеммой мучаюсь...)
-
Re: Активные фильтра в усилителе
Есл так не получится я вообще обрежу цепь активного кросса на усилителе и сделаю пассивные. Отдельный активный крос это лишние линейники, соединения, лишнее вмешательство в звуковой тракт.
-
Re: Активные фильтра в усилителе
Цитата:
Сообщение от
Hertz66
это лишние линейники, соединения, лишнее вмешательство в звуковой тракт.
Но результат очень хорош. По сравнению с тем, что на схеме. :-) Где-то на Вегалабе была тема по активному фазолинейному кроссу для трехполоски (домашней, но какая разница). Автор предлагал к продаже собранные и настроенные платы.
---------- Сообщение добавлено 12.10.2011 в 22:10 ----------
Hertz66, уменьшаем в 10 раз емкости С401,С402, С405, С406.
(Но внешний активный кросс (грамотно сделанный!) на голову выше! Единственный недостаток - фиксированная частота раздела. Но зато спад на частоте раздела не в пример выше.))
---------- Сообщение добавлено 12.10.2011 в 22:14 ----------
Вот ссылка по активному кроссу.http://www.vegalab.ru/forum/showthre...B5%D1%80%D0%B0.
-
Re: Активные фильтра в усилителе
А что бы 3 порядок сделать нужно добавить резистор и кандер или еще чтото?
-
Re: Активные фильтра в усилителе
Hertz66, если в общих чертах - да. Найдите программу Audiokiller`а по расчету активных фильтров.
Вот.http://www.electroclub.info/samodel/two_way_cross.htm
(Будь у Вас навыков и знаний побольше, можно было бы плату ФВЧ сделать по размеру имеющейся. Но опять же - речь идет о нерегулируемом фильтре. С регулировкой частоты среза ФВЧ 3 порядка потенциометром - гемор солидный.)
-
Re: Активные фильтра в усилителе
Хорошо оставлю второй порядок и попробую уменьшить эти емкости. Спасибо большое еще раз!
---------- Сообщение добавлено 13.10.2011 в 10:54 ----------
Тут еще такое дело. :smile3: Захотелось твикнуть его (заменить ОУ, кондеры и даже транзисторы) Искал улучшенные аналоги и ничего лучшего не нашел по сравнению с тем что в нем стоит. Остается только кондеры поменять. Подскажите плиз обязательно ли менять конденсаторы (на более качественные или большей емкости) на БП и на вторичке (усилитель используется для СЧ и ВЧ)? И еще такой вопрос что такое ток смещения в ОУ? Как правильно подобрать улучшенный аналог ОУ без переделки объвязки ОУ?
-
Re: Активные фильтра в усилителе
Цитата:
Сообщение от
Hertz66
Хорошо оставлю второй порядок и попробую уменьшить эти емкости. Спасибо большое еще раз!
---------- Сообщение добавлено 13.10.2011 в 10:54 ----------
Тут еще такое дело. :smile3: Захотелось твикнуть его (заменить ОУ, кондеры и даже транзисторы) Искал улучшенные аналоги и ничего лучшего не нашел по сравнению с тем что в нем стоит. Остается только кондеры поменять. Подскажите плиз обязательно ли менять конденсаторы (на более качественные или большей емкости) на БП и на вторичке (усилитель используется для СЧ и ВЧ)? И еще такой вопрос что такое ток смещения в ОУ? Как правильно подобрать улучшенный аналог ОУ без переделки объвязки ОУ?
Транзисторы трогать не стоит. У меня 3 2-ух канальника из этой же линейки (х602 и 2 - х702), я менял все электролиты на ничикон FW и FG, и эльну церафайн. Кондера в ПН не трогал. В качестве разделительных использовал неполярные ничикон муз es. Опера осознанно поменял на NE5532, мне нравится их звуковой подчерк, плюс нетребовательные они. Получилось очень хорошо. Имхо с легкостью переигрывают поверамперы PA...
-
Вложений: 1
Re: Активные фильтра в усилителе
Транзисторы не буду менять, там и так стоят дорогие, хорошие. Покажите пожалуйста на фото какие кандеры нужно поменятьВложение 142407 А элна силмик 2 не лучше будут?
Покажите еще где стоят разделительные кандеры. За ранее благодарю. К стате при этом измениться переходное затухание в лучшую сторону или этот параметр не изменится от замены кандеров?
-
Re: Активные фильтра в усилителе
Скорее всего на переходное затухание замена конденсаторов не повлияет. :)
А чем Вам так не угодил этот параметр? Плюньте! Того, что есть - достаточно.
Есть полная схема? По ней можно точно написать какие из конденсаторов разделительные.
-
Re: Активные фильтра в усилителе
Переходное затухание у него 71Дб я думаю тоже достаточно.
Есть очень хорошая схема только в PDF. Какая именна часть схемы нужна? Каскад или питание? или как можно скинуть вам файл?
---------- Сообщение добавлено 13.10.2011 в 17:56 ----------
Вот ссылка http://www.fayloobmennik.net/1066041 Схема на 5 странице
-
Re: Активные фильтра в усилителе
Скачал. Позже отпишусь.
---------- Сообщение добавлено 13.10.2011 в 18:53 ----------
Hertz66, почитал Ваши посты по току покоя. Не надо лезть в усилитель! Даже замена конденсаторов должна производиться человеком, имеющим достаточный опыт пайки и знание основ электроники. Не трогайте сами ничего. Или,перед тем как лезть в усилитель, киньте на него прощальный взгляд... Ведь его больше не будет! А ремонт обойдется в стоимость такого же аппарата. Если Вам не жалко усь, то опыты на нём лучше начать сидя у помойного ведра, чтобы потом недалеко идти было...
:)
-
Re: Активные фильтра в усилителе
Зря вы все так думаете, я нормально дружу с паяльником просто мало теории. схему читать умею. Плюс с минусом отличаю. Ток покоя не знал как замерить, теперь знаю, ничего не спалил. Был старый усилитель фьюжен. как над ним только не издевался впаивал выпаивал все работало,немного даже улучшил звучание.
---------- Сообщение добавлено 13.10.2011 в 19:09 ----------
Чтоб заменить конденсаторы не нужно много знаний, главное полярность не перепутать :)
Кстате лет 5 назад когда я обсолютно ничего не знал про электротехнику я заказывал большой набор мастеркит двухканального усилителя, спаял его и он отлично работал.
Жду от вас схему с разметкой разделительных конденсаторов или просто номер напишите. Мне еще операционники перепаивать, не пугайте так сильноВ-). Заранее огромное спасибо:)
-
Re: Активные фильтра в усилителе
Цитата:
Сообщение от
Hertz66
Транзисторы не буду менять, там и так стоят дорогие, хорошие. Покажите пожалуйста на фото какие кандеры нужно поменять
Вложение 142407 А элна силмик 2 не лучше будут?
Покажите еще где стоят разделительные кандеры. За ранее благодарю. К стате при этом измениться переходное затухание в лучшую сторону или этот параметр не изменится от замены кандеров?
Если бюджет позволяет можно и силмик2. Переходное затухание не изменится.
Что касается разделительных...
Надо заменить С855, С856, С857, С858 - там стоят 10мкф/16в.
И еще С101, С151, С201, С251 - там стоят 47мкф/10в.
-
Re: Активные фильтра в усилителе
Цитата:
Сообщение от
Alexviv80
Надо заменить С855, С856, С857, С858 - там стоят 10мкф/16в.
И еще С101, С151, С201, С251 - там стоят 47мкф/10в.
Добавлю С105, С205 . ООС. ;)
Цитата:
Сообщение от
Hertz66
Зря вы все так думаете, я нормально дружу с паяльником просто мало теории. схему читать умею
Ну и отличненько! "Кто предупрежден, тот вооружен!"
-
Re: Активные фильтра в усилителе
-
Re: Активные фильтра в усилителе
Цитата:
Сообщение от
LepekhinV
Добавлю С105, С205 . ООС. ;)
Плюс С155 и С255.
Да, тут вполне можно и нужно силмик ставить. Я на своих сюда ставил серафайны
А вообще пионер х904 и ODR RS-A50 братья-близнецы. Схемотехника таже, только ОДР по сути заводской твик этого пионера. Там опера стоят не5532 (из за чего я и в свои поставил, нравится одр-овский звук) и конденсаторы эльна серафайн
-
Re: Активные фильтра в усилителе
Hertz66, если Вы оставите усилитель играть в полную полосу, то емкость С105,С205 я бы увеличил до 220 мкФ (можно и до 470, но надо смотреть, не будет ли возбуда по )НЧ. Если как Вы и хотели СЧ-ВЧ - можно оставить номинал без изменения.
---------- Сообщение добавлено 13.10.2011 в 19:55 ----------
Alexviv80, а не пробовали OPA2132\34? Или - не Ваш звук?
-
Re: Активные фильтра в усилителе
ОУ еще вообще не менял родные стоят NJM 2068D 27 рублей стоят хочу однозначно их заменить только не знаю на какие и как правильно их подбирать. Вы уже советовали 5532 впринципе по характеристикам не сильно отличаются их наверно и поставлю, а вот остальные ОУ сильно отличаются от параметров стокового.
-
Re: Активные фильтра в усилителе
Цитата:
Сообщение от
LepekhinV
Alexviv80, а не пробовали OPA2132\34? Или - не Ваш звук?
Нет, не ставил. В общем, честно говоря, мне ОРА2134 просто не нравится, ОРА2132 уже лучше, но всё равно не то. Нравятся АД826 и LM4562, но там нужно обязку изменять под них, ибо капризные. В принципе я впаял кроватки, так что свобода для творчества есть, но пока и так устраивает.
-
Re: Активные фильтра в усилителе
Если заменю на NE5532AP нормально будет? Есть еще что нибудь круче, но так что бы без дороботки объвязки? ОУ NE5532 проверенный вариант хорошо, долго работало? :)
-
Re: Активные фильтра в усилителе
Цитата:
Сообщение от
Hertz66
Если заменю на NE5532AP нормально будет? Есть еще что нибудь круче, но так что бы без дороботки объвязки? ОУ NE5532 проверенный вариант хорошо, долго работало? :)
Самый простой способ это выпаять эти 2068 и выкинуть их, впаять кроватки вместо них и пробовать разные оу. Может так произойти что и АД826 нормально заиграют, тут не угадаешь :-) NE5532 это проверенный вариант, многие его хают на чём свет стоит, но однако-ж он применяется в очень большом кол-ве популярных усилителей. Теже поверамперы и аудио систем твистеры например...
-
Re: Активные фильтра в усилителе
Скинте ссылку на кроватки хочу глянуть как они выглядят. Я не понял так получается любые можно воткнуть и ничего не сгорит? Надо же наверно както подобрать белее менее похожие по характеристикам на заводские?
Вы еще писали что нужно заменить С105, С205, а С 155 и С 255 не надо что ли? :)
---------- Сообщение добавлено 13.10.2011 в 20:30 ----------
Совсем забыл спросить а рубикон плохие чтоли конденсаторы? Хуже чем ничикон ?
---------- Сообщение добавлено 13.10.2011 в 20:35 ----------
А если резисторы поменять на более качаственные или нет смысла? Например возле разделительного конденсатора рядом стоит резистор, если кандер и этот резистор заменить на какой нибудь карбон/силикон будет разница?
-
Вложений: 1
Re: Активные фильтра в усилителе
Вернусь к прошлому вопросу по поводу увеличения частоты в 10 раз. Вложение 142641 Это плата кроссовера. Можно эти плоские коричневые конденсаторы заменить на баченки? на сколько они вольт примерно?
-
Re: Активные фильтра в усилителе
Цитата:
Сообщение от
Hertz66
Скинте ссылку на кроватки хочу глянуть как они выглядят. Я не понял так получается любые можно воткнуть и ничего не сгорит? Надо же наверно както подобрать белее менее похожие по характеристикам на заводские?
Вы еще писали что нужно заменить С105, С205, а С 155 и С 255 не надо что ли? :)
---------- Сообщение добавлено 13.10.2011 в 20:30 ----------
Совсем забыл спросить а рубикон плохие чтоли конденсаторы? Хуже чем ничикон ?
---------- Сообщение добавлено 13.10.2011 в 20:35 ----------
А если резисторы поменять на более качаственные или нет смысла? Например возле разделительного конденсатора рядом стоит резистор, если кандер и этот резистор заменить на какой нибудь карбон/силикон будет разница?
Надо смотреть по напряжению питания ОУ. Да в целом пригодных для аудиоприменеия не так и много, тем более в DIP8 корпусировке.
С155 и С255 тоже надо менять.
Рубиконы хорошие кондера, но в данном случае это обычные линейки, т.н. общего пользования. Аудио линейки от эльны и ничикона будут интереснее.
Замена резисторов это уже скорее эзотерика :) Думаю смысла нет
-
Re: Активные фильтра в усилителе
Напряжение ОУ у штатных 2068 D ±4...±18 В. Аналогов по напряжению 2 или 3. На остальные параметры можно не смотреть?
---------- Сообщение добавлено 13.10.2011 в 21:02 ----------
Один Hi end резистор Shinkoh стоит 320 рублей:laugh2: Чтоб их все заменить тыщ 10 нада3Ы 3Ы 3Ы
-
Re: Активные фильтра в усилителе
Цитата:
Сообщение от
Hertz66
Можно эти плоские коричневые конденсаторы заменить на баченки?
Нет. Тут вообще бы лучше Wima\Rifa\Epcos пленка подошла.
-
Вложений: 1
Re: Активные фильтра в усилителе
Вложение 143089А такие пленочные Epcos подойдут? Других похожих не могу найти только керамические.
-
Re: Активные фильтра в усилителе
Подойдут.(Хоть и лавсан, но все же)
Цитата:
Сообщение от
Hertz66
Других похожих не могу найти
Обычное дело. Но интернет поможет. ;)