Вложений: 2
 Схема задержки включения.
  Собрался тут поставить в задний свет маломощный ксенончик 2*21W. И пришла мысль: коробка-то автомат, а что с ним будет при попытках включиться при переходе из положения P в D по-нескольку раз в день? Стал искать, вроде, тривиальную схемку задержки в инете, но долго не мог встретить подходящую: в основном, в них используются электролиты, что делает работу нестабильной и зависимой от температуры, а так же реле. Наконец, нашел вот такое решение, чуть кастрировал еще, исходя из условий использования а авто:
 Вложение 337674
 Схема рассчитана на коммутацию нагрузки током до 40А, питающейся от источника тока напряжением 4-20V.В момент включения мощный полевой ключевой транзистор VT1 закрыт, так как напряжение на его затворе менее 2V. Но, через цепь R1-R2 начинает заряжаться конденсатор С1. Скорость зарядки данного конденсатора зависит от величины сопротивления R2 и его емкости. Спустя некоторое время напряжение на С1 достигает 2V и транзистор открывается, подавая питание на нагрузку. После выключения питания происходит ускоренный разряд С1 через открывшийся диод VD1 и разрядный резистор R3.
Схемка настолько проста, что не требует никаких травлений плат, у меня в навесном монтаже это выглядит так:
 
 Вложение 337680 
Вот видео, от 9V Кроны задержка получается чуть побольше, в машине будет оптимальной, но при желании можно поиграть емкостью конденсатора.
 http://www.youtube.com/watch?v=pCQ0RQDaPEk
На практике идею пока не реализовал, жду лампы нужной температуры, но, думаю, проблем не будет. Единственно, можно потестить устройство при подключенной нагрузке и, если полевик будет греться, напаять на него небольшую пластинку в качестве радиатора. Конечно, если коммутировать большую нагрузку, можно использовать еще и реле. Все явки и пароли постарался дать (например, расположение выводов элементов), так что данное устройство доступно выполнить и новичку. Кстати, встречал раздраженные отзывы владельцев ГУ с камерой заднего вида, которые тоже начинают моргать экраном в момент перехода рычага КПП через положение R. Им это решение тоже поможет. 
 
 
     Re: Схема задержки включения.
  А можно ли подобрать номиналы элементов так, чтобы эта схемка работала ещё и с задержкой выключения? Не помню для чего, но совсем недавно ооочень желал такую фичу реализовать. Вспомню для чего - скажу:)
     Re: Схема задержки включения.
   Цитата:
  
 
				Сообщение от 
kastett  
 Собрался тут поставить в задний свет маломощный ксенончик 2*21W. И пришла мысль: коробка-то автомат, а что с ним будет при попытках включиться при переходе из положения P в D по-нескольку раз в день? Стал искать, вроде, тривиальную схемку задержки в инете, но долго не мог встретить подходящую: в основном, в них используются электролиты, что делает работу нестабильной и зависимой от температуры, а так же реле. Наконец, нашел вот такое решение, чуть кастрировал еще, исходя из условий использования а авто:
 Вложение 337674
На практике идею пока не реализовал, жду лампы нужной температуры, но, думаю, проблем не будет. Единственно, можно потестить устройство при подключенной нагрузке и, если полевик будет греться, напаять на него небольшую пластинку в качестве радиатора. Конечно, если коммутировать большую нагрузку, можно использовать еще и реле. Все явки и пароли постарался дать (например, расположение выводов элементов), так что данное устройство доступно выполнить и новичку. Кстати, встречал раздраженные отзывы владельцев ГУ с камерой заднего вида, которые тоже начинают моргать экраном в момент перехода рычага КПП через положение R. Им это решение тоже поможет. 
 
 
    Твой транзистор без радиатора выдержит максимум 6 ампер. Обязательно прицепи радиатор 50-70 кв.см. Максимальный ток 30 ампер. Я бы лучше применил IRF3205. И в процессе включения транзистор будет греться - он включается не мгновенно, работает в линейном режиме.
     Re: Схема задержки включения.
   Цитата:
  
 
				Сообщение от 
fox proteus  
 А можно ли подобрать номиналы элементов так, чтобы эта схемка работала ещё и с задержкой выключения? Не помню для чего, но совсем недавно ооочень желал такую фичу реализовать. Вспомню для чего - скажу:)
 
    Ну на паре резюков семь шапок, наверное, не сварганишь) Здесь лучше использовать что-то более специализированное, например, микросхему-таймер NE555.
 http://yandex.ru/yandsearch?text=%D1...ll=1&noreask=1
 
 ---------- Сообщение добавлено 04.02.2013 в 09:37 ----------
 
  Цитата:
  
 
				Сообщение от 
Garmin  
 Твой транзистор без радиатора выдержит максимум 6 ампер.
 
    Так мне больше, вроде, и не надо, но радиатору-быть.
     Re: Схема задержки включения.
   Цитата:
  
 
				Сообщение от 
fox proteus  
 А можно ли подобрать номиналы элементов так, чтобы эта схемка работала ещё и с задержкой выключения? Не помню для чего, но совсемнедавно ооочень желал такую фичу реализовать. Вспомню для чего - скажу:)
 
    Есть такая схемка-но не на 40 ампер конечно-применяю её для плавного гашения света салона в авто.Но может найти применеие и в других областях)
     Вложений: 1
 Re: Схема задержки включения.
   Цитата:
  
 
				Сообщение от 
kastett  
 радиатору-быть.
 
    Все-таки не нужОн оказался. Транзюк не греется вообще. А так все работает.
 http://www.youtube.com/watch?v=K1Y2Gr-N4So
 Вложение 345536
     Re: Схема задержки включения.
  Уважаемый kastett, не могли бы Вы помочь и нарисовать эту схему, но с использованием P-канального полевика, буду очень благодарен.
     Re: Схема задержки включения.
  Спросите у Garmin-a, у него была, не знаю, могу ли выложить без его разрешения. Ж)
     Re: Схема задержки включения.
   Цитата:
  
 
				Сообщение от 
Serg_C  
 Спросите у Garmin-a, у него была, не знаю, могу ли выложить без его разрешения. Ж)
 
    Было бы с чего разрешение спрашивать! Это не космический корабль. Выкладывай.
     Re: Схема задержки включения.
  Лучше, все же, использовать n-канальный. Их сейчас огромное колличество - на любой вкус и цвет.
     Вложений: 1
 Re: Схема задержки включения.
   Цитата:
  
 
				Сообщение от 
Garmin  
 Было бы с чего разрешение спрашивать! Это не космический корабль. Выкладывай.
 
    Вложение 382066 
 
Как скажете.   Ж)
     Re: Схема задержки включения.
  Возродим тему.... где такой ксенон взять? алиэкспресс?
     Re: Схема задержки включения.
   Цитата:
  
 
				Сообщение от 
Serg_C  
 
    Оч. хочу собрать такую схемку, но но фото не понятны ниминалы некоторых элементов, можете помочь ?
     Re: Схема задержки включения.
    Re: Схема задержки включения.
   Цитата:
  
 
				Сообщение от 
Garmin  
 Каких именно?
 
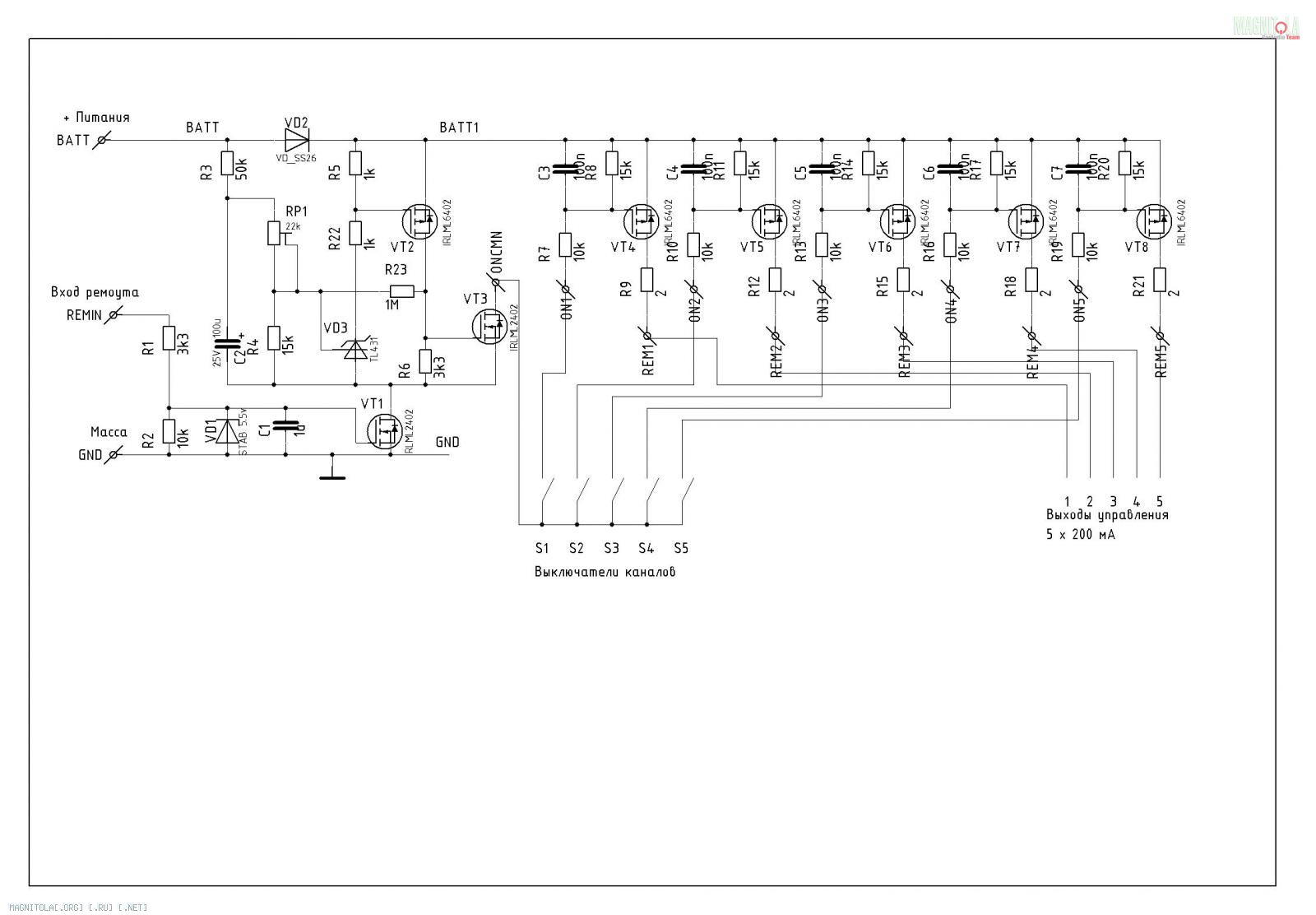
    1) Резисторы на схеме каких мощностей ? Эти резисторы типов: чип-резистор ?
2) VD1 - стабилитрон ? любой стабилитрон на 5.5 вольт ? Если да, то таких стабитронов не нашел, есть только 5.1 и 5.6 Вольтовые.
3) Конденсатор С1, на схеме не вижу какой номинал у него ? и какой тип конденсатора (smd (чип), керамический, электролит или еще какой ?)
4) Кондесатор С2, на схеме какого номнала ? на 100 (нанофарад,пикофара, или микрофарад) ?
5) VD3 - это кремниевый стабилитрон TL431 ?
6) RP1 - подстроечный резистор на 22 Kom ?
7) Резистор R1 3k3 - это резистор на 3.3 Kom ?
8) VD2 (ss26) - диод модели ss26 ?
9) С3 - кондесатор на 100n - это на 100 (нанофарад,пикофара, или микрофарад) ?
10) Резисторы R9, R12, R15, R18, R21 - какого номинала ?
И еще, в моей агнитоле нет ремоут выхода, можно я соединю вместе  входы Ремоут IN c Batt + ?
     Re: Схема задержки включения.
  1) Резисторы на схеме каких мощностей ? Эти резисторы типов: чип-резистор ? -  Мощность 0,0625Вт, смд 0805, при желании можно использовать любые.
2) VD1 - стабилитрон ? любой стабилитрон на 5.5 вольт ? Если да, то таких стабитронов не нашел, есть только 5.1 и 5.6 Вольтовые. - подойдёт и 5,1 и 5,6 вольт
3) Конденсатор С1, на схеме не вижу какой номинал у него ? и какой тип конденсатора (smd (чип), керамический, электролит или еще какой ?) - 1 микрофарада, тип не важен
4) Кондесатор С2, на схеме какого номнала ? на 100 (нанофарад,пикофара, или микрофарад) ? - 100 микрофарад 25 вольт, там написано.
5) VD3 - это кремниевый стабилитрон TL431 ? - да
6) RP1 - подстроечный резистор на 22 Kom ? - да
7) Резистор R1 3k3 - это резистор на 3.3 Kom ? - да
8) VD2 (ss26) - диод модели ss26 ? - да, любой диод с током больше двух ампер.
9) С3 - кондесатор на 100n - это на 100 (нанофарад,пикофара, или микрофарад) ? - 100 нанофарад
10) Резисторы R9, R12, R15, R18, R21 - какого номинала ? - два ома
И еще, в моей агнитоле нет ремоут выхода, можно я соединю вместе  входы Ремоут IN c Batt + ? - нет, лучше соедини с зажиганием.
     Re: Схема задержки включения.
   Цитата:
  
 
				Сообщение от 
Garmin  
 1) Резисторы на схеме каких мощностей ? Эти резисторы типов: чип-резистор ? -  Мощность 0,0625Вт, смд 0805, при желании можно использовать любые.
2) VD1 - стабилитрон ? любой стабилитрон на 5.5 вольт ? Если да, то таких стабитронов не нашел, есть только 5.1 и 5.6 Вольтовые. - подойдёт и 5,1 и 5,6 вольт
3) Конденсатор С1, на схеме не вижу какой номинал у него ? и какой тип конденсатора (smd (чип), керамический, электролит или еще какой ?) - 1 микрофарада, тип не важен
4) Кондесатор С2, на схеме какого номнала ? на 100 (нанофарад,пикофара, или микрофарад) ? - 100 микрофарад 25 вольт, там написано.
5) VD3 - это кремниевый стабилитрон TL431 ? - да
6) RP1 - подстроечный резистор на 22 Kom ? - да
7) Резистор R1 3k3 - это резистор на 3.3 Kom ? - да
8) VD2 (ss26) - диод модели ss26 ? - да, любой диод с током больше двух ампер.
9) С3 - кондесатор на 100n - это на 100 (нанофарад,пикофара, или микрофарад) ? - 100 нанофарад
10) Резисторы R9, R12, R15, R18, R21 - какого номинала ? - два ома
И еще, в моей агнитоле нет ремоут выхода, можно я соединю вместе  входы Ремоут IN c Batt + ? - нет, лучше соедини с зажиганием.
 
    Спасибо Вам огромнейшее ! Теперь попробую собрать эту схемку. И вот что еще, по поводу соединить оба входа Ремоут IN c Batt +, я опечатался и имел в виду вот как соединить их: входы Ремоут IN и Batt + запитать оба этих входа от ACC (от зажигания), т.е. включил зажигание в 1е положение - активировался ACC, питание пошло на вход Ремоут IN и Batt + . Вот так можно ведь ?
И еще, какое максимально допустимое напряжение можно подавать на вход в этой схеме ?
     Re: Схема задержки включения.
   Цитата:
  
 
				Сообщение от 
Mastercool  
  по поводу соединить оба входа Ремоут IN c Batt +, я опечатался и имел в виду вот как соединить их: входы Ремоут IN и Batt + запитать оба этих входа от ACC (от зажигания), т.е. включил зажигание в 1е положение - активировался ACC, питание пошло на вход Ремоут IN и Batt + . Вот так можно ведь ?
 
    Нельзя. Батарея должна быть на постоянном питании.
  Цитата:
  
 
				Сообщение от 
Mastercool  
 И еще, какое максимально допустимое напряжение можно подавать на вход в этой схеме ?
 
    А какое вы хотите подавать?
     Re: Схема задержки включения.
   Цитата:
  
 
				Сообщение от 
Garmin  
 Нельзя. Батарея должна быть на постоянном питании.
 
А какое вы хотите подавать?
 
    Питание этой схемы должно быть постоянно ? Нее, я на это не пойду...в авто привык чтобы все потребители были выключены , поэтому и задал вопрос о том чтобы от ACC запитать одновременно вход Ремоут IN и Batt +
 А запитывать схему хотел питанием максимум 14.5-14.7 Вольт (бортовое питание авто)
     Re: Схема задержки включения.
   Цитата:
  
 
				Сообщение от 
Garmin  
 Твой транзистор без радиатора выдержит максимум 6 ампер. Обязательно прицепи радиатор 50-70 кв.см. Максимальный ток 30 ампер. Я бы лучше применил IRF3205. И в процессе включения транзистор будет греться - он включается не мгновенно, работает в линейном режиме.
 
    Да, то что транзистор работает в линейном режиме это видно по видео наглядно. А если поставить IRF3205 как советет Garmin, то в схеме надо будет что еще переделывать ? И как работает  этот IRF3205 транзистор ? Нелинейно, т.е. включение будет мгновенным, не нарастающим как у транзистора IRLR2905 ?
     Re: Схема задержки включения.
  Замена транзистора не изменит работу схемы. Просто посмотрите параметры одного и второго транзистора.
     Re: Схема задержки включения.
   Цитата:
  
 
				Сообщение от 
Garmin  
 Замена транзистора не изменит работу схемы. Просто посмотрите параметры одного и второго транзистора.
 
    поглядел, помощнее будет предложенный вами транзистор.