Вложений: 1
Катушка индуктивности с сердечником
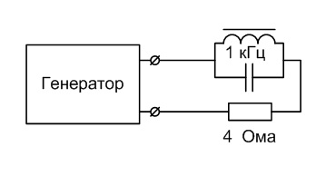
Возникла нужда намотать катушки индуктивности для пассивногокроссовера. Цены на моточные проводанеприятно удивили. Попробовал схитрить и сделать катушку на сердечнике.Испытывал ферритовое кольцо 50мм, трансформаторное железо маленького и большогогабарита ( килограмма два весом) результат всегда один – при увеличении напряжениядо 5-7 Вольт частота резонансауменьшается на 10-15%, что соответствует значительному изменению индуктивностикатушки.
В связи с этим вопрос, из чего сделать сердечник, чтобы сэкономитьна длине провода и не потерять стабильность?
Вложение 438370
Re: Катушка индуктивности с сердечником
А при использовании железа сердечник открытый был?
Re: Катушка индуктивности с сердечником
Магнитопровод замкнутый во всех случаях и без зазора, я по вторичной обмотке готовых трансформаторов смотрел.
Ничего внятного по сердечникам в кроссоверах не нашел, поэтому открыл тему, может кто делал или слышал чего.
Re: Катушка индуктивности с сердечником
Цитата:
Сообщение от
Flatout
Магнитопровод замкнутый во всех случаях и без зазора...
Вот и ответ. Мотать нужно на штыре, либо, если совсем хочется уменьшить число витков- на кольце с зазором.
Re: Катушка индуктивности с сердечником
Цитата:
Сообщение от
Flatout
Ничего внятного по сердечникам в кроссоверах не нашел
Они нам чужды))) - железо трансформаторное вводят в катушку для получения высокой,очень высокой,индуктивности при минимально допустимом активном сопротивлении,применяются такие штуки при разделе в несколько сотен Герц. А все автомобильные 2х полоски режутся в районе 3-5 кГц - тут индуктивность то мизерная нужна.
Но некоторые акулы капитализьма и тут умудряются съэкономить - вводят в катушку дешевый феррит,что позволяет уменьшить массу дорогого медного провода.))
Вложений: 1
Re: Катушка индуктивности с сердечником
Попробуйте посмотреть здесь 31стр. пункт 3.3.2.5.http://magnitola.org/attachment/3/4/2/6/6/387476.thumb
Взято с сайта одесских любителей Hi End зука.