А говорите, что сделаете 800 по цене:-) это в дилера баксов в 650 надо отдавать. А значит меньше 400 косты должны быть. А с такой комплектухой точно не уложитесь. По мне так и не надо, кто хочет дешево пусть тот же 800 берут.
Вид для печати
А говорите, что сделаете 800 по цене:-) это в дилера баксов в 650 надо отдавать. А значит меньше 400 косты должны быть. А с такой комплектухой точно не уложитесь. По мне так и не надо, кто хочет дешево пусть тот же 800 берут.
Дилеры гораздо жадней, а цена комплектации со сборкой - гораздо меньше. Для сравнения, мне один знакомый, работающий в Англии на одной весьма уважаемой компании, озвучил следующую цифру - если усилитель со всеми "прибылями" и налогами обходится в 100 фунтов, то в рознице он будет стоить не менее 600, т.е вся "комплектовка" - максимум 20-25. Вот и получается, что вскрываешь аппарат и..., немного охреневаешь. А разработчикам "сверху" идет очередная "разнарядка" еще удешевиться на 5%.
Ладно - время покажет, НО СВОЙ ПУЗЫРЬ ВИСКИ Я ЗАБЕРУ:mosking:!
гы, п...т ваш знакомый (если конечно он не про брендовые заоблачные модели), реально дисти на западе на 3% (у нас 7%) давно уже работают (если многопрофильные), а диллеры давно там на товарных кредитах сидят (и сотнями процентов там тоже давно не пахнет)
гы, время покажет ;)
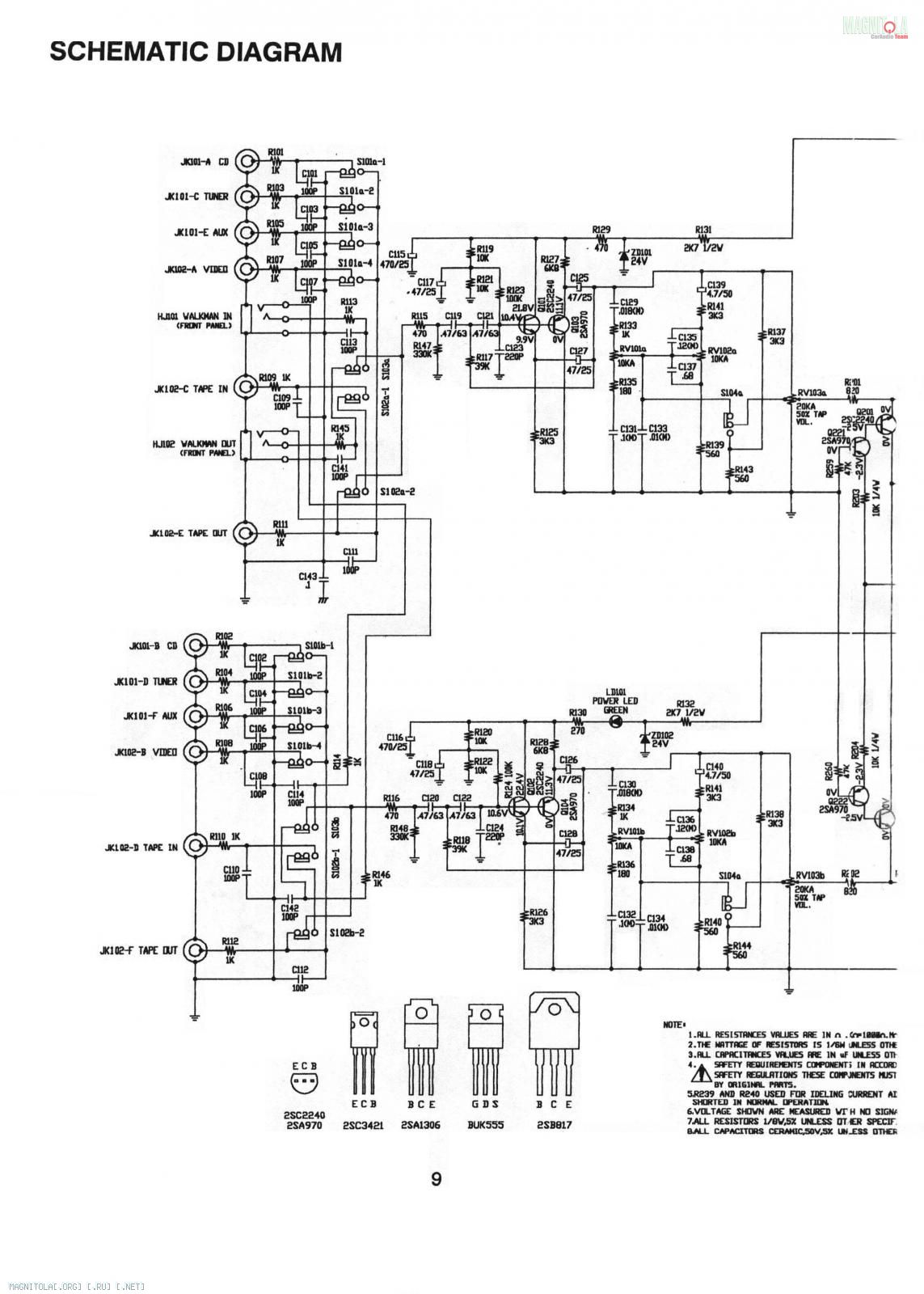
Гляньте схему NAD310. Возьмите калькулятор и посчитайте, только очень желательно цены брать не Mouser и проч. Чип&Дип. :mosking:( 2SA970 = 2SC2240=1 руб/шт., 2SA1306=10руб./шт., 2SB817=30руб./шт. ну и т.д.. Если сделать "Итого", то и 10 USD там не наберется!) В Англии NAD310 стоил 130 фунтов(нынче где-то 220USD или 7400руб.) - вот и посчитайте, с учетом того, что он собирался в Китае, платы односторонние, детали - копеешные.Сумеете сами?
Так что про "5%"... Или я в чем-то не прав?
Вложение 600086Вложение 600088
смотрите цены на mouser international - они штучно на 34% ниже, чем для РФ через партнера ))) а большие партии - вообще смех ;)
Вы что правда всех вокруг дебилами считаете?
а) с чего я должен в чипе покупать? Смотрите цены на маузере интернешнл (без налогов) + в количестве 1000-1500-2500 штук, это в разы меньше чем вы указали, но точно не в 10-50 раз
б) вы себя то не сравнивайте с кетайцами производящими партиями от 1000 штук, когда мы прорабатывали контрактное в кетае (от 1000 штук) все равно уровня цен про которые вы говорите (типа вам доступны) нам не дали
г) вы х4 какой партией выпустили. только честно скажите, мы своих плат на апгрейд 800/700 порядка 50 штук сделали...
и кстати получается, по вашим словам, что ваш х4 стоит по костам 1000 рублей, а вы его за 16 000 предлагаете..... И исходя из такого вот ценообразования, вы проц будете по 160 000 продавать:)
так что вряд ли будет у вас моя бутылочка виски :)
Вот подсчет не чуда нада, а предметно процессора про который мы говорим исходя из вашего же списка комплектухи:
цены из катушек маузера (1000-1500-2500 штук) без налогов
1955 4 штуки по 8,97
8132 8 штук по 2,32
8066 8 штук по 3,09
1442 1 шт по 13
итого только dsp, цап и мс выхлопа 92,16 баксов
свои цены проставите? сможете или только советы другим давать умеете?
andr_l, RZNPRB, Товарищи, хватит письками мериться :magnitola_team_new:, лучше еще одно условие, если проц вообще не выйдет - выиграет andr_l!!!
похоже вы не понимаете о чем мы... тут вопрос не в пиписьках...
---------- Сообщение добавлено 01.07.2014 в 16:13 ----------
гы, опять же, мне не выиграть надо, я бы такой проц просто бы купил бы.... так как если он будет - то вариант будет очень хороший особенно если цена будет до 800... Понятное дело для вариантов где громкость и все остальное в цифре...
---------- Сообщение добавлено 01.07.2014 в 16:15 ----------
Я повторюсь: если вы взяли на себя труд общаться - то общайтесь нормально, а не с заоблачных высот, если же не хотите - то и не надо было начинать, а то выглядит это со стороны как буд-то школьник ляпнул, а потом свалил.... очень все это похоже на именно нашу, российскую действительность...
Количество выпущенных усилков тоже NDA? :snowball:
---------- Сообщение добавлено 01.07.2014 в 16:18 ----------
скорее всего именно так - я привык отвечать за свои слова, а вот вы похоже совсем не следите даже за тем, что пишите (причем ссылаясь на NDA)... вывод из вашей писанины я привел выше, выделив курсивом... NDA.... як школьник блин:mosking:
Вы очень странный собеседник - Вы очень уверены в том, что вы пишите и по другому быть не может! Почему-то считаете, что кол-во выпущенной продукции, ее себестоимость, стоимость комплектующих и проч. не является коммерческой тайной, за разглашение которой из любой организации просто обязаны выгнать в два счета. Подумайте немного...
Ну и далее - зайдите на AD, гляньте заявленные там цены( а это даже не серьезный опт и уж не "проектные" цены точно!) AD1955 - 6.86$ (8.97 -это Ваше), ADAU1442 - 9.96$(13 - это Ваше) ну и т.д.
Ну чего обсуждать Ваши цены с Маузера и наши проектные цены с AD? Не вижу темы для вменяемой беседы.
Время рассудит.
Да, кстати, ну и сколько стоит по комплектации тот же NAD310?:mosking:
Если будет желание, могу и автомобильный Инфинити Ref-серии подбросить...:mosking: