Всем привет! Увлёкся я тут Японским винтажём в домашке, ну и на автотему тоже обратил внимание. Прикупил усилители Nakamichi PA-302S, PA-304 и PA-301. Пока поковырял только 302-го, о нём и пишу.
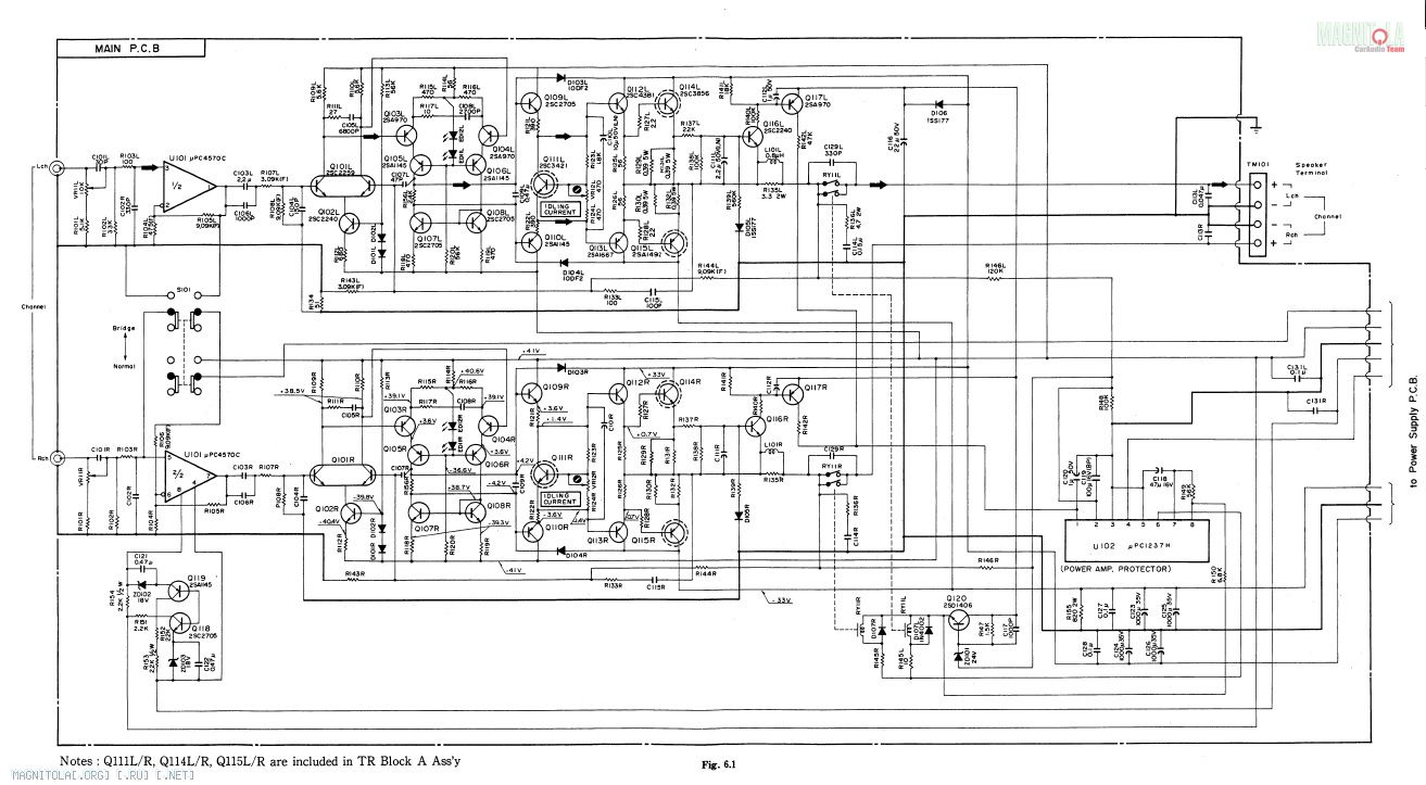
Усилитель сделан очень добротно, внутри две платы, отдельно блок питания и отдельно сам усилитель. Никаких фильтров на борту нет, только регулировка чувствительности раздельно для каждого входа. Схема блока питания на tl494, стоит огромный дроссель для фильтрации, кучка раскачивающих транзисторов. Усилитель мощности класса АВ, раздельное питание выхлопа и усилителя напряжения (питание УН стабилизированное) есть регулировка тока покоя. Особое внимание уделено экранированию БП, он отделён от УМ металлической перегородкой, а трансформатор и дроссель сверху накрыты металлическим стаканом (на котором накамичи написано :), который также играет роль радиатора для трансформатора.
Что сделано:
В принципе усилитель изначально работал, учитывая его преклонный возраст очень неплохо. Сделал профилактику и небольшую доработку. Заменил конденсаторы в питании ум и ун на панасоники серий FC, FM, NHG, заменил реле защиты ас, поскольку сопротивление замкнутого контакта было около 1 Ом-а, добавил конденсаторы в питание операционника, ну и заменил операционник на любимый мной OPA2134 :) (пришлось ещё поменять стабилитроны в питании опера, стояли на 18 вольт, поставил на 15). Понятное дело, пропайка контактов, ликвидация непропаев, промывка.
Звук хорош, нейтральный, с хорошей детализацией (слушал в домашке) за его цену вообще отличный вариант :)
Немного фото:
Вложение 1000630Вложение 1000632Вложение 1000634Вложение 1000636Вложение 1000638Вложение 1000640Вложение 1000642

