ясно, платку пропаявал, не помогло, обвязку вокруг оптопары просматривал, всё норм, ну да ладно, эта тема не про это, попробую 74HC132D а потом в профильную тему.
Вид для печати
ясно, платку пропаявал, не помогло, обвязку вокруг оптопары просматривал, всё норм, ну да ладно, эта тема не про это, попробую 74HC132D а потом в профильную тему.
Я не просто "нагнул" их. во время визита Деонардо я ему показал свой проект усилителя, который хочу начать производить для установок ТОП класса. Это улучшенная версия схемы Audison Thesis Quattro. Если кто не понял, я работал сервисником в представительствах домашки таких брендов как:
Adcom, Australian Monitor, B&W, Clarion, Classe, Conrad-Johnson, DALI, DEFINITIVE TECHNOLOGY, DVDO, Exposure, HANTAREX, Genelec, Grado, Marshall, Mackie, Metz, Monster Power, Norston cable, ONKYO, Optoma, PASS LABS, Peavey, PS Audio, Rotel, SIM2, TEAC-Esoteric, Thiel, Transparent, VAC, WADIA
Уверен, многие слышали о хотя бы части из них. Имея доступ к тех документации, я проанализировал все сильные и слабые стороны самых дорогих моделей класса Hi-End и понял, что в авто звуке пользователям предлагают гораздо более удешевленные версии схем за те же деньги, что и домашка. Но почему такая несправедливость. Вот и решил попробовать собрать некий прототип. А результат стал очевиден. Усилителю все равно, где он стоит и с чем работает. Важно 3 фактора: качество питания, грамотное схемное решение и наивысшие компоненты для достижения максимального звука.
Все просто, а Электромедия в младших моделях не ставит ничего такого, чтобы не возможно было улучшить... Но это тенденция всех производителей, они "запасаются" технологиями на ближайшие годы, поскольку компоненты Hi-End созданы еще в конце прошлого века и теперь просто "зависли", поскольку более востребованными являются мыльницы размером с планшет, но там 8-9 каналов по 35-40 Вт, да еще и процессор встроен. А кому нужно и громко и качественно, то без вариантов - Thesis, Ground Zero Referens, Helix, Brax..... Но разве эти модели уместятся на ладони??????????????????????????????????????????????????????????
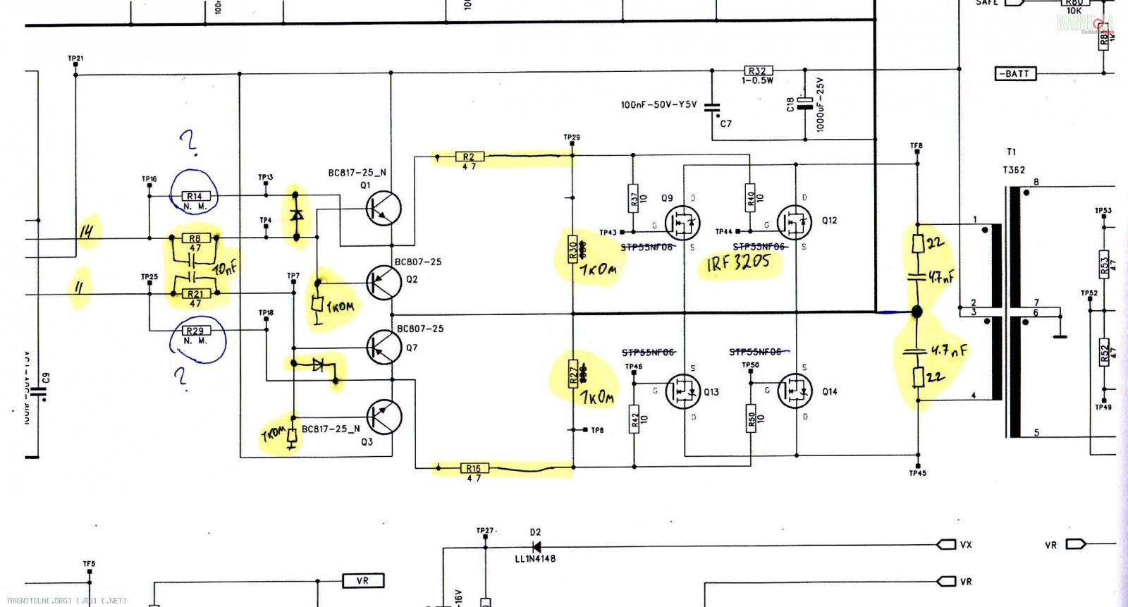
Согласен. Исправляем. Именно в таких схемах. Просто Китайцы для экономии в дешевых моноблоках, на которых красуется надпись типа 1200.1 или еще мощнее, ставят в блок питания либо IRFZ44, либо томсоны 60N06. А уважающий себя производитель всегда закладывает запас по первичному току, поэтому 3205 и 2805 это хоть и дорого, но не убиваемо! Только драйвер должен быть обязательно согласован с емкостью всех транзисторов. А то 10-15 нанофарад в затворах могут зашкалить выход микры и та будет возбуждаться. А значит и транзисторы закипят.
А еще не стоит завышать частоту преобразователя. Кто знает, какого качества феррит поставили? У нас был прецедент, когда Focal выпустил линейку 3-х полосных сабов Access Solution 25A1, жирная презентация, колоссальная мощь, куча возможностей настройки... А в итоге всю серию забраковали! Причина - кто то допустил, что трансы намотали не правильно, а частоту инвертора взяли 70-75 кГц. И транзисторы инвертора просто расплавлялись. Я имел решение по данной проблеме, но на момент моего прихода в официал Focal, эту модель сняли с производства, а уже проданные "остатки" я переделывал. И абсолютно безвозвратно! Вот и косяк производителя. И кто бы мог представить, что такое возможно.... Увы!
всё ли правильно я вас услышал?
Вложение 1039906
И вопрос по R14 R29 нужны ли они?
---------- Сообщение добавлено 28.07.2016 в 14:40 ----------
Да и ещё вопросик, какой режим работы куллера, у меня он всегда стоит, когда он должен крутится, может проблема в этом? недостаточное охлаждение.