Здравствуйте. Имеется магнитола пионер DEH 2200,хотелось бы перенести usb разъем в тыльную часть магнитолы.Возможно ли это на этой модели?
11.01.2017, 21:04
chu0037
Re: Магнитола DEH 2200
Прозвоните разъём панели и её usb гнездо(несколько раз приходилось делать такое на разных пионерах-всегда находились прямые проводники)-так вы узнаете,к каким соответствующим контактам подпаивать удлинитель usb на тыл. Только покупайте сразу качественный! Но не торопитесь,каждый шаг обдумывайте(например,как прокладывать шнур внутри и как его закреплять) ... Всё получится! Удачи!
11.01.2017, 23:27
ALEX93
Re: Магнитола DEH 2200
Цитата:
Сообщение от chu0037
Прозвоните разъём панели и её usb гнездо(несколько раз приходилось делать такое на разных пионерах-всегда находились прямые проводники)-так вы узнаете,к каким соответствующим контактам подпаивать удлинитель usb на тыл. Только покупайте сразу качественный! Но не торопитесь,каждый шаг обдумывайте(например,как прокладывать шнур внутри и как его закреплять) ... Всё получится! Удачи!
Спасибо за совет.Но возможности прозвонить нет.Поэтому и затеял такую штуку.Может кто подскажет,что к каким контактам припаивать?
чтобы скачать подождите,после открытия страницы немного,пока подчёркнутая надпись ...processing
не сменится на "Get manual",тыркаете на неё и скачиваете схему на свой пион.
Но проще-мультиметром-он не дорог,но его наличие у вас-позволит вам в будущем решать множество задач!
Смоленску и кристалловской общаге на проспекте строителей-привет:)!!!
---------- Сообщение добавлено 11.01.2017 в 23:53 ----------
Попробовал качнуть мануал-скачал,а архив не распаковывается. Толи битый,толи у мну сбой.
Попробуйте,если не получится,тут ещё должен быть:
---------- Сообщение добавлено 12.01.2017 в 00:14 ----------
Хм... Скачал. Знаний не хватает... У вас в панели в цепи usb , на проводах передачи данных какие-то дроссели,резисторы...
Возможно и у меня такие были,но прокатывало. Делал и на старых и на относительно новых mvh-150,кажется.
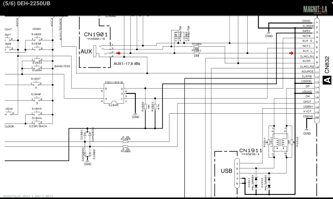
Вставлю кусок схемы,может кто из мастеров наших увидит,подскажет-для чего эти элементы и можно ли ими пренебречь,врезавшись до них. А возможно,есть шанс перенести их внутрь. Вложение 1093954
12.01.2017, 00:18
maisteroleg
Re: Магнитола DEH 2200
У Тани:) все нормально.
CN832
14 DP
16 DM
18 USB5V
14,16 GND
12.01.2017, 00:21
chu0037
Re: Магнитола DEH 2200
Цитата:
Сообщение от maisteroleg
У Тани:) все нормально.
CN832
14 DP
16 DM
18 USB5V
14,16 GND
Это планшет мой тупил:)! Сказал мне,что файл сохранён,я открывать,а он нивкакую:)! Потом выяснил,что в это время он ещё качал и качал.
Вы не скажее,случаем,что там на скрине,что выше? Самому интересно...
Фильтр какой-то? Можно ли без него жить:)?
12.01.2017, 00:42
maisteroleg
Re: Магнитола DEH 2200
Цитата:
Сообщение от chu0037
Фильтр какой-то? Можно ли без него жить
Да, замышлялось как фильтр, да, можно, долго и счастливо.
Обратите внимание на номинал R1911, 1912
12.01.2017, 01:11
chu0037
Re: Магнитола DEH 2200
Спасибо! Да,уже обращал,поэтому и подумалось,что жизнь вполне возможна:)...
Маленькая поправочка,земля - 14,16 - 13,15 ;) ...
Логично ли предполагаю,что DP-это плюсовая дата,DM - минусовая?
12.01.2017, 02:20
chu0037
Вложений: 1
Re: Магнитола DEH 2200
Вложение 1093972
- а этот фрагмент-поможет разобраться,где какой контакт разъёма панели на плате гу.
чтобы скачать подождите,после открытия страницы немного,пока подчёркнутая надпись ...processing
не сменится на "Get manual",тыркаете на неё и скачиваете схему на свой пион.
Но проще-мультиметром-он не дорог,но его наличие у вас-позволит вам в будущем решать множество задач!
Смоленску и кристалловской общаге на проспекте строителей-привет:)!!!
---------- Сообщение добавлено 11.01.2017 в 23:53 ----------
Попробовал качнуть мануал-скачал,а архив не распаковывается. Толи битый,толи у мну сбой.
Попробуйте,если не получится,тут ещё должен быть:
---------- Сообщение добавлено 12.01.2017 в 00:14 ----------
Хм... Скачал. Знаний не хватает... У вас в панели в цепи usb , на проводах передачи данных какие-то дроссели,резисторы...
Возможно и у меня такие были,но прокатывало. Делал и на старых и на относительно новых mvh-150,кажется.
Вставлю кусок схемы,может кто из мастеров наших увидит,подскажет-для чего эти элементы и можно ли ими пренебречь,врезавшись до них. А возможно,есть шанс перенести их внутрь. Вложение 1093954
Спасибо,за фрагмент схемы.Я 3 пина прозвонил,а один отвалился с посадочного места,вот теперь голову ломаю куда он идет :facepalm: