greg3d, идея отличная! Буду следить за реализацией...
Вид для печати
greg3d, идея отличная! Буду следить за реализацией...
После длительного перерыва, связанного с командировками и ДТП, продолжил работу над проектом!
На данный момент полностью произведен инсталл компонентов в авто.
Питание усилителей проводил сам - с запасом был взят 50мм2. Более подробно схема питания пояснена на картинке:
Вложение 421238
Дистрибьюторы - производства пользователя ArtLine. Качественная медь и соединение. Никакой лишней китайской шелухи)
Обжимка разъемов и клемм производилась с помощью гидравлического пресса.
Произведена была шумоизоляция дверей и изготовленных обшивок. Так выглядит готовая дверь:
Вложение 421240
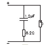
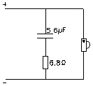
В схему подключения ВЧ и СЧ купольников были включены цепи цобеля:
Вложение 421242 Для СЧ: Вложение 421244 Для ВЧ: Вложение 421248
Так выглядят драйверы, установленные в авто:
Вложение 421250
Указанная схема расположения - это компромисс между обзорностью и правильным направлением. Тут пришлось пожертвовать идеальным направлением в угоду более красивому внешнему виду, удобству изготовления и обзору с места водителя. В данный момент драйверы совсем не мешают водителю, однако при длительном прослушивании есть некоторое желание немного развернуть драйверы, особенно СЧ на себя, в салон...
Еще несколько обзорных картинок:
Вложение 421252Вложение 421254
Дин AD забыл правильно повернуть:)))
В качестве сабвуферного звена был выбран сабвуфер CORAL 812, 12 дюймовая головка с высокой чувствительнотью и невысокой добротностью. Хотелось артикуляции и быстроты.
Вложение 421236
Местными умельцами был изготовлен стелс-корпус (объемом порядка 25-30 л). Саб подключен в мостовом режиме к свободному выходу одного из усилителей. Кроме того, ими же были изготовлены фальш-панели для установки усилителей, дабы они красиво и удобно расположились в багажнике:
Вложение 421278Вложение 421280Вложение 421282
По моим пожеланиям ребята оставили возможность демонтажа панелей, а также максимально сохранили штатные возможности багажника (крюки для сетки и боковую нишу, возможность доступа к запаске).
Осталось найти какую-нибудь подходящую решетку-гриль) Последние эксперименты показали, что необходимо также "просветлять" штатную багажную полку, ибо без неё звучит все гораздо гораздее, чем с ней.
Чуть позже более подробно расскажу о настройке и последующих планах. Пока скажу, что настраивал сам, много времени было потрачено на определение правильности фаз и частот раздела. Сейчас могу сказать, что поет система неплохо, достаточно сочно, с запасом по динамике, но есть некоторые вещи, чем не очень доволен (пока). Звучание в целом сглаженное, есть воздух в самых верхах (оно и понятно - динаудио МД102 справляются) отлично отыгрывает рок, джаз, блюз. Танцевальные композиции слушаются интересно, не жестко, но с настроением) Система конечно не для дабстеповых запилов, но даже брейковые и подобные треки слушаются более чем приемлимо и живо (мягкий бас добавляет настроения). Тяжелый металл - зависит от мастеринга и направления музыки, скажем симфонические пассажи в купе с блек-металлическими гитарами (Dimmu Borgir) величественны, как им и положено, симфонические партии хорошо слышны, гитары — там где надо, адский вокал шаграта вселяет ужос))), хотя для более внятного проигрывания саб приходится чуть придушить. А вот в целом модерновые плотные риффы современных групп идут не без нареканий - бас вываливается на первый план, средний бас выглядит сумбурным, в то же время хочется чуть больше напора, но только прибавишь громкости и нижний верх (~ 2-4 кГц) начинает иногда резать ухо, вокал немного теряется. Вообще получается так, что система (может быть только пока), обладает какими-то предпочтениями в плане качества записи - если запись по динамике и тону более менее сбалансирована - то все гуд, а как только характер сведения меняется - хочется опять ручки крутить). Впрочем, думается, это не последняя итерация с настройками, еще предстоит где-то раздобыть измерительный микрофон и попробовать снять АЧХ программами вроде Спектралаба. Тем более, что это мой первый опыт поканальной трехполоски, слишком много неизвестных в этом уравнении на первый взгляд))
Пару слов о сцене - скорее всего она далека от идеала (как минимум потому, что направление излучателей не корректно), ибо в этом плане вообще нет опыта настройки. Задержки выставил по линейке, чуть чуть корректировал, но какого-то критерия четкого не было, поэтому пока оставил так. Ориентировался в первую очередь на "комфортность" прослушивания, а не на расположение дяденек и тетенек)
Кстати, как думаете, подойдет ли в качестве измерительного микрофона штатный настроечный микрофон 99 пионера?
П. С. AutoEQ в пионере для левого СЧ драйвера дает какое-то завышенное расстояние... наверное сказываются отражения от комбинации приборов... Ох не терпится увидеть АФЧХ)))
Какой-то не очень удачный компромисс между обзорностью и звуком. СЧ направлен туда, где больше всего отражений. Раз уж так волновались за обзорность, почему не поставили их в уголки зеркал?
Что касается желания подкрутить ручки под записи - это скоро пройдёт: или надоест крутить или надоест система и разберете для перестройки)))
Мидбасы красиво получились, очень изящные подиумы. Респект!
Натапал толком
У серединок конструкция не очень удобная для этого.. Плюс в уголках зеркал воздуховоды))) Может быть и правда переделаю со временем. В любом случае надо сначала на графики посмотреть - что же я на самом деле слышу...
Спасибо, мастеру передам)
а у них же мидбасс в стоке расположен в попе водителя , сколько переделка стоила?
А мне больше интересна не видимая сторона установки мида. Есть фотографии этого процесса? А то так не интересно. И кстати, почему выбрали глянцевый материал для обтяжки? Это ведь мебельный кож.зам?
А как у вас с вч с левым, проблем нету... При таком угле установки у МД -102 выше 10-12 кгц нету ничего... Говорю как бывший владелец данных и вч и сч....