Вложений: 2
 Toyota Celica ST202. На пути к SQ.
  Приветствую всех форумчан! Решил описать поэтапно свой путь на пути к качественному звуку в своём любимом автомобиле. Данный автомобиль присутствует на Drive2.ru.
На данный момент собрана двухполосная система, но уже принял решение по установке трёхполоски. С ГУ Clarion nx 706e сигнал по оптике будет идти на процеусь Helix P-Six DSP. Но об этом позже, так как хочу описать все шаги на пути к результату, который меня, надеюсь, удовлетворит.
 
В общем, текущие компоненты моей двухполоски покупались мной по советам различных форумов, о чём сейчас жалею, так как любые переделки в автозвуке сильно бьют по бюджету. Собственного опыта не имел, но усиленно изучал любую информацию наподобие книги "Автозвук от А до Б". Не имел понятия даже о том, что такое кроссовер, срезы частот итд. Сейчас бы купил совершенно иные компоненты.
 
Описывать буду всё с самого начала, ведь многие элементы (каркас, шумоизоляция, держатель предохранителя, стойки твитеров и другое) станут частью итоговой системы. В первой части расскажу о этапах реализации своей первой инсталляции, а затем плавно перейду ко второй части, в которой опишу то, что на данный момент закупаю и планирую устанавливать.
 
Цель: добиться качественного звука с минимум компонентов и приемлемым потреблением энергии. ГУ должно быть с навигацией и выводом оптики со всех источников.
 
 Часть 1. Мой первый инсталл. Поканальная двухполоска.
 
 Система (установленная на данный момент):
1. Голова — Pioneer AVH-x1700DVD
2. 4-х канальный усилитель Focal FPP 4100
3. Моноблок Eton EC 1200.1 D
4. НЧ из комплекта Focal Performance Expert PS165v (Made in France)
5. Сабвуфер — Morel Primo 124
6. Твитеры Wavecor TS030TU02-01.
 
 Часть 2. Реализация поканальной трёхполоски.
 
Пообщавшись с людьми, имеющими опыт в автозвуковых соревнованиях SQ и занимающими призовые места, выбрал совершенно другие компоненты. Только твитеры решил оставить. Очень они хороши.
 
 Планируемая система:
1. ГУ - Clarion nx 706e.
2. Процеусь Helix P-Six DSP. (куплено)
3. Усилитель на сабвуфер JL Audio 500/1v1 или Audison VRX 2.250
4. НЧ Sinfoni Maestoso T165W. (куплено)
5. СЧ Sinfoni C89M. (куплено)
6. ВЧ Wavecor TS030TU02-01. (куплено)
7. Сабвуфер Sinfoni C320.2 SW. (куплено)
7. Пульт Helix Director.
 
 Мой автомобиль: Toyota Celica ST202.
 Вложение 1191930Вложение 1191932
     Re: Toyota Celica ST202. На пути к SQ.
  ждем клару, и накуа при ней директор???
     Re: Toyota Celica ST202. На пути к SQ.
  2 waterman: пресеты менять оперативно, управлять отдельно громкостью сабового звена, удобно подключаться к процу через директор. А вообще, он слишком дорог для этого. Возможно обойдусь пультом простым, но уж больно нравится внешний вид директора)) Только не знаю куда его пристроить.
     Вложений: 17
 Re: Toyota Celica ST202. На пути к SQ.
  Часть 1.1. Подготовка дверей. Стеклопластиковые заглушки.
Приветствую! Сразу поясню: изначально планировал расширять отверстие под динамик в двери и делать подиум из стеклопластика с доворотом. Но решил сделать это в последнюю очередь. А пока динамики поставил на временный подиум из фанеры. Использовались усовые гайки, болты, металл двери зажат между фанерой, покрытой смолой для защиты от влаги. Динамики посажены опять же на болты (хоть подиум и временный, но хотелось сделать по-нормальному + неизвестно, когда всё будет переделываться).
Скажу сразу, после установки динамиков Focal PS165V дверь вся гремела даже на низкой громкости. Ни о каком качестве и речи не шло.
Водительскую дверь уже пару раз приходилось разбирать для переборки стеклоподъёмника и регулировки стекла. И, скажу я вам, отдирание этого пакета от двери и его последующий монтаж обратно не доставляет удовольствия.
Совсем недавно заказал 8 литров смолы прозапас, алюминиевый валик для прокатки стеклопластика, отвердитель Бутанокс М50, парафин, аэросил.
 Вложение 1192190
В общем весь процесс по порядку:
1. Снял нанопакет, чудо инженерии. Герметик нагрел феном, большие куски оттёр тряпкой, остатки отмыл Уайтспиритом.
 Вложение 1192186Вложение 1192184Вложение 1192174
2. Под тягу закрывания двери нужно предусмотреть выступ. Внимание! Выступ снизу нужно делать вплотную, никаких пологих склонов к низу. Иначе, как у меня, обшивка упрется в него. Мне пришлось спиливать правый нижний угол выступа и заделывать дыру с обратной стороны заглушки. Поначалу запаниковал, когда обшивка двери не встала на место, но всё обошлось))).
Можно вообще не закрывать тягу, а просто сделать вырез. думаю от этого ничего страшного со звуком не будет. На версиях Celica с системой LiveSound присутствует металлическая заглушка. Для неё и крепления имеются в двери. Так на этой заглушке штатной под тяги очень большой вырез, а сами тяги внутри двери отгорожены от динамиков пластиковым кожухом.
Выступ сформировал при помощи скульптурного пластелина.
 Вложение 1192196
3. Заклеил место монтажа заглушки малярным скотчем в один слой по краям (для наиболее плотного прилегания). Монтажная поверхность очень неудобная, кривая, с множеством углублений, перепадов по высоте. Проклейка заняла много времени. Посередине проклеил несколько слоев скотча.
Некоторые применяют винил вместо скотча. Тогда никаких проблем с отдиранием скотча от готовой заглушки не будет. Прилегание будет идеальным. Поверхность ровной. Тут уж каждый поступает на своё усмотрение.
Но в случае винил придётся заморочиться с разметкой отверстий, отрезанием лишнего материала. В случае применения малярного скотча есть одна фишка!
Заключается она в следующем: отмечаем на скотче маркером границу заглушки, отмечаем штатные отверстия (на всякий случай) и все возможные монтажные отверстия. На готовом изделии вы потом уже решите, какие использовать. И при проклейке первого слоя стекломата, например 150-ой плотности, смола растворяет маркер, и краска переносится в первый слой вашего будущего изделия)) Затем, когда оно будет готово, не составит труда отрезать лишнее и просверлить отверстия. Никаких сдвигов не будет.
 Вложение 1192176
4. Все слои решил клеить прямо на двери, чтобы исключить деформацию при высыхании и нагреве. В этом деле превосходно помогает аэросил. Он сгущает смолу и она очень неохотно стекает с вертикальной поверхности. Аэросил добавляйте на глаз, чтобы смола была и не густая и не жидкая.
Первыми двумя слоями наклеил 150 стекломат, затем 3 слоя 600-го. 600-ый мат тяжело пропитывается смолой. При добавлении 2-ух процентов отвердителя вы навряд ли успеете качественно пропитать всю поверхность смолой. Поэтому я разделял его надвое и каждый слой клеил в два захода. Один слой резал по вертикали, второй по горизонтали. Алюминиевый валик очень помогает. 
 Вложение 1192170
 Вложение 1192198
5. Оставил всё сохнуть на сутки. затем демонтировал заглушку. Вот так выглядит она сзади. Благодаря маркеру границы и монтажные отверстия заглушки уже размечены. Все лишнее отрезал, подровнял края, просверлил отверстия. Под будущие резьбовые заклепки фрезой сделал углубления, чтобы заглушка сидела очень плотно на металле двери.
 Вложение 1192166
6. Как я уже писал, в некоторых комплектациях присутствует металлическая заглушка. Для ней предусмотрены круглые и квадратные монтажные отверстия. Квадратные для пластиковых клипс, в которые вкручиваются саморезы. В квадратное отверстие сверху возле тяги я заклепал резьбовую заклёпку М6. Заклёпка идеально держится в квадратном отверстии. Его ширина равна диаметру заклёпки М6 (9мм).
 Вложение 1192200
Одной из двух штатных отверстий справа рассверлил, опять же, под заклёпку М6.
 Вложение 1192168
7. Вот насколько точен способ с применением маркера. Отверстия сделал быстро и именно в том месте, где планировалось. Заклёпки промазывал полиуретановым герметиком, как и само отверстие.
 Вложение 1192178
 Вложение 1192202
 Вложение 1192174
8. Заглушки подготовил к покраске, загрунтовал, покрасил. Проклеил по контуру технологического отверстия двери ШумOFF Layer. Смонтировал готовую заглушку на своё законное место. Прикрутил на болты из нержавейки, заказанные с аллиэкспресс вместе с заклёпками, через шайбы. Поверх проклеил ШумOFF М2.
Хотя и так заглушка настолько прочная, что металл двери нервно курит в сторонке. А вес равен весу одного маленько листа Шумофф Проф Ф.
 Вложение 1192192
Заглушку правой двери доработал и сделал проушины снизу и справа, чтобы еще крепче сидела :)
 Вложение 1192194Вложение 1192180
 Вложение 1192172
     Вложений: 9
 Re: Toyota Celica ST202. На пути к SQ.
  Часть 1.2. Подготовка дверей. Шумовиброизоляция.
В общем, после изготовления стеклопластиковых заглушек подошла очередь виброшумоизоляции, так сказать.
1. В качестве первого слоя на внешнюю обшивку использовал Проф Ф. Но при помощи данного материала создал лишь ребра шириной 4,5 см. Расстояние между реберами порядка 7 см. За динамиком проклеил Проф Ф всё сплошняком.
 Вложение 1192208Вложение 1192206
2. Вторым слоем проклеил ШумоOFF М3.
 Вложение 1192214Вложение 1192212Вложение 1192210
3. На внуттрянки проклеил М3 в перемешку с М2, там где особой необходимости в вибре не было. Внутренняя стенка усеяна ребрами жесткости. Единственной проблемой является то, что она без жёсткой заглушки большого тех. отверстия ходуном ходит, если приложить усилия. С заглушкой всё отлично. Броня)) И вес заглушки равен маленькому листу Проф Ф. А по жёсткости не сопоставима с ним.
4. Стеклопластиковую заглушку проклеил слоем М2. Установил её на резьбовые заклепки из нержавейки и болты из нержавейки. В качестве уплотнителя использовал ШумоOFF Layer.
 Вложение 1192216
5. Большие площади самой карты двери проклеил М2 и сверху проклеил Герметон А15. Дорогой, но очень хороший материал.
 Вложение 1192218
6. Периметр проклеил Маделином. Шумовский аналог в виде ленты.
 Вложение 1192220
7. Изначально тяги открывания двери и блокировки болтались. Место крепежа тяги блокировки проклеил герметиком стекольным. Теперь не болтается. Тяга открывания двери фиксируется клипсой белого цвета (указана на фото). Внутрь этого белого фиксатора вклеил кусочек клейкой алькантары и пропитал её силиконовой смазкой. В идеале её заменить потом, чтобы не было люфта. Но и теперь его нет, ничего не болтается. А также при помощи разборного фиксатора тяги блокировки замка отрегулировал всё так, чтобы тяга не болталась. Все три места, требующие к себе внимания, указаны на фото.
 Вложение 1192222
     Вложений: 9
 Re: Toyota Celica ST202. На пути к SQ.
  Часть 1.3. Поиск нужной концепции расположения усилителей и сабвуфера.
Долго выбирал вариант расположения усилителей. В первый раз выполняю подобную работу. Сложность добавляло то, что усилители (особенно Eton) довольно громоздкие. А расположение клемм подключения у них абсолютно разное. К тому же нужно предусмотреть их расположение в соответствии с расположением проводов, а как именно будут провода пролегать я точно не знал.
 
 Основные требования к расположению:
1. Не создавать пол из фанеры под саб.
2. Каркас усилителей должен крепиться на штатные места.
3. Каркас под усилки и сабвуфер должны иметь независимые крепления, дабы вибрации не передавались на усилители.
4. Доступ к запаске желательно сохранить.
5. Сабвуфер должно быть легко демонтировать.
6. Сохранить доступ к нише домкрата.
7. Желательно, чтобы пластик багажника можно было легко демонтировать.
8. Focal желательно вывести на вид. Такую красоту нельзя прятать :)
9. Всё должно быть красиво.
 
Ввиду этих требований долго не мог прийти к нужному варианту. Штатных мест крепления нет, а сверлить днище и подобные злодеяния я совершать не хотел.
 Были подобные варианты:
 Вложение 1192646Вложение 1192648Вложение 1192650Вложение 1192652
Но в итоге пришёл к двум вариантам. В первом варианте сабвуфер находится посередине. Во втором варианте справа. В обоих случая один усилитель находится за спинкой сидения и не виден для глаз. А второй усилитель выставлен на показ.
 Вложение 1192654Вложение 1192656Вложение 1192658
Eton — б/у усилок и имеет небольшие царапины. Но подсветка у него красиво вписывается в общую концепцию подсветки салона.
Focal — новый. Органы управления находятся спереди за панелькой на магните. Подсветка — один светодиод в центре, но синий! Это хорошо, так как подсветка в салоне синяя. К тому же он черный. Смотрится отлично!
 Вложение 1192660Вложение 1192662
Итог душевных страданий:
Выбрал вариант с расположением сабвуфера справа. Focal вывести на обозрение. Eton спрятать. Сабвуфер крепится к распорке стоек сверху. Снизу основание саба будет упираться в усилители стаканов и таким образом предотвращать его перемещение в сторону каркаса с усилками.
Другие причины выбора:
1. Саб стоит на ровной части пола. Причём основной вес корпуса саба приходится на широкую часть пола справа.
2. Запаска легко доступна.
3. Пластик багажника легко демонтируется после демонтажа саба.
4. Ниша домкрата не закрыта.
5. Расположение усилителей самое благоприятное для беспроблемного и красивого подключения.
6. Остаётся много места в багажнике.
7. Смотрится эффективней, чем в случае с центральным расположением сабвуфера. Это моё мнение.
8. Предусмотрено активное охлаждение усилителя за спинками сидений.
 
 P.S. Декоративное оформление выполнено на скорую руку, чтобы иметь общее представление о том, как, примерно, всё будет выглядеть в итоге!
     Вложений: 13
 Re: Toyota Celica ST202. На пути к SQ.
  Часть 1.4. Шумовиброизоляция пола.
 
Остальная часть авто была зашумлена еще при покупке машины, так что нужно было зашумить пол. 
 
 В работе использовались следующие материалы:
1 Слой: Bimast Bomb Premium.
2 Слой: i-Ton 8.
3 Слой: Noise Block 2.
 Вложение 1192676Вложение 1192678Вложение 1192680
 Вложение 1192682Вложение 1192684Вложение 1192686
 Вложение 1192688Вложение 1192690
 Материал справа вверху наклеил зря. При установке сидения он сжался до предела с трудом:
 Вложение 1192692
 Провода вверху: управляющие + акустические, пока не закреплены под порогом:
 Вложение 1192694Вложение 1192696Вложение 1192698Вложение 1192700
 i-Ton 8 и Noise Block 2 в городе нашем не продаётся, хотя материал превосходный и недорогой. Пришлось заказывать с Красноярска.
 i-Ton 8 намного приятней в работе, чем Акцент. Акцент вообще отвратный материал. Форму изгибов принимает плохо, клей плохой, плохо сминается. Раньше его клеил в багажник и оказалось, что он просто-напросто отклеился во многих местах, а клей на поверхности остался и тянется за материалом.
 i-Ton держится просто отлично, мягкий, не отваливается. И, судя по обзорам, имеет большую эффективность при меньшей стоимости.
     Вложений: 18
 Re: Toyota Celica ST202. На пути к SQ.
  Часть 1.5. Держатель предохранителя силовая проводка под капотом.
 
Силовую проводку в систему заказывал с Ростова. Это лужёная медь Pride 2Ga минус и плюс до багажника, 2Ga на питание моноблока и 4Ga на питание 4-х канальника. Хотел купить Ураловские провода. Но цена медных проводов ураловских такая же, как у лужёных прайдовских! Провода отличные.
 Вложение 1192784Вложение 1192786
Для питания магнитолы использовал ПГВА 4 квадрата.
Обжимал провода прессом ПГ-70К. Пресс гидравлический с клапаном. Цена раньше была 1700, а теперь обошолся в 4300.
 Вложение 1192788
Использовал термоусадку с клеевым слоем. Термоусадка конечно отличная, сжимается в 4 раза. Поэтому толщина в результате получается отменная. Клеевой слой нужно хорошенько прогревать, чтобы он заблестел по краям и чуть поплыл. Цена за это удовольствие — 450 рублей за метр.
 Вложение 1192790Вложение 1192792Вложение 1192794Вложение 1192796
По-началу замерил зазор до капота, так как боялся, что места для проводов будет недостаточно. Использовал пластилин для этого)) Места предостаточно оказалось.
 Вложение 1192798
Каркас делался таким образом, чтобы крепление использовало штатные закладные гайки. Не знаю для чего и в какой комплектации они использовались, но в данном случае оказались как раз кстати. Может кому пригодится моя идея расположения крепления предохранителя.
 Вложение 1192800
Длина отрезка провода от предохранителя до клеммы в пределах нормы в 30 см.
 Вложение 1192802
Провода заводил через резиновую заглушку, которую до меня уже порезал предыдущий владелец. Видать до меня там уже ставили усилки. Об этом говорят и порезанные резиновые муфты в дверях!
 Вложение 1192804
Минус на магнитолу и усилки зафиксировал площадками под стяжки, приклеенные на полиуретановый герметик к резиновым площадкам, которые упираются в аккумулятор.
 Вложение 1192806
Изначально хотел, чтобы болты крепления держателя предохранителя не касались металлического каркаса. Он крепится к текстолитовой пластине, а она уже, в свою очередь, крепится черными болтами в каркасу. Чёрные болтики спецом заказывал с аллиэкспресса.
Крепление для предохранителя магнитолы сделал слева каркаса под пластиной. Одевается на направляющую и фиксируется болтом. Чуток поизвращался :).
 Вложение 1192810Вложение 1192808Вложение 1192812
Каркас временно покрасил термостойкой краской! Так как купил генератор от Вероссы на 130А и планирую ставить предохранитель на дубль генератора. Значит каркас будет переделываться. И уже готовый вариант покрашу порошковой краской!
Провода с каркаса уходят между воздуханом и патрубком. Силовой провод не крепится к воздушному коробу и штатному жгуту проводов на двигателе! Вибрации передаются на болт держателя и я беспокоился за его прочность. Плюсовой провод крепится исключительно к каркасу, проходит мимо воздушного короба и соединяется со штатным жгутом прямо возле перегородки. Всё прочно и неподвижно, никаких вибраций.
 Вложение 1192814
Предохранитель магнитолы видно снизу:
 Вложение 1192816
Ну и остальные фотографии готового варианта версии 0,9 :), так как будет переделываться в скором будущем под предохранитель для генератора в 130А:
 Вложение 1192818
     Вложений: 13
 Re: Toyota Celica ST202. На пути к SQ.
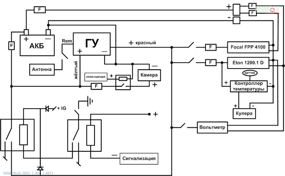
  Часть 1.6. Управляющая проводка и схема её подключения.
 
Схема расключки магнитолы, камеры, усилителей, всех выключателей и так далее представлена на схеме ниже. Единственное, что нужно исправить, так это добавить реле на включение усилков после активации магнитолы. Иначе пока магнитола не загрузится, в системе слышны сильные шумы. В следующей вариации это исправлю, добавлю реле. Все реле будут транзисторными с потреблением всего 6 мА!
 Вложение 1193452
Для управляющей проводки и подключения вольтметра использовал ПГВА провод. На Rem усилителей кинул 1,5 квадрата с предохранителями. На моноблок номинал предохранителя 1 А, так как от него будут питаться кулера, контроллер температуры. На 4-х канальник номинал в 0,5 А.
Камеру запитал с одной точки через реле, чтобы избежать наводок. Предохранитель на камере в 0,1 А.
От дистрибьютора до вольтметра предохранитель на 0,2 А.
 Поставил обычное реле на включение магнитолы и усилков, но заказал реле на транзисторах, потребляющее 6 мА вместо 140! Заменю.
Управляющие провода провёл вместе с акустическими по левому порогу. Крепил всё на пластиковые площадки, с которых предварительно срезал скотч и клеил на полиуретановый герметик.
 Вложение 1193454Вложение 1193456Вложение 1193458
Из штатного жгута на магнитолу задействовал всего несколько проводов. Заранее на будущее вывел из этого жгута провод Mute.
 Вложение 1193460
Также кинул 2,5 квадрата на соленоид открытия багажника. В будущем буду ставить и не хочется всё снова разбирать.
Когда вывел все провода по центру, то немного опешил от количества, а ведь ещё не были выведены провода на вольтметр и кнопки!
 Вложение 1193462Вложение 1193464
Минус питания катушки реле кинул штатный болт массы. Сверху покрыл спец средством от окисления:
 Вложение 1193466Вложение 1193468Вложение 1193470
Постепенно всё преобразилось. Реле закрепил на резьбовые заклёпки и болты из нержавейки:
 Вложение 1193472
 Предохранители:
 Вложение 1193474
 Вложение 1193476
     Вложений: 19
 Re: Toyota Celica ST202. На пути к SQ.
  Часть 1.7. Каркас под усилители, схема проводки по салону.
 
 Сразу же оговорюсь, что каркас незаконченный. Сверху всю конструкцию будет закрывать декоративная панель-крыло! Под неё буду приваривать крепления на каркасе, обтачивать швы, заглушу отверстия в трубах. После этого только покрашу порошковой краской.
Текстолит тоже не обточен, края не закруглены. Как только сделаю сабвуфер, зашпаклюю текстолит и покрашу его.
В связи с этим все провода сделал с запасом, так как конструкция будет снимать для подгонки сабвуфера, покраски и так далее! Силовые тоже подключены и проведены не там где они будут в конечном варианте, чтобы был запас. В конечном варианте все будет лежать чётко, красиво, не мешая друг другу!
 Расключка временная, пока не изготовлю саб!
Итак, схема пролегания проводки по кузову следующая:
 Вложение 1193554
 
Силовые кабеля сечением 35 квадратов спрятаны в змейку и защищены в некоторых местах разрезной гофрой. Крепится плюс и минус каждые 15 см пластиковыми площадками на полиуретановый герметик!
Сила пролегает по полу.
 Вложение 1193556
 
Акустические провода левой стороны и управляющие провода идут по левому порогу вдалеке от силовых.
Межблоки пролегают частично по полу правого борта и дальше идут через центральный тоннель, проходя под сидениями.
 Вложение 1193558Вложение 1193560Вложение 1193562
 
Акустические провёл отдельно от силовых по левому борту и отдельно от межблоков по правому борту. Делал всё впервые и опасался наводок, которыми все пугают. Проблем это не доставило, зато теперь более спокоен и запас провода имеется на всякий случай.
 Вложение 1193564Вложение 1193566
 
По левой стойке вывел акустические провода и провода на вольтметр. Там проводу не за что крепиться, поэтому на герметик наклеил всё те же площадки.
 Вложение 1193568Вложение 1193570
 
 Хоть проводка подключена временно, но я себе не позволил подключить их наобум :)) Сделал всё по феншую. Кстати, лишний провод торчащий из втулочного наконечника рекомендую обрезать отрезным диском гравера! Медь на торце становится как будто монолитной.
 Вложение 1193572Вложение 1193574
 
Каркас представляет из себя следующую конструкцию:
 Вложение 1193576
 
Долго думал как лучше его закрепить, чтобы задействовать штатные места креплений. Моноблок Eton будет находиться за сидением. Зазор между сидениями и моноблоком, моноблоком и сабвуфером — 5 см.
На середину каркаса будет приварен упор для задних сидений. Чтобы люфт сидений не сломал декоративную панель, которая будет находиться сверху.
Каркас прикручивается в лонжероны на закладные площадки с приваренными гайками. Металл там очень тонкий, но и нагрузки не несёт. Так как каркас фактически вертикален. Даже будучи незакреплённым каркас уверенно стоит.
 Вложение 1193578
 
Сверху каркас приварен на уши фиксации задних сидений.
 Вложение 1193566Вложение 1193580
 
Слева от моноблока сделано отверстие под разъём сабвуфера. Рукой очень удобно будет отключать саб и демонтировать из багажника.
На фото видны петли проводов с запасом. Их не будет в итоговом инсталле!
 Вложение 1193582
 
Слева от этого отверстия место на текстолите будет занимать контроллер температуры, который по сигналу датчика будет включать кулера на охлаждение. навряд ли он понадобится, так как моноблок цифровой, но мало ли, что поставлю вместо него в будущем.
 Вложение 1193584Вложение 1193586Вложение 1193588
 
А вот так заделаны акустические провода:
 Вложение 1193590