Re: Какой-то непонятный кросс
Цитата:
Сообщение от
elev
вопросы вполне логичные, может имеет смысл задать их изготовителю? люди все-таки ОЧЕНЬ известные, пусть и объяснят. Ты главное не стесняйся :)
в принципе можно предположить следующее:
1. СЧ снизу подрезаешь ты, а сверху оно само убирается естественным спадом
2. переверни кроссовер вдоль вертикальной линии относительно крышки, и тогда получится, согласно маркировке, что конденсатор подключен всегда, а два резистора и видимо просто проводник будут отвечать за ослабление уровня, т.е. тупо ошиблись, когда в корпус запихивали, не так повернули
Да в том то и дело что производитель, говорит не парься включай и все будет гут :ireful2: Не совсем понял как повернуть. :SHABLON_padonak_04:
Цитата:
Поздравляю с приобретением конденсатора и коробочки.Может задача стояла -сделайте как нибудь ,вот и сделали.
Да нет, задача стояла нормально сделать :eek:
Цитата:
Bumer, Попробуйте на листочке схему нарисовать, немного непонятно место на входе где две клеммы у кросса.Одну версию с переворотом коробочки уже правильно подметили. Возможно будут ещё варианты.
Вот
http://s40.radikal.ru/i087/1108/6e/1a6e61a475fd.jpg
Re: Какой-то непонятный кросс
Цитата:
Сообщение от
Bumer
Вот
Скажу Вам,что встречал такие кроссы у людей известных в автозвуке. Конденсатор находился в постоянном подключении, без резисторов.)))
Если поставить перемычку на +2 и 0 похоже по схеме можно получить аттенюацию типа аля с "Цобелем" 0 Db. +2 и -2 соответственно 0. Просто подключать без конденсатора нельзя. Попробуйте с перемычкой.Индуктивность резюков возможно гасится ёмкостью кондёра,может и не так плохи резюки как тут пишут. Послушайте во всех вариантах ,что понравится так и оставьте.Мне с резюками не нравилось.
Re: Какой-то непонятный кросс
Цитата:
Сообщение от
Bumer
Да нет, задача стояла нормально сделать
Сделать нормальный кроссовер в отрыве от авто невозможно,отсюда первый порядок на свисток и распущенный сдм с верху.Резисторы ##### полное,и уж если дг промеряли ,то могли бы сделать нормальный атентюатор.
Цитата:
Если поставить перемычку на +2 и 0 похоже по схеме можно получить аттенюацию типа аля с "Цобелем" 0 Db. +2 и -2 соответственно 0
А это как ?
Re: Какой-то непонятный кросс
Цитата:
Сообщение от
volk101
Скажу Вам,что встречал такие кроссы у людей известных в автозвуке. Конденсатор находился в постоянном подключении, без резисторов.)))
Если поставить перемычку на +2 и 0 похоже по схеме можно получить аттенюацию типа аля с "Цобелем" 0 Db. +2 и -2 соответственно 0. Просто подключать без конденсатора нельзя. Попробуйте с перемычкой.Индуктивность резюков возможно гасится ёмкостью кондёра,может и не так плохи резюки как тут пишут. Послушайте во всех вариантах ,что понравится так и оставьте.Мне с резюками не нравилось.
Т.е. вот так
http://s48.radikal.ru/i121/1108/45/220426e7dd3b.jpg
Либо так
http://s61.radikal.ru/i171/1108/76/a17b21953a17.jpg
Я правильно понял???
Цитата:
Резисторы ##### полное
Какие посоветуете??
Re: Какой-то непонятный кросс
Цитата:
Сообщение от
Bumer
Т.е. вот так
Либо так
Я правильно понял???
если замкнуть конденсатор резистором, то конденсатор тогда не нужен получается, непорезаный сигнал пойдёт на пищалку, только уровень чуть снизится(1 или 2 ом) так что делать так не стОит
Re: Какой-то непонятный кросс
Тогда какие перемычки, и куда???:eek:
Re: Какой-то непонятный кросс
Цитата:
Сообщение от
alexkor
если замкнуть конденсатор резистором, то конденсатор тогда не нужен получается, непорезаный сигнал пойдёт на пищалку, только уровень чуть снизится(1 или 2 ом) так что делать так не стОит
А Вы пробовали прибором замерить такоое соединение и дальше делать вывод о непорезаности сигнала ?А так делать возможно и правда не стоит.
Цитата:
Сообщение от
Bumer
Т.е. вот так
Да так.Второй вариант у нас остаётся это включение резисторов на минус.Тогда они у СЧ уровень убавлять будут.
Вложений: 1
Re: Какой-то непонятный кросс
Re: Какой-то непонятный кросс
Цитата:
Сообщение от
Rover
Нет не так, вот сделал фоты получше:
http://s011.radikal.ru/i316/1108/da/f9c8d1187129.jpg
и
http://s54.radikal.ru/i144/1108/ce/889cdb5c4fad.jpg
Именно так как я начертил:scratch_one-s_head:
Вложений: 1
Re: Какой-то непонятный кросс
Цитата:
Сообщение от
Bumer
Ну так переделай, как я начертил и не рви себе мозх, а по-хорошему не надо такую схему юзать, ибо резистор последовательно с пищалкой не есть гут.
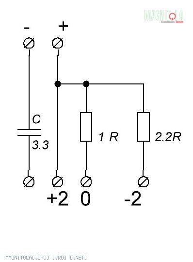
Из твоего "набора" самой оптимальнй будет такая схема:
Вложение 125975