Вроде правильно, с какой стороны смотреть, но что бы не ошибиться, земляной провод прозвоните на корпус аппарата.
Вложение 259286
Вид для печати
Вроде правильно, с какой стороны смотреть, но что бы не ошибиться, земляной провод прозвоните на корпус аппарата.
Вложение 259286
Извините, вас ист "гайд" , по русски - чего надо? Может у меня есть! http://www.google.ru/search?hl=ru&q=...B0%D0%B9%D0%B4
Спорить не буду, "чудны дела твои Господи!" Может кто уже твикнул как я! В моем, купленном в магазине, не было. Зуб даю!
Да...
А год выпуска у Вашего какой?
И всё? Делов-то!
http://www.nakremotes.com/Geo/Nak%20CD-45z.pdf
или
господа, все еще в раздумьях заморачиваться ли с ремонтом...времени не особо много, да и откровенно боязно так радикально менять ГУ
вот вскользь посмотрел - настройки минималистические! допустим Челики мне позволят порезать полосы по частотам, но как скажем реализовать задержки? возможно ли будет построить сцену с одним лишь 45м??
Для меня ответ однозначный - ДА!
У меня было (и есть) много магнитол и пионеры, и клары, и джвиси, панасы, альпайны, филипс, кенвуд... слушал их все и у себя в машине, и на других. По роду работы так сказать (занимался их ремонтом )
Модели разные, конечно не все высшей линейки, но были и такие. К наку пришел не сразу, сначала гонялся за функционалом, но звук нака все перевесил. Была-бы возможность по финансам взял-бы Макинтош, но нак. очень близко к нему, еще кларион HX D2 и денон, все остальное отстой!
По поводу сцены, вопрос не простой и спорный, но короткий тракт перевесит все эти электронные примочки по естественности звучания. Музыку ведь делаете для себя. Загуглите 45-й и увидите во скольких проектах исользуется нак. Не сомневайтесь! :download:
Не понравится, продадите, легенду!
привык уже как то к тому, что есть. МП3, все настройки с ГУ... взяв Нак повелся на цену комплекта, понимаю что заморачиваться с ремонтом нет времени и очень уж сильного желания. Но как то уж всетаки не по себе расставаться с ним, так и не узнав, что за персонаж. Вобщем как говорится: "Ну и свинья ты Пятачок, сам не знаешь чего хочешь" :D если быстро не подам - тогда буду кумекать
По поводу МП3, есть вход AUX, цепляй что хочешь! Ведь выход?! Продавать, тоже лучше рабочий аппарат, а если будет рабочий то грех не попробовать, делов-то?! Хотя бы как есть, а вдруг так зацепит, что АХ!!! (Как меня!) Сцену для себя-любимого выстроить проще, а пассажиры обойдутся:laugh3: Хотя честно говоря, все кто садятся ко мне в машину сразу обращают внимание на Очччень качественный звук (начинают крутить головами - ищут источник неожиданных звуков!) а "специалистов" по сцене "гнать надо поганой метлой" а то обязательно об-срут - из зависти! Скажут все хорошо, но вот на заднем плане, в правом углу во втором верхнем ряду вокал плохо раскрыт!!!!!:punish2:
У МВ100 должен быть провод тюльпан-тюльпан от самого ГУ к блоку. У меня его нет. Можно любой поставить?
Конечно.
Спасибо.
От цены провода ничего не зависит? А то в проводных магазинах их куча и цена разная...
ну надо же людям заработать... :)
-----От цены провода ничего не зависит? -----
Ну не совсем, поверьте, самый дешевый, китайский брать не стоит. Там медная жилка внутри, чем дешевле - тем она тоньше, вывод делайте сами (просто будет рваться внутри под изоляцией!) Плюс качество тюльпанов. Не говоря про качество сигнала через него. Нужно найти оптимум!
отправил таки 45й в ремонт!
пока она там латается, я потихоньку читаю темы, посвященные НАКам...Возникла честно говоря куча вопросов! вот пара мыслей, которые мне хотелось бы, чтобы вы прокомментировали!
1) Можно ли вообще говорить о неповторимом звучании 45го, если используется МФ-31? Он звучит так же неповторимо? :D
Серьёзно, сильную ли ожидать разницу и готовиться использовать 31й только в интимные моменты? :D
2) Правильно ли я понял, что если использовать например Дак-101 и цифру с МФ-51, то начинка головы меня впринципе не должна интересовать, т.к. она используется исключительно для управления чейнджером? соответственно родной 13-пиновый провод тоже в этом случае совсем необязателен?
1. С ченджера звучание несколько другое. Не лучше, не хуже, просто другое. На ходу разницы не заметишь.
2. управлять можно, для этого и нужен 13-пиновый кабель (используются 9).
я имел ввиду наличие именно родства кабелей и функциональность ГУ как проирывателя СД необязательна, ведь так?
т.е. я могу использовать к примеру 45й вовсе без лазера, с отверткой в диско-приемнике и выдернутыми линейниками, используя для коммутации с чейнджером ЛЮБОЙ 13-пиновый провод, лишь бы на ГУ нажимались кнопки и горела подстветка?
В принципе, - да.
Спасибо! :)
Там внешний DAC планируется. :)
ребятки, я вот совсем запутался! пока еще честно скажу не слушал магнитолу, вкуриваю лишь историю да теорию!
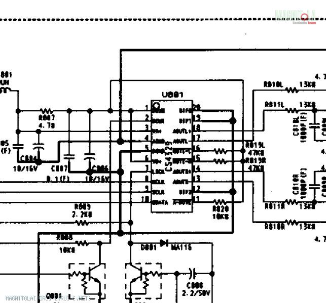
Сегодня забрал 45й с ремонта (залечили линейники, лазер под замену - но его не оказалось). Состоялся весьма интересный разговор с мастером! Я сказал мол ну и фиг с лазером, всеравно будет с чейнджера играть. На что услышал без доли сомнений в голосе ответ, мол тогда нет абсолютно никакого смысла ставить 45й! Его и прелесть в том, что в отличии от 35го и 40го - в нем 20-битный ЦАП на собственной микросхеме, не всякие там BBи др., поэтому в широких массах не так хорошо известно, что это мультибит! Мастер был абсолютно уверен в своих словах, говоря что перебирал их все!
Пришел домой начал копать...Удалось отыскать лишь то, что он сделан на 20-разрядной дельта-сигме CS4329 ,т.е. ни о каких мультибитных ЦАПах речи не идет. Схема это подтверждает, причем для всех 3х моделей:
Вложение 263968
Кто-нибудь поставит точку?
Кстати к слову, понять что выполняет функцию ЦАПа в МФ-31 вообще не удалось...
TC9293AF :)
Вложение 263984
эт я кстати сумел увидеть, но вот найти её описание мне не удалось, лишь
из популярных как я понял...:smile3: вот и подумал, может там проц роль цапа выполняет...Цитата:
Toshiba :
TC9219 - 1 бит
TC9237 - 1 бит
TC9268 - 1 бит
Кстати, завтра в моих руках должен будет оказаться Нак, предыдущим хозяином которого являлись вы, Владимир :D
Ловите.
дельта-сигма с заявленным разрешшением 20 Бит (CS4329-KS от Crystal Semiconductors)
CS4329 это дельта-сигма с заявленным разрешением в 20 бит, что в принципе очень не плохо. http://www.compitech.ru/html.cgi/arh...05/stat_56.htm
Для себя купил на еВау CS4390 - 24 битный, уже приехал, в понедельник буду пробовать.:blum3:
Не в битах щастье, брат..... :(
а есть ли в природе человек, который на пальцах сможет объяснить например продавщице колбасного отдела различие мультибитного ЦАП от дельта-сигмы при той же разрядности на 1-битном ЦАПе? я понял например, что разница в принципе фильтрации шумов и быстродействии, но почему выделяют именно мультибитники на фоне дельта-сигм? чем они так хороши, если их уже практически не производят? :D
эт как бы один вопрос. а второй - сейчас все современные магнитолы говорят сделаны на 24-разрядной дельта-сигме, тогда почему все они уступят в звучании тому же НАКу на ДОПУСТИМ таком же ЦАПе?
если кому то не захочется засорять тему, приму ответ в личку! если кто-то хочет спросить "нахрен тебе это надо", то отвечу: мне ДЕЙСТВИТЕЛЬНО это интересно именно на теоритическом уровне
Ходят легенды об особенном алгоритме обработки цифрового сигнала, придуманным Ниро Накамити и используемом в СД ресиверах фирмы..
Правильно, а в их количестве!:laugh3: Если у тебя есть 24 бита, значит на твоей стороне правда, так-то брат!:punish2::laugh3:
Шутка, без обид!
Мультибитники на фоне дельта-сигм, гораздо дороже в производстве, поэтому и не выпускают.
По цапам, тут интересные ссылки в тексте http://www.freeadvice.ru/view_article.php?id=42
---------- Сообщение добавлено 20.08.2012 в 22:02 ----------
Vladimir,
Здравствуйте, можете скинуть мануал со схемой на чейнджер MF-31 (51)?
Спасибо. (( andro@i.ua ))
Засада, поставил CS4390, оказался битый или подделка:scratch_one-s_head:Куплен был в Гонконге. Короче перепаял обратно CS4329, полет нормальный. Обидно, однако.
а кто может сказать, почему к модели с янтарной подсветкой не подходит панель с зеленой подсветкой,и наоборот? т.е. функциональность кнопок присутствует, подсветка горит, но отсутствует шрифт?
Дело не в подсветке, а в наличии или отсутствии РДС. Панели невзаимозаменяемы.