Это ты сейчас с кем разговаривал? )))
я до сих пор регулятор не спаяю..(((
Вид для печати
+1 Мудрилы :)
Вложение 74102
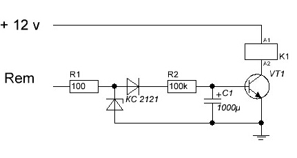
Диод и транзистор любые, реле тоже любое на 12В, хоть автомобильное. Величиной С устанавливаем время задержки.
R1 и КС 212 из схемы можно выкинуть, будет немного плавать таймер.
http://magnitola.org/images/misc/pencil.png
Ой да ладно ))) про сложности то уж кому говорить токма не брату Rover :)
так можно вообще и до вариации тупо реле с кондёром дойти )))
зы: в этом на транзисторе есть несколько нюансов - большой величины конденсатор, неудобство выставления времени задержки, гистерезис (задержка по выключению) после снятия Rem.
А говорили ничего не знаете ))), ищи сам. Во как, разоткравенничались. Аж глаза разбежались, от такого выбора.
А у меня саб - секунды на 2.... Ну и х с ним, паять что-та лень....