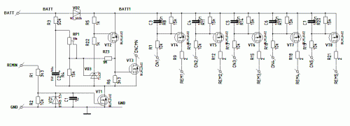
Володь, Pioneerxp2, а вам не кажется немного странным способ управления реле??
Вид для печати
Володь, Pioneerxp2, а вам не кажется немного странным способ управления реле??
Шахиды рядом с хохлами - дети :):
http://autozvuk.org/forum2/attachmen...1&d=1271230107
http://autozvuk.org/forum2/showthread.php?t=4249
http://www.meandr.ru/foto/rvo-r-y-151_big.jpg
Готового - полно, не, им дай спаять че нибудь... зызызы