Re: Схемотехника преобразователей уровня сигнала
Цитата:
Сообщение от
Flatout
Да, Википедия врёт. Гальваническая развязка должна исключить протекание электрического тока между двумя разными "землями". Вот трансформатор исключает, а ёмкость наоборот способствует. Кстати, у трансформатора гальванической развязки, и у оптрона, есть такое понятие, как "паразитная емкость", которую всячески пытаются уменьшить. Так что Википедия это всего лишь продукт нашего времени...
+100500!!!
Re: Схемотехника преобразователей уровня сигнала
Цитата:
Сообщение от
Flatout
Да, Википедия врёт. Гальваническая развязка должна исключить протекание электрического тока между двумя разными "землями". Вот трансформатор исключает, а ёмкость наоборот способствует. Кстати, у трансформатора гальванической развязки, и у оптрона, есть такое понятие, как "паразитная емкость", которую всячески пытаются уменьшить. Так что Википедия это всего лишь продукт нашего времени.
Почти ясно. Толковый словарь говорит, что слово гальваника это про процессы на постоянном токе. Как через конденсатор течёт что-то при постоянном токе?
Re: Схемотехника преобразователей уровня сигнала
Цитата:
Сообщение от
ay7ru
Почти ясно. Толковый словарь говорит, что слово гальваника это про процессы на постоянном токе. Как через конденсатор течёт что-то при постоянном токе?
Во истину по классике )))
"Горе от ума"...
Re: Схемотехника преобразователей уровня сигнала
Цитата:
Сообщение от
FFZ
Во истину по классике )))
"Горе от ума"...
Ну так раздел же - Вопросы новичков
Re: Схемотехника преобразователей уровня сигнала
Цитата:
Сообщение от
ay7ru
Ну так раздел же - Вопросы новичков
Ну так и выбирайте кого слушать,практиков или Википедию )))
Re: Схемотехника преобразователей уровня сигнала
Цитата:
Сообщение от
Флекс 71**
Ну так и выбирайте кого слушать,практиков или Википедию )))
Пока написанное практиками слишком не понятно. Исследуем девайс под названием преобразователь уровня сигнала. Пластиковая коробочка. вход по проводам, выход по проводам. В проводах переменный сигнал. Откуда там взять постоянным токам, от которых все пытаются защититься - "гальваническая развязка" я не могу понять.
Re: Схемотехника преобразователей уровня сигнала
особенность работы ИМС от однополярного питания - на выходе висит половина питающего напряжения,
в мостовом режиме динамик этого не 'видит', поскольку на каждом проводе одинакоый постоянный потенциал.
и да, писать в википедии может любой желающий ))
Вложений: 1
Re: Схемотехника преобразователей уровня сигнала
Цитата:
Сообщение от
A!exT
особенность работы ИМС от однополярного питания - на выходе висит половина питающего напряжения,
в мостовом режиме динамик этого не 'видит', поскольку на каждом проводе одинакоый постоянный потенциал.
и да, писать в википедии может любой желающий ))
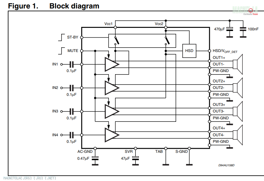
А я почему-то думал, что на каждый динамик в случае TDA7850, для заявленной характеристики 4х48 Вт подаётся +12 и -12 в - и того 24 В
Вложение 1234456
Про то, что писать в википедии может каждый я знаю - пара статей моих там есть. Но вот писать там ересь, что бы не говорили, на долго не получается. Грамотные люди всё-таки есть и её удаляют. Поэтому сказать, что википедия это полный прогон и миллионы людей ошибаются - я всегда отправляю попытаться поправить её, и наставить миллионы на путь истинный.
Re: Схемотехника преобразователей уровня сигнала
ay7ru,
А откуда минус двенадцать взять ?
Re: Схемотехника преобразователей уровня сигнала
Цитата:
Сообщение от
Флекс 71**
ay7ru,
А откуда минус двенадцать взять ?
Да ХЗ - надо у STMicroelectronics спрашивать. Но в даташите на TDA7850 (и не только на неё) у них на динамики идут OUT+ и OUT-, а земля отдельно.
Выкопировку из даташита приложил