Впредверии установки аудиосистемы в свой автомобиль решил, во-первых, подготовиться теоретически (что хочу, что для этого надо, надо ли мне все это). Пробежался по форому, пофтыкал в разные темы. И вот набросал пару функциональных схем. Собственно, наваял я их, чтобы понять правильно ли я понимаю, что к чему в автозвуке.
А вот и моя мазня раз:![]()
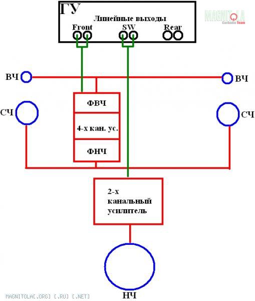
А вот и два:
Теперь немного слов.
Насколько я понял, для осуществления первой схЭмы необходима не простая голова, а ... специальная, с возможностью переключить линеые выхода на работу в режиме 3-х диапазонов частот (ВЧ/СЧ/НЧ). Эта возможность ГУ позволит не пользоваться встроенными в усилители фильтрами частот. Также, если такое ГУ будет способно играться с временными задержками, то будет совсем хорошо. Минусы: дорого стоит, а если не дорого, то выбор не велик (Clarion DXZ788RUSB, пионер 88 и т.п.)
Вторая же схема вроде как тоже осуществляет поканальное усиление, правда для этого нужно будет пользоваться фильтрами усилителей, ну или внешними кроссоверами. А вот с временными задержками уже туго, точнее никак (правда краем уха прочитал, что можно какой-то процессор замутить и будет Щастье, но оно дорого обойдется). Плюсы: голов с 3-мя линейными выходами куева туча и, как правило, они дешевле чем "специальные" ГУ
Вопрос таков: правильно ли я все понимаю и изъясняю?
ЗЫ а вобще, темку я создал, чтобы определиться с ГУ)
ЗЫЫ в поиск посылайте, я и так там щас нахожусь
Полезные темы:








Есть такое понятие МИД бас. Наверно поиск рулит




Социальные закладки