Форум автозвука и установки музыки в автомобиль
Страница 2 из 3 ПерваяПервая 123 ПоследняяПоследняя
Показано с 11 по 20 из 22

Схема задержки включения.

  1. #11
    Активист Установщик
    Репутация Репутация Репутация Репутация Репутация Репутация Репутация Репутация Репутация Репутация Репутация Репутация Репутация Репутация
    Репутация: 75908
    Регистрация
    26.10.2012
    Город/село
    западноканадская деревня
    Сообщений
    391
    Спасибо (Раздал)
    1715
    Спасибо (Получил)
    1127

    Re: Схема задержки включения.

    Цитата Сообщение от Garmin Посмотреть сообщение
    Было бы с чего разрешение спрашивать! Это не космический корабль. Выкладывай.
    Нажмите на изображение для увеличения
Название: Amp relay.jpg
Просмотров: 0
Размер:	114.6 Кб
ID:	382066

    Как скажете.


  2. # 0+

    Если Вы впервые на нашем Форуме:

    1. Обратите внимание на список полезных тем в первом сообщении.
    2. Термины и наиболее популярные модели в сообщениях подсвечиваются быстрыми подсказками и ссылками на соответствующие статьи в МагВикипедии и Каталоге.
    3. Для изучения Форума не обязательно регистрироваться - практически весь профильный контент, включая файлы, картинки и видео, открыты для гостей.

    С наилучшими пожеланиями,
    Администрация Форума автозвука Магнитола


     

  3. #12
    Заябатый Начальник смены
    Репутация Репутация
    Репутация Репутация Репутация Репутация Репутация Репутация Репутация Репутация Репутация Репутация Репутация Репутация
    Репутация: 257585 Аватар для Зая
    Регистрация
    12.01.2009
    Город/село
    Сибирь, Барнаул => Юг, Краснодар
    Сообщений
    2,255
    Спасибо (Раздал)
    1325
    Спасибо (Получил)
    2988

    Re: Схема задержки включения.

    Возродим тему.... где такой ксенон взять? алиэкспресс?


  4. #13
    Активист Стажер
    Репутация Репутация
    Репутация: 300
    Регистрация
    07.05.2007
    Город/село
    Пермь 59 RUS
    Сообщений
    50
    Спасибо (Раздал)
    3
    Спасибо (Получил)
    2

    Re: Схема задержки включения.

    Цитата Сообщение от Serg_C Посмотреть сообщение
    Нажмите на изображение для увеличения
Название: Amp relay.jpg
Просмотров: 0
Размер:	114.6 Кб
ID:	382066

    Как скажете.
    Оч. хочу собрать такую схемку, но но фото не понятны ниминалы некоторых элементов, можете помочь ?


  5. #14
    Активист Бригадир
    Репутация
    Репутация Репутация Репутация Репутация Репутация Репутация Репутация Репутация Репутация
    Репутация: 117793 Аватар для Garmin
    Регистрация
    01.06.2010
    Город/село
    Киев
    Сообщений
    762
    Спасибо (Раздал)
    158
    Спасибо (Получил)
    839

    Re: Схема задержки включения.

    Каких именно?


  6. #15
    Активист Стажер
    Репутация Репутация
    Репутация: 300
    Регистрация
    07.05.2007
    Город/село
    Пермь 59 RUS
    Сообщений
    50
    Спасибо (Раздал)
    3
    Спасибо (Получил)
    2

    Re: Схема задержки включения.

    Цитата Сообщение от Garmin Посмотреть сообщение
    Каких именно?
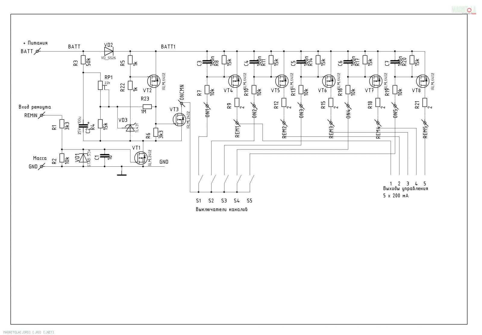
    1) Резисторы на схеме каких мощностей ? Эти резисторы типов: чип-резистор ?
    2) VD1 - стабилитрон ? любой стабилитрон на 5.5 вольт ? Если да, то таких стабитронов не нашел, есть только 5.1 и 5.6 Вольтовые.
    3) Конденсатор С1, на схеме не вижу какой номинал у него ? и какой тип конденсатора (smd (чип), керамический, электролит или еще какой ?)
    4) Кондесатор С2, на схеме какого номнала ? на 100 (нанофарад,пикофара, или микрофарад) ?
    5) VD3 - это кремниевый стабилитрон TL431 ?
    6) RP1 - подстроечный резистор на 22 Kom ?
    7) Резистор R1 3k3 - это резистор на 3.3 Kom ?
    8) VD2 (ss26) - диод модели ss26 ?
    9) С3 - кондесатор на 100n - это на 100 (нанофарад,пикофара, или микрофарад) ?
    10) Резисторы R9, R12, R15, R18, R21 - какого номинала ?
    И еще, в моей агнитоле нет ремоут выхода, можно я соединю вместе входы Ремоут IN c Batt + ?


  7. #16
    Активист Бригадир
    Репутация
    Репутация Репутация Репутация Репутация Репутация Репутация Репутация Репутация Репутация
    Репутация: 117793 Аватар для Garmin
    Регистрация
    01.06.2010
    Город/село
    Киев
    Сообщений
    762
    Спасибо (Раздал)
    158
    Спасибо (Получил)
    839

    Re: Схема задержки включения.

    1) Резисторы на схеме каких мощностей ? Эти резисторы типов: чип-резистор ? - Мощность 0,0625Вт, смд 0805, при желании можно использовать любые.
    2) VD1 - стабилитрон ? любой стабилитрон на 5.5 вольт ? Если да, то таких стабитронов не нашел, есть только 5.1 и 5.6 Вольтовые. - подойдёт и 5,1 и 5,6 вольт
    3) Конденсатор С1, на схеме не вижу какой номинал у него ? и какой тип конденсатора (smd (чип), керамический, электролит или еще какой ?) - 1 микрофарада, тип не важен
    4) Кондесатор С2, на схеме какого номнала ? на 100 (нанофарад,пикофара, или микрофарад) ? - 100 микрофарад 25 вольт, там написано.
    5) VD3 - это кремниевый стабилитрон TL431 ? - да
    6) RP1 - подстроечный резистор на 22 Kom ? - да
    7) Резистор R1 3k3 - это резистор на 3.3 Kom ? - да
    8) VD2 (ss26) - диод модели ss26 ? - да, любой диод с током больше двух ампер.
    9) С3 - кондесатор на 100n - это на 100 (нанофарад,пикофара, или микрофарад) ? - 100 нанофарад
    10) Резисторы R9, R12, R15, R18, R21 - какого номинала ? - два ома
    И еще, в моей агнитоле нет ремоут выхода, можно я соединю вместе входы Ремоут IN c Batt + ? - нет, лучше соедини с зажиганием.


  8. #17
    Активист Стажер
    Репутация Репутация
    Репутация: 300
    Регистрация
    07.05.2007
    Город/село
    Пермь 59 RUS
    Сообщений
    50
    Спасибо (Раздал)
    3
    Спасибо (Получил)
    2

    Re: Схема задержки включения.

    Цитата Сообщение от Garmin Посмотреть сообщение
    1) Резисторы на схеме каких мощностей ? Эти резисторы типов: чип-резистор ? - Мощность 0,0625Вт, смд 0805, при желании можно использовать любые.
    2) VD1 - стабилитрон ? любой стабилитрон на 5.5 вольт ? Если да, то таких стабитронов не нашел, есть только 5.1 и 5.6 Вольтовые. - подойдёт и 5,1 и 5,6 вольт
    3) Конденсатор С1, на схеме не вижу какой номинал у него ? и какой тип конденсатора (smd (чип), керамический, электролит или еще какой ?) - 1 микрофарада, тип не важен
    4) Кондесатор С2, на схеме какого номнала ? на 100 (нанофарад,пикофара, или микрофарад) ? - 100 микрофарад 25 вольт, там написано.
    5) VD3 - это кремниевый стабилитрон TL431 ? - да
    6) RP1 - подстроечный резистор на 22 Kom ? - да
    7) Резистор R1 3k3 - это резистор на 3.3 Kom ? - да
    8) VD2 (ss26) - диод модели ss26 ? - да, любой диод с током больше двух ампер.
    9) С3 - кондесатор на 100n - это на 100 (нанофарад,пикофара, или микрофарад) ? - 100 нанофарад
    10) Резисторы R9, R12, R15, R18, R21 - какого номинала ? - два ома
    И еще, в моей агнитоле нет ремоут выхода, можно я соединю вместе входы Ремоут IN c Batt + ? - нет, лучше соедини с зажиганием.
    Спасибо Вам огромнейшее ! Теперь попробую собрать эту схемку. И вот что еще, по поводу соединить оба входа Ремоут IN c Batt +, я опечатался и имел в виду вот как соединить их: входы Ремоут IN и Batt + запитать оба этих входа от ACC (от зажигания), т.е. включил зажигание в 1е положение - активировался ACC, питание пошло на вход Ремоут IN и Batt + . Вот так можно ведь ?
    И еще, какое максимально допустимое напряжение можно подавать на вход в этой схеме ?


  9. #18
    Активист Бригадир
    Репутация
    Репутация Репутация Репутация Репутация Репутация Репутация Репутация Репутация Репутация
    Репутация: 117793 Аватар для Garmin
    Регистрация
    01.06.2010
    Город/село
    Киев
    Сообщений
    762
    Спасибо (Раздал)
    158
    Спасибо (Получил)
    839

    Re: Схема задержки включения.

    Цитата Сообщение от Mastercool Посмотреть сообщение
    по поводу соединить оба входа Ремоут IN c Batt +, я опечатался и имел в виду вот как соединить их: входы Ремоут IN и Batt + запитать оба этих входа от ACC (от зажигания), т.е. включил зажигание в 1е положение - активировался ACC, питание пошло на вход Ремоут IN и Batt + . Вот так можно ведь ?
    Нельзя. Батарея должна быть на постоянном питании.
    Цитата Сообщение от Mastercool Посмотреть сообщение
    И еще, какое максимально допустимое напряжение можно подавать на вход в этой схеме ?
    А какое вы хотите подавать?


  10. #19
    Активист Стажер
    Репутация Репутация
    Репутация: 300
    Регистрация
    07.05.2007
    Город/село
    Пермь 59 RUS
    Сообщений
    50
    Спасибо (Раздал)
    3
    Спасибо (Получил)
    2

    Re: Схема задержки включения.

    Цитата Сообщение от Garmin Посмотреть сообщение
    Нельзя. Батарея должна быть на постоянном питании.

    А какое вы хотите подавать?
    Питание этой схемы должно быть постоянно ? Нее, я на это не пойду...в авто привык чтобы все потребители были выключены , поэтому и задал вопрос о том чтобы от ACC запитать одновременно вход Ремоут IN и Batt +
    А запитывать схему хотел питанием максимум 14.5-14.7 Вольт (бортовое питание авто)


  11. #20
    Активист Стажер
    Репутация Репутация
    Репутация: 300
    Регистрация
    07.05.2007
    Город/село
    Пермь 59 RUS
    Сообщений
    50
    Спасибо (Раздал)
    3
    Спасибо (Получил)
    2

    Re: Схема задержки включения.

    Цитата Сообщение от Garmin Посмотреть сообщение
    Твой транзистор без радиатора выдержит максимум 6 ампер. Обязательно прицепи радиатор 50-70 кв.см. Максимальный ток 30 ампер. Я бы лучше применил IRF3205. И в процессе включения транзистор будет греться - он включается не мгновенно, работает в линейном режиме.
    Да, то что транзистор работает в линейном режиме это видно по видео наглядно. А если поставить IRF3205 как советет Garmin, то в схеме надо будет что еще переделывать ? И как работает этот IRF3205 транзистор ? Нелинейно, т.е. включение будет мгновенным, не нарастающим как у транзистора IRLR2905 ?


Социальные закладки

Социальные закладки

Ваши права

  • Вы не можете создавать новые темы
  • Вы не можете отвечать в темах
  • Вы не можете прикреплять вложения
  • Вы не можете редактировать свои сообщения
  •  
  cc by-nc-sa