Согласен. Осталось найти где она пропала
Вид для печати
если деффект перриодический, не пробовали шевелить пациента и подводящие, чисто на момент местного обрыва?
Перепроверив все что можно было во входной части обратил внимание вот на какую особенность: при отключенном ремоуте на входных ОУ присутствует напряжение 3,1В. Должно ли так быть?
Конечно можно. Выход вторички изменялся относительно клеммы ground усилителя. В этом случае имеем 3В. Если измеряем вторичные обмотки относительно их общей точки то имеем 0В. На контактах шим тоже везде 0. Но относительно клемммы ground если измерить remout получим 3В. Относительно клеммы ground на выходных разъемах тоже 3В.
---------- Сообщение добавлено 19.04.2015 в 20:19 ----------
Прозвонка тестером элементов пробоя нигде не показала
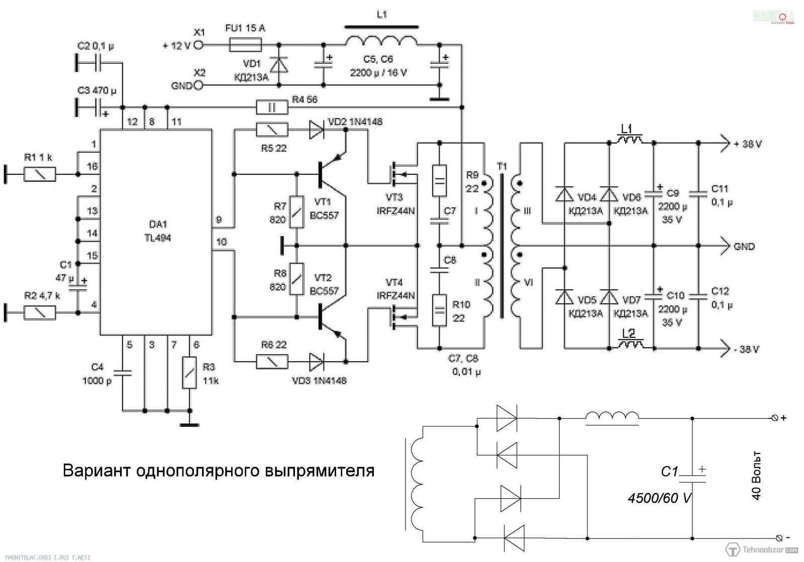
Вложение 759776
Вот значения с общей точки вторички на шим. А вот стабилизаторы я что-то на плате не нашел
или криво замерили, или шим сдох ))) напряжения на его ногах надо мерить относительно его земли (разъема GND питания)
Спасибо. В ближайшее время перемеряю и выложу результаты.
---------- Сообщение добавлено 20.04.2015 в 14:07 ----------
Перемерял шим. Относительно массы самой микросхемы ни на одной из ног напряжения нет. Но вот есть такой вопрос меряю 50n06 и если менять относительно массы усилителя то на центральной ноге +12В. А если мерять относительно центральной точки первичной обмотки то центральная нога 0В, а крайние по 12В
Если смотреть по ходу темы,то речь шла об ОУ,а оказывается Вы про ШИМ думали.Как понять логику в этом,когда не понятен ход действий в измерениях?!
Посмотрите простейшую схему,укажите точнее как и что делается в измерениях:
Вложение 760204
В ходе выяснений причин фона дошёл до замера напряжений питания на ОУ. Тестер показал относительно клеммы ground 19В. Ну и началось проверка питания в которой выяснилось что если при подключенном питании на ножках питания ОУ висит 3,2В, причём это же напряжение имеется в выключенном состоянии и на выходных клеммах. Также это же напряжение присутствует на клемме remout. При включении усилителя 3,2В пропадают. А 19В это глюк мультиметра который был заменен.
---------- Сообщение добавлено 20.04.2015 в 20:33 ----------
Если смотреть приложенную Вами схему то относительно клеммы ground усилителя на трансформаторе Т1 на общей точке gnd имеем 3,2В
---------- Сообщение добавлено 20.04.2015 в 20:35 ----------
При включенном remout на выходах Т1 имеем +-23В.
Это понятно,что это питание выходного каскада усилителя,значит БП работает.
Не понятно,но подсказывает мысль,что в трансформаторе возникла проблема(могу и ошибаться,но как вариант возможен)-пока логику до конца не уловил в этом вопросе;)
Ок. Посмотрим. Спасибо
---------- Сообщение добавлено 21.04.2015 в 14:10 ----------
Промеряли осцилографом и на общей точке вторички 3.2В постоянки Измеряли относительно клеммы ground усилителя.
---------- Сообщение добавлено 21.04.2015 в 15:55 ----------
Сидел рассматривал схему фокаловского усилителя и вот что заметил..... В цепи вторички стоят последовательно соединённые резистор и конденсатор. Я так понимаю это фильтр... В рассматриваемом мной усилителе я ничего подобного не наблюдаю. Не поможет ли оно убрать паразитное напряжение?
Установка фильтра во вторичку ничего не дала.