Тебе не будет равных )))
И не забудь про рецепт Андреича из его подписи :)
Следи за пальцем: Вложение 999982
Оп-па! И шпингалет!)))
09.05.2016, 20:55
waterman
Re: Land Rover Freelander.
Не, не видел))),,,,
01.12.2016, 00:50
Mакс
Вложений: 1
Re: Land Rover Freelander.
Цитата:
Сообщение от Rover
я хочу посвятить MiniDSP 2х4.
Дядь Ровер подскажи пожалуйста.
Возможно ли следующее, у меня есть магнитола Пионер без дисковая, у нее корпус фактически пустой, возможно в нее засунуть минидсп и подключить его к магнитоле по I2S ? Должно заработать или не всё так просто?
радио и аукса не будет, и громкость регулировать через потенциометр воткнутый в минидсп, это я понимаю.
В данном подключении должно быть четырех жильное подключение? MCLK , LRCLK , BCLK и DATA
Дядь Ровер подскажи пожалуйста.
Возможно ли следующее, у меня есть магнитола Пионер без дисковая, у нее корпус фактически пустой, возможно в нее засунуть минидсп и подключить его к магнитоле по I2S ? Должно заработать или не всё так просто?
радио и аукса не будет, и громкость регулировать через потенциометр воткнутый в минидсп, это я понимаю.
В данном подключении должно быть четырех жильное подключение? MCLK , LRCLK , BCLK и DATA
Заработает, куды оно денется. Неплохо бы сперва MCLK посмотреть.
24.03.2017, 16:11
Rover
Вложений: 13
Re: Land Rover Freelander.
Глава следующая: УСЕПРОЦ Креативить ПРОЦЕУСИ задача архитворческая и архисложная, поэтому я пошёл по другому, более простому и дешёвому пути – наколхозить УСЕПРЦ. А чем они отличаются ? спросите вы – ответ под катом.
После прочтения съесть!
Данное изделие я задумал давно, а исполнил в 2016 году, прошёл год активной (в том числе и соревновательной) эксплуатации, можно подвести итоги.
В те докирпичные времена известная фирма делала очень неплохие изделия, не экономя ни на комплектухе, ни на корпусах – маленький, но тяжёлый падла. Два по 35W ураганной мощности :)
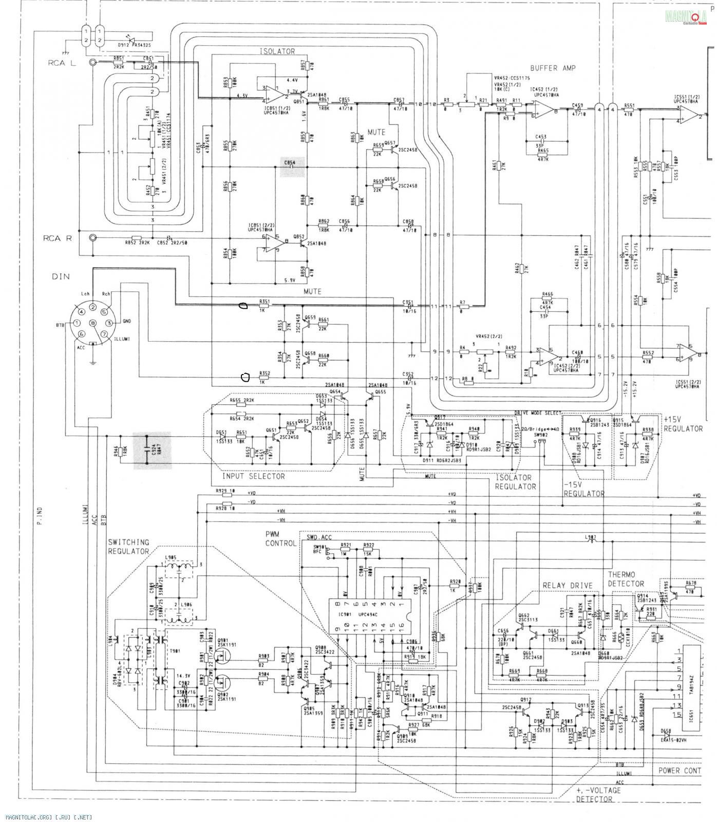
Первым делом раздобыл схему: Вложение 1119230Вложение 1119232
И определился с чего начать.
Начал с очистки от ненужного «хлама». Первым был выброшен изолятор земли (2) Вложение 1119236Вложение 1119238
Лишняя в данном проекте преграда для звука.
Вторым делом занялся БП (1).
Он у Pioneer GM1200 стабилизированный выдаёт +\- 22В, при переключении на нагрузку 2Ом или мост снижает напряжение до +\-19 В. Эти функции нам тоже не нужны – ибо инверсия с канала будет убрана (далее), а нагружать УМ на 2 Ом не планировалось. Стабилизация была переделана в ограничитель – питание достигает максимума +\- 27В при бортсети 13.7 В, и далее не растёт. Измеренная мощность УМ стала 54 Вт на канал. Замене подверглись все силовые электролиты – усилитель из прошлого века – кстати, все выпаянные банки вполне себе живые.
.Вложение 1119240
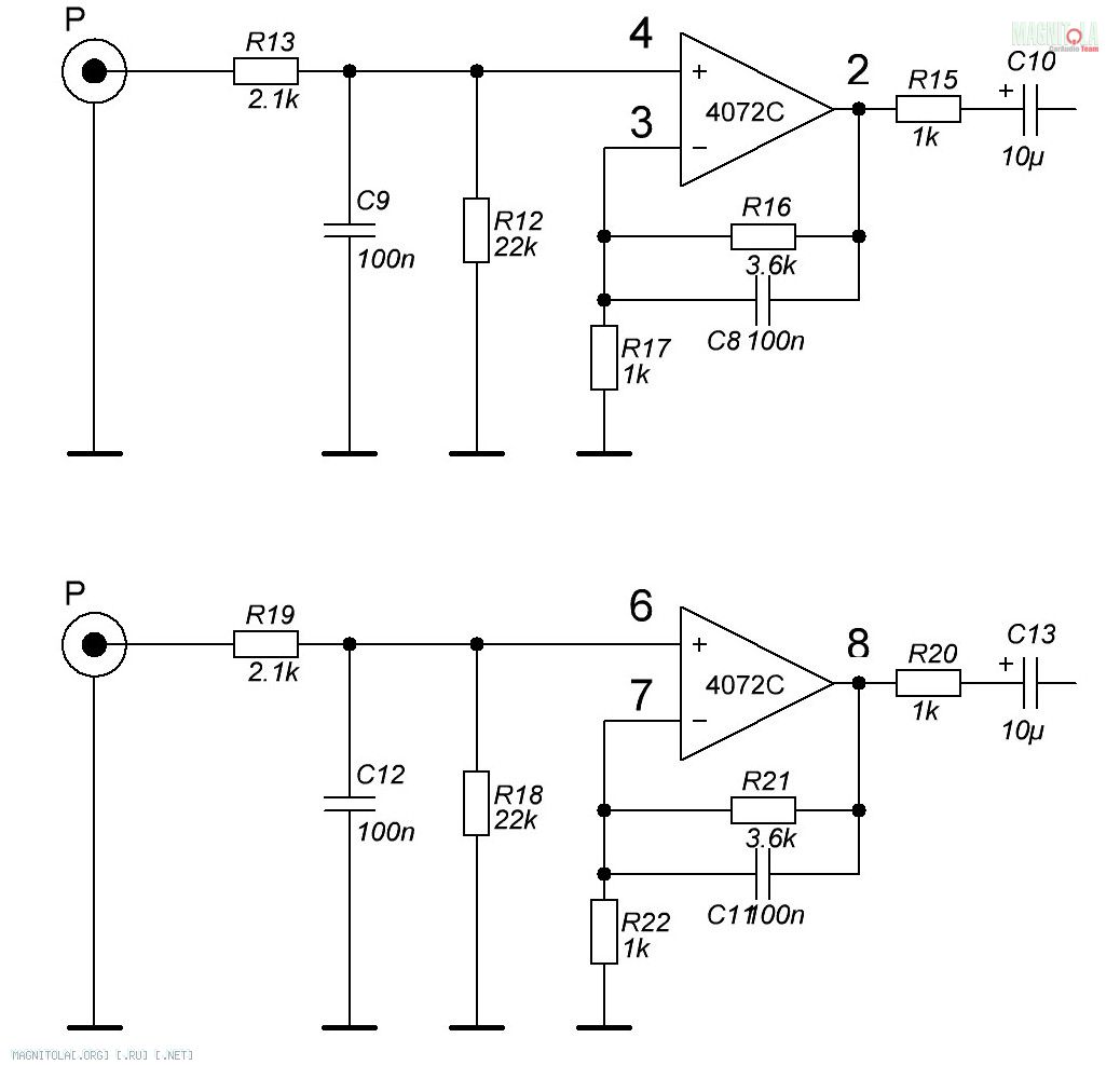
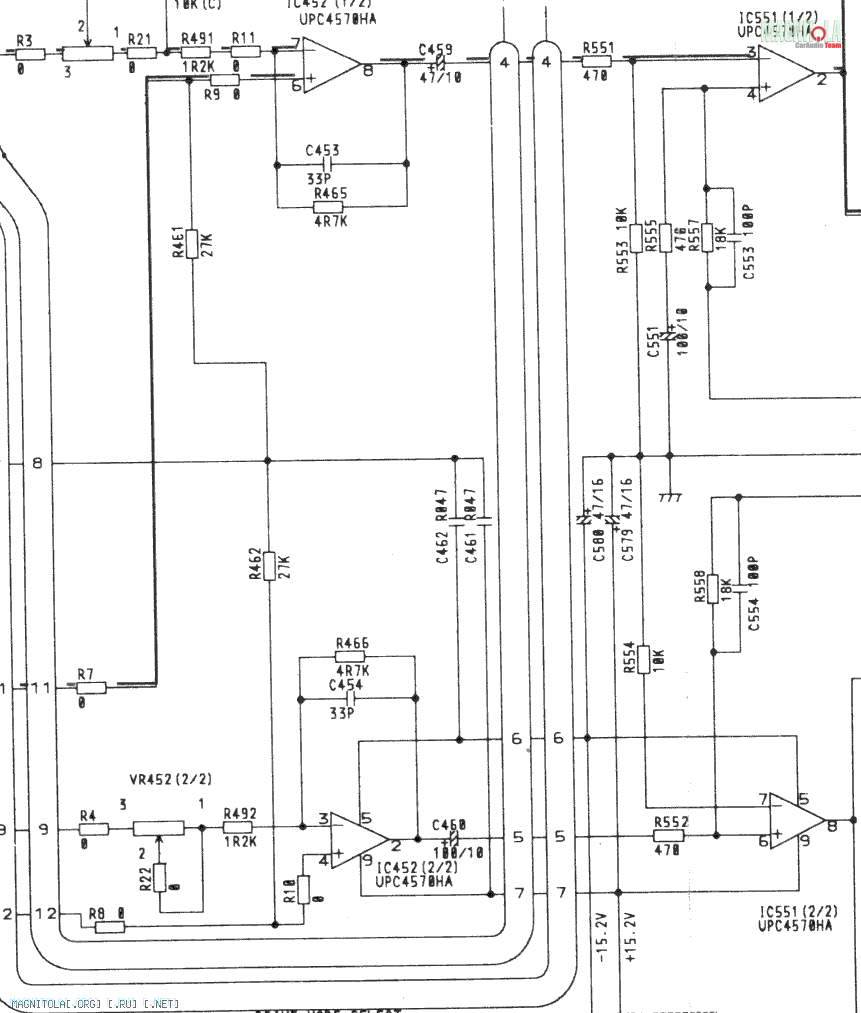
Следующим этапом подготовки УМ – непосредственно сам усилитель(3).
Тракт максимально спрямил, убрал инверсию в одном из каналов – стереосигнал сигнал идёт на прямые входы ОУ без разделительных конденсаторов. Вложение 1119242Вложение 1119244
В УМ в итоге проходных конденсаторов нет, в ОС тоже – УПТ в чистом виде. Результат был отслушан, результатом удовлетворён. Даже «неаудиофильский» ОУ 4570 менять не стал, только его обвязку. Вложение 1119248Вложение 1119250
Итак, «болван» готов. Надо из него усепроц делать.
С чего начнём? С концепции. С схемы. Чтобы было понятно что, для чего, и что мы хотим получить в конечном результате в авто.
Итог: Вложение 1119246
Тут я думаю всё понятно без объяснений. Перекур.
24.03.2017, 21:05
pan07
Re: Land Rover Freelander.
Очень интересно,жду продолжения. Хоть что-то интересное и познавательное , молодец Rover :good3:
30.03.2017, 19:05
Rover
Вложений: 11
Re: Land Rover Freelander.
Продолжение
После прочтения съесть!
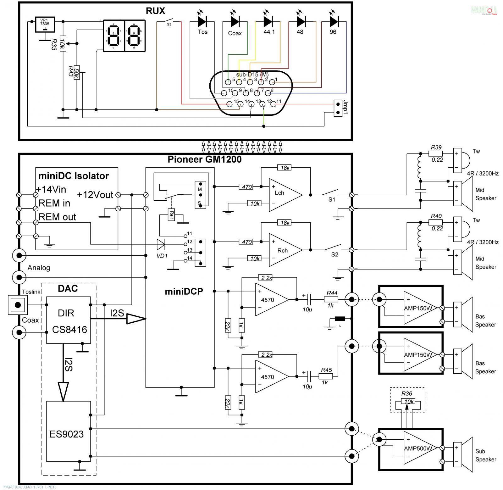
Как понятно из блок-схемы (понятно?) мы должны получить 6 каналов - два в усилителе, 4 для внешних усилителей. Основной диапазон играет GM1200 , два канала пойдут на фронтальные 8" стереосабы в ЗЯ, два канала чистых, референсных, не замученных процессорной обработкой могут быть использованы для чего угодно - в моём случае для тылового 10" саба. В планах сделать негромкую SQ систему 5 сабвуферов и два ширика :)
Приступим к реализации.
1. Установка в корпус миниДСП изолятор: Вложение 1120962
Изолятор обеспечивает гальваническую развязку от бортсети и усилителя, рулит таймингами ремоутов. Вещь нужная. Встал как родной: Вложение 1120966
Два канала с мини ДСП идут на УМ GM1200, два канала через буферные усилители на внешние УМ Вложение 1120994
Два "чистых" канала идут напрямую с ES9023
Для приёма цифрового сигнала Toslinc, Spdif coax я использовал DIR CS816, это часть ДАС, переключение между интерфеясами осуществляется кнопкой, и состояние отображается светодиодом. Так же светодиодная индикация отображает 44.1, 48, 96 кГц. Светодиоды вы видите на плате ДАС на последнем фото, они там временно, потом будут перенесены в РУКС - панель управления процессором, стилизованное под родное ГУ ЛендРовер
РУКС осуществляет регулировку громкости, переключение между цифровыми источниками, индикацию потока. Так же с помощью кнопок управляет плеером Андроид: "вперёд", "назад" "плей-стоп"