Это хорошо,что нашли-у меня они с советских времён ещё остались.Главное по маркировке правильно припаять.,
значит из и возьму а то что буква с буквой г или это не важно?
29.01.2015, 21:22
gena60
Re: Проблемы с усилителем
Цитата:
Сообщение от sergey094
значит из и возьму а то что буква с буквой г или это не важно?
Буква после маркировки-это граничное напряжение,в данном случае 80В будет,у "А"-25В,например.,
30.01.2015, 22:36
sergey094
Вложений: 1
Re: Проблемы с усилителем
Цитата:
Сообщение от gena60
Буква после маркировки-это граничное напряжение,в данном случае 80В будет,у "А"-25В,например.,
а кт815г можно использовать вместо q110-q112? Вложение 705086
30.01.2015, 23:15
FFZ
Re: Проблемы с усилителем
Цитата:
Сообщение от sergey094
а кт815г можно использовать вместо q110-q112? Вложение 705086
честно говоря я уже и не знаю как писать, чтоб читали и понимали суть написанного.......
Цитата:
Сообщение от FFZ
там где он стоит в данном случае ни каких особенных транзисторов не нужно.
ставить можно любые средней мощности транзисторы, хоть наши КТ814/КТ815 если найдёшь . Про наши, это конечно же веселуха , указал их в качестве усиливающего вектора по вопросу замены.
17.02.2015, 13:29
sergey094
Вложений: 2
Re: Проблемы с усилителем
народ выручайте усилитель который выше писал с писком трансов и нагревом транзисторов. был перепутан конденсатор не той емкости впаин нагрев транзисторов пропал но писк остался.
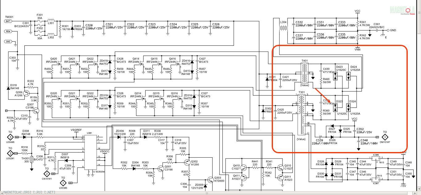
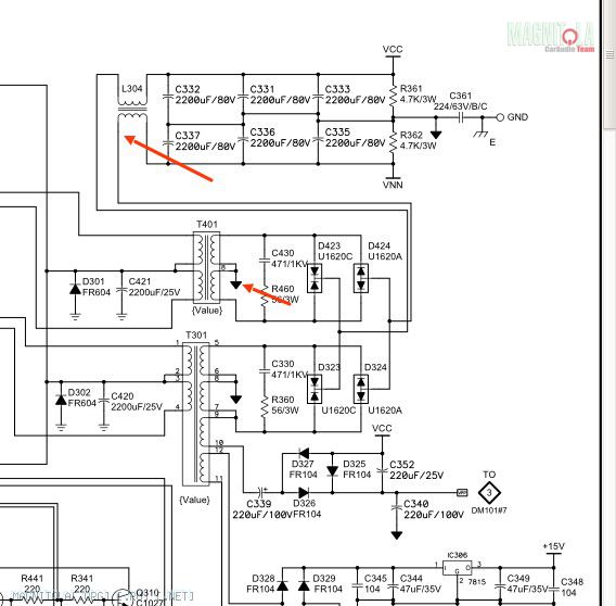
дошел до выходных диодов и тут капаю. диоды стоят stth60p03sw общий катод и 30epf06 2 пары сделаны общим анодом Вложение 714054
конденсаторы убраны и до них доходит с перекосом в плечах на одном 75.8в на другом 74.1.в
когда впаяны все диоды пищит очень сильно убираю диод d323 норм писк пропадает ставил другой то же самое.
после диодов идет дроссель убрал его писк пропал Вложение 714056
в этих точках относительно общего на одном 130в на другом 132.9в
кз в дросселе нету
17.02.2015, 13:56
gena60
Re: Проблемы с усилителем
Цитата:
Сообщение от sergey094
в этих точках относительно общего на одном 130в на другом 132.9в
кз в дросселе нету
Напряжения понятны,но какой ток по общему питанию усилитель потребляет?(имеется ввиду по цепи питания 12В).,
17.02.2015, 16:16
kkoly777
Re: Проблемы с усилителем
Ток потребления всегда позволяет оценить работу усилителя.если он превышает предел 2А,можно задуматься о не правильной работе выходного каскада.
При нормальном потреблении и правильном измерении режимов работы усилителя,свист может проявляться в трансформаторе при плохом качестве его исполнения.Я это устраняю дополнительной пропиткой лаком и свист пропадает
17.02.2015, 16:47
sergey094
Re: Проблемы с усилителем
Цитата:
Сообщение от kkoly777
Ток потребления всегда позволяет оценить работу усилителя.если он превышает предел 2А,можно задуматься о не правильной работе выходного каскада.
При нормальном потреблении и правильном измерении режимов работы усилителя,свист может проявляться в трансформаторе при плохом качестве его исполнения.Я это устраняю дополнительной пропиткой лаком и свист пропадает
да былобы чем замерить давно бы сделал есть только dt9207a ну как сказали им не замерю
есть еще
аво-63 не разу не пользовался сколько себя помню просто лежит.
и есть еще тл-4м он был подпаленый в нем вроде резисторы меняли номиналы другие
17.02.2015, 17:24
terrarist
Re: Проблемы с усилителем
sergey094, если собираетесь заниматься ремонтом, то хотя бы соорудите для этих нужд блок питания от компьютера с амперметром в разрыв минусового провода (это даст возможность в будущем мерить ток не только по 12, но и по 5 и 3,3 вольтам). Для ремонта усилков сойдет, для слоботочной техники может быть опастно ввиду сильной загрубленности по току таких самоделок, но в сети есть варианты по дароботке.
Цитата:
Сообщение от sergey094
доходит с перекосом в плечах на одном 75.8в на другом 74.1.в
это не перекос, допустимая погрешность
Цитата:
Сообщение от sergey094
в этих точках относительно общего на одном 130в на другом 132.9в
либо неправильно меряете (скорее всего не относительно общего, относительно VCC и VNN - между ними примерно столько и должно быть, где то не более 70 в плече), иначе бы уже кондеры кипели, либо же непонятно глючит обратная связь, но я хз как она бы могла до 130 разогнать..
В общем нужно потребление тока.. и, вы исключали выходные полевики?
Также неплохо бы посмотреть меандр и частоту в БП.
А вообще это довольно сложный усилитель, сам попеременно уже две недели бьюсь с его полным клоном только он SaundStream.. Но это уже отдельная тема для разговора.
17.02.2015, 17:45
sergey094
Вложений: 2
Re: Проблемы с усилителем
Цитата:
Сообщение от terrarist
sergey094, если собираетесь заниматься ремонтом, то хотя бы соорудите для этих нужд блок питания от компьютера с амперметром в разрыв минусового провода (это даст возможность в будущем мерить ток не только по 12, но и по 5 и 3,3 вольтам). Для ремонта усилков сойдет, для слоботочной техники может быть опастно ввиду сильной загрубленности по току таких самоделок, но в сети есть варианты по дароботке.
это не перекос, допустимая погрешность
либо неправильно меряете (скорее всего не относительно общего, относительно VCC и VNN - между ними примерно столько и должно быть, где то не более 70 в плече), иначе бы уже кондеры кипели, либо же непонятно глючит обратная связь, но я хз как она бы могла до 130 разогнать..
В общем нужно потребление тока.. и, вы исключали выходные полевики?
Также неплохо бы посмотреть меандр и частоту в БП.
А вообще это довольно сложный усилитель, сам попеременно уже две недели бьюсь с его полным клоном только он SaundStream.. Но это уже отдельная тема для разговора.
питаю от блока питания компа но без амперметра.
да я квыряю чисто для себя.
схема длса но усилитель другой ну все тоже самое только транзисторов в бп и на выходе по больше.
сам усилитель кто то до меня прям на плате отрезал. Вложение 714216
мерию вот так. и именно перед дросселем. дроссель выпаян так же как и кондеры
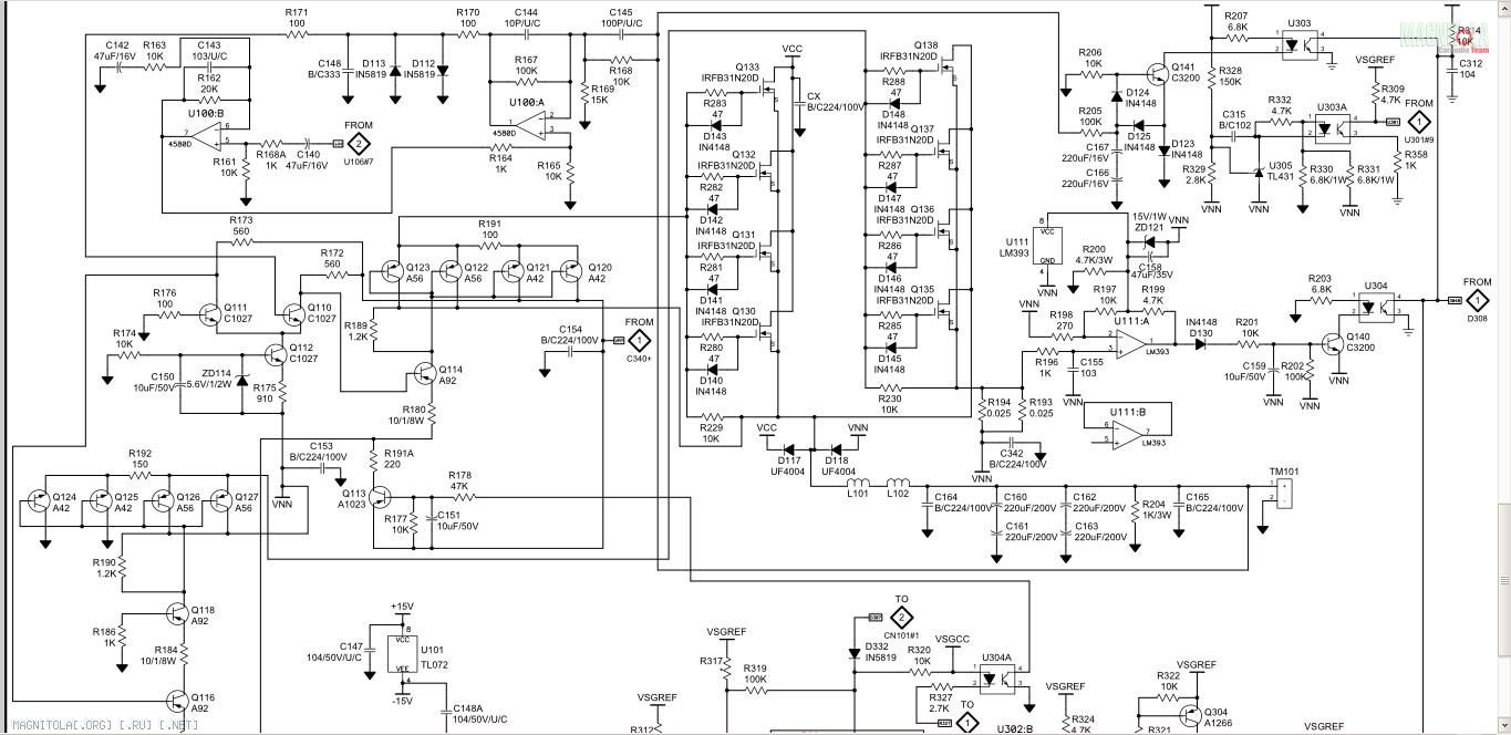
на затворах сигнал Вложение 714220
как мне объяснили из за отсутствия нагрузки такой сигнал
17.02.2015, 18:03
terrarist
Re: Проблемы с усилителем
Если есть осцилл уже проще. Тогда меряйте частоту и форму сигнала на затворах полевых транзисторов БП, там она и без нагрузки должна быть красивой и ровной. частота должна быть в районе от 25 до 35 кГц, ну или вовсяком случае не слишком отходить от пределов. У того что у меня на столе, клона mad-11, как раз 35, хотя встречал и ниже.
И вы так и не ответили - полевики выходного каскада удалены? То что усилитель кто-то отрезал до вас во нервых малоинформативно как и где (И зачем!) резали, но и не говорит о том, что отрезали полностью.
Цитата:
Сообщение от sergey094
убираю диод d323 норм
в теории у вас по его трансу неправильно работают полевики в БП, либо же межвитковое. если его и D324 убрать на кренах питания в норме, писк остается, напряжение на VCC\VNN относительно общей вторичной массы какое?
Цитата:
Сообщение от sergey094
дроссель выпаян так же как и кондеры
это стоит исключить из причины поломки и оставить на месте, а вот оконечники снять..
17.02.2015, 18:18
sergey094
Вложений: 3
Re: Проблемы с усилителем
Цитата:
Сообщение от terrarist
Если есть осцилл уже проще. Тогда меряйте частоту и форму сигнала на затворах полевых транзисторов БП, там она и без нагрузки должна быть красивой и ровной. частота должна быть в районе от 25 до 35 кГц, ну или вовсяком случае не слишком отходить от пределов. У того что у меня на столе, клона mad-11, как раз 35, хотя встречал и ниже.
И вы так и не ответили - полевики выходного каскада удалены? То что усилитель кто-то отрезал до вас во нервых малоинформативно как и где (И зачем!) резали, но и не говорит о том, что отрезали полностью.
в теории у вас по его трансу неправильно работают полевики в БП, либо же межвитковое. если его и D324 убрать на кренах питания в норме, писк остается, напряжение на VCC\VNN относительно общей вторичной массы какое?
это стоит исключить из причины поломки и оставить на месте, а вот оконечники снять..
выходные транзисторы отсутствуют
если честно как земерить частоту понятия не имею не разу не считал(
а да забыл написать транзисторы стоят не все по одному на транс оставил
на затворах Вложение 714264
и вот где и вот в других плечах Вложение 714266 где нет транзисторов
без дросселя писк был еле слышный поставил дроссель писк аш уши режит.
а может быть такое что его перематывали и наматали не то количество витков ?
выходные транзисторы отсутствуют
если честно как земерить частоту понятия не имею не разу не считал(
а да забыл написать транзисторы стоят не все по одному на транс оставил
на затворах Вложение 714264
и вот где и вот в других плечах Вложение 714266 где нет транзисторов
без дросселя писк был еле слышный поставил дроссель писк аш уши режит.
а может быть такое что его перематывали и наматали не то количество витков ?
сам понять не могу .
когда убираю транзисторы то сигнал нормальный
17.02.2015, 22:16
gena60
Re: Проблемы с усилителем
Цитата:
Сообщение от sergey094
сам понять не могу .
когда убираю транзисторы то сигнал нормальный
Тогда надо смотреть обвязку и цепи, которые идут к затвору транзистора.,
18.02.2015, 14:28
terrarist
Re: Проблемы с усилителем
Возможно если я разберусь со своим саундстемом, то и вам смогу подсказать что-то конкретное, но я им редко занимаюсь, работы много, а он отнимает много времени..
---------- Сообщение добавлено 18.02.2015 в 18:35 ----------
Цитата:
Сообщение от sergey094
если честно как земерить частоту понятия не имею не разу не считал(
Да я тоже, все больше приборам верю. Есть частотомеры. А есть цифровые осцилы, которые пусть и тупенькие, но сочетают в себе много функций.
Но лучше все таки аналоговый ослик и отдельный частотомер, точнее будет.
25.02.2015, 23:44
sergey094
Re: Проблемы с усилителем
народ а перекос по плечам в 10в это перебор или допустимо?
26.02.2015, 04:48
terrarist
Re: Проблемы с усилителем
нет. не более 5 вольт должно быть, да и то нежелательно. Сам по себе перекос в 10 ничего особенного, петь и так будет, но то что этот перекос есть, говорит о том, что что-то работает не в режиме и при нагрузке будет просаживаться еще сильнее, а вот это черевато.
26.02.2015, 11:16
sergey094
Re: Проблемы с усилителем
Цитата:
Сообщение от terrarist
нет. не более 5 вольт должно быть, да и то нежелательно. Сам по себе перекос в 10 ничего особенного, петь и так будет, но то что этот перекос есть, говорит о том, что что-то работает не в режиме и при нагрузке будет просаживаться еще сильнее, а вот это черевато.
нашел косяк исправил все равно одно плече 70 на другом 79
26.02.2015, 12:50
terrarist
Re: Проблемы с усилителем
как же трудно понять, когда не соблюдают пунктуацию..
Цитата:
Сообщение от sergey094
на одном плече 70в на другом 12в
ничего не понял, как это 12 вольт на выходе?!
26.02.2015, 13:07
sergey094
Re: Проблемы с усилителем
Цитата:
Сообщение от terrarist
как же трудно понять, когда не соблюдают пунктуацию..
ничего не понял, как это 12 вольт на выходе?!
уже разобраться с этим диод не правильно стояли тут 4 сделаны общем анодами и не правильно впаяны точней не до конца.
сейчас писка нету но перекос сильный 9 вольт.
есть точно такой же усилитель и на выходе у него -+75
а тут-79 +70
26.02.2015, 15:56
terrarist
Re: Проблемы с усилителем
Цитата:
Сообщение от sergey094
тут 4 сделаны общем анодами
точнее 2 анодами, 2 катодами.
Попробуйте их попарно повыпаивать и замерять, остается ли перекос напряжения. А именно - сначала два D423 и 424, выпаять, замерить, потом впаять назад и выпаять, замерить вторую пару. ещё вариант заменить или хотя бы просто поменять местами, с одного плеча на другое, конденсаторы по выходу диодов. Хотя в идеале интереснее замерить переменку на выходах трансформаторов, если уже там есть разница, тогда значит что то сильно сажает питание по одному из плеч питания. Тогда выпаять все полевики оконечника и посмотреть не выравнеется ли напряжение.
Кстати форма сигналов на выходе трансформаторов нормальная, ровные квадратные импульсы? нет трапеций или сглаженных горок?
26.02.2015, 16:54
sergey094
Вложений: 2
Re: Проблемы с усилителем
Цитата:
Сообщение от terrarist
точнее 2 анодами, 2 катодами.
Попробуйте их попарно повыпаивать и замерять, остается ли перекос напряжения. А именно - сначала два D423 и 424, выпаять, замерить, потом впаять назад и выпаять, замерить вторую пару. ещё вариант заменить или хотя бы просто поменять местами, с одного плеча на другое, конденсаторы по выходу диодов. Хотя в идеале интереснее замерить переменку на выходах трансформаторов, если уже там есть разница, тогда значит что то сильно сажает питание по одному из плеч питания. Тогда выпаять все полевики оконечника и посмотреть не выравнеется ли напряжение.
Кстати форма сигналов на выходе трансформаторов нормальная, ровные квадратные импульсы? нет трапеций или сглаженных горок?
достался он мне 6ю диодами)) с общем анодом сделаны из двух диодов Вложение 719936 Вложение 719938
на выходе с трансов относительно ихней общей точки
если бы на выходе у них было бы разное напряжение то и осциллограммы отличались бы
поменял диоды картина не изменилась
26.02.2015, 17:15
terrarist
Re: Проблемы с усилителем
Ну да, согласен, все красиво.. Оконечники выпаивали?
У меня ситация с подобным тоже засадная, что-то по обратной связи мешает, чуть за общий провод вторичных цепей(считай, массу) заденешь, тутже импульсы с ШИМ уменьшаются и вообще гоняют по страшному. Постоянно заниматьим времени нет, а так давно бы уже сделал, и выложил свои замеры, в точках где попросили бы..
О, а напишите, пожалуйста, все напряжения, а еще лучше снятые осликом, там где импульсы, на каждой ножке 3525. В рабочем режиме, конечно, то есть когда он может нормально бубнить и не горит защита. если не сложно...
---------- Сообщение добавлено 26.02.2015 в 21:37 ----------
а на нагрузку аппарат пробовали? Я для этих целей использую 12 вольтовую лампочку на выходе уся(хотя 12вольтовая может перегореть, тут от мощности лампочки зависит, можно и на 36 вольт и на 24 найти,ч тоб не перегорали) и даю синус на вход до 200 Гц (можно прямо с компа),для буфера до 200 в среднем, для поканального килогерц.
В общем дайте нагрузку, дайте сигнал и меряйте напряжения, если ничего существенно не меняется и синус ровный, значит фиг с ним с перекосом. Как гласит золотое правило - не фиг чинить то, что работает =)
ПС: Потребление при нагрузке должно быть не меньше примерно 10 А, чтобы сказались какие нибудь перекосы, лучше больше, но тут от сигнала и нагрузки зависит, какое потребление будет.
26.02.2015, 18:26
sergey094
Re: Проблемы с усилителем
Цитата:
Сообщение от terrarist
Ну да, согласен, все красиво.. Оконечники выпаивали?
У меня ситация с подобным тоже засадная, что-то по обратной связи мешает, чуть за общий провод вторичных цепей(считай, массу) заденешь, тутже импульсы с ШИМ уменьшаются и вообще гоняют по страшному. Постоянно заниматьим времени нет, а так давно бы уже сделал, и выложил свои замеры, в точках где попросили бы..
О, а напишите, пожалуйста, все напряжения, а еще лучше снятые осликом, там где импульсы, на каждой ножке 3525. В рабочем режиме, конечно, то есть когда он может нормально бубнить и не горит защита. если не сложно...
---------- Сообщение добавлено 26.02.2015 в 21:37 ----------
а на нагрузку аппарат пробовали? Я для этих целей использую 12 вольтовую лампочку на выходе уся(хотя 12вольтовая может перегореть, тут от мощности лампочки зависит, можно и на 36 вольт и на 24 найти,ч тоб не перегорали) и даю синус на вход до 200 Гц (можно прямо с компа),для буфера до 200 в среднем, для поканального килогерц.
В общем дайте нагрузку, дайте сигнал и меряйте напряжения, если ничего существенно не меняется и синус ровный, значит фиг с ним с перекосом. Как гласит золотое правило - не фиг чинить то, что работает =)
ПС: Потребление при нагрузке должно быть не меньше примерно 10 А, чтобы сказались какие нибудь перекосы, лучше больше, но тут от сигнала и нагрузки зависит, какое потребление будет.
есть сам dls mad 11 есть еще такой же по схеме cadence (один работает второй вот квыряю)
говорите что где нужно сниму сфоткаю покажу))
да выходных транзисторов нету еще не покупал(
уже так 2 поченили на выходные шел сигнал как бы кривоватый мне объяснили что это норм вот собрал 2 работают
а этот достался сильно дербаненый не в какую не запускался и на выходе вместо b31n20d стояли irfps37n50a
некоторые кондеры отсутствовали и тд и тп
27.02.2015, 02:39
terrarist
Re: Проблемы с усилителем
sergey094, Понятненько..
Снимите карту напряжений на 3525, а на 5,7,11,14 лапах осциллограммы, в рабочем режиме, т.е. когда зеленый горит.
И еще, потребление тока какое в рабочем режиме(даже без выходников)? У меня 1,4 А, что, мне кажется, многовато для недоконца запустившегосяи без оконечников(если их ставлю кипят, поэтому без них пока).
28.02.2015, 16:06
sergey094
Re: Проблемы с усилителем
вытащил блок фильтров из другова усилителя и поставил в тот что делаю
напряжение выровнялось стало 68.8 и 71 перекос есть но надуюсь не смертельный
замерял сколько кушает получилось 1.90 ампер отсутствуют многие транзисторы
его собрат в полном сборе кушает 2.12
и кому не сложно подскажите какое значение оптимальное
28.02.2015, 16:28
terrarist
Re: Проблемы с усилителем
Цитата:
Сообщение от sergey094
его собрат в полном сборе кушает 2.12
если на выходе ровный синус при нагрузке как я писал выше, то норм значит, у усей класса D бывает..
28.02.2015, 16:30
sergey094
Re: Проблемы с усилителем
Цитата:
Сообщение от terrarist
если на выходе ровный синус при нагрузке как я писал выше, то норм значит, у усей класса D бывает..
синус ровный и красивый
04.03.2015, 21:57
sergey094
Вложений: 2
Re: Проблемы с усилителем
народ пока жду транзисторы решил по сходить с ума.
достался такой усилитель Forsage Y-012
косяки видны на фото =D Вложение 725106 Вложение 725108
вот вопрос что можно сделать с фильтрами?
куска нету, схемы тоже нету.
кто что посоветует?
05.03.2015, 23:04
gena60
Re: Проблемы с усилителем
Цитата:
Сообщение от sergey094
вот вопрос что можно сделать с фильтрами?
куска нету, схемы тоже нету.
кто что посоветует?
Покурить здесь немного,может что похожее найдётся:
06.03.2015, 10:54
sergey094
Re: Проблемы с усилителем
Цитата:
Сообщение от gena60
Покурить здесь немного,может что похожее найдётся: