Актуатор я так понимаю что-то из серии для тарелок для приема спутникового сигнала.
На чем остановились?
Вид для печати
Актуатор я так понимаю что-то из серии для тарелок для приема спутникового сигнала.
На чем остановились?
Сейчас стоит нетрал референс. Но пока не включали.
Кстати, кто что думает по поводу стыковки 8-ми дюймового мид баса и 3-х дюймовой сч? Может вернуться на 17см мид бас и поставить фронтальный саб?
Я, попробовав 8", вряд ли теперь вернусь к 6.5 :) Но мне проще - серединки почти 4" и играют низко.
Потихоньку заканчиваем, сегодня забрал подиумы из пошива. Завтра отвезу, поставим. Сфоткаю.
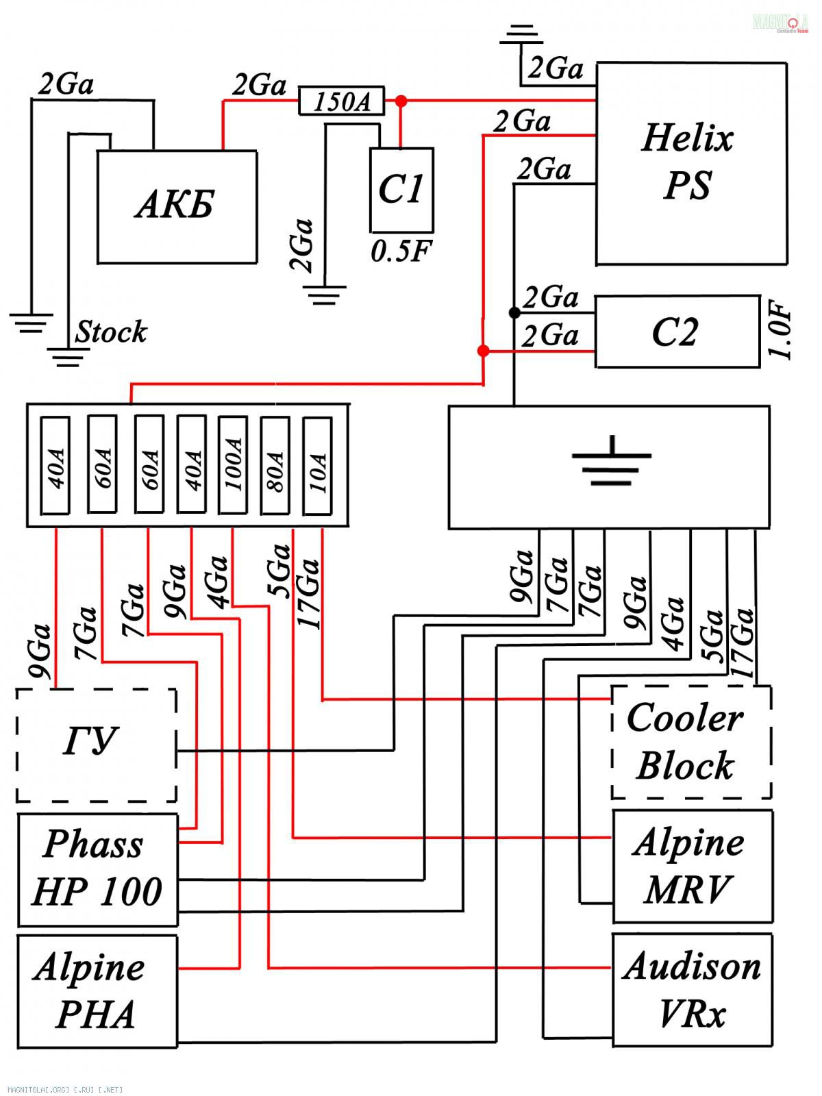
Сегодня наваял схему оборудования.
Вложение 210611
Вложение 210623Вложение 210639Вложение 210637Вложение 210635Вложение 210633Вложение 210631Вложение 210629Вложение 210627Вложение 210625Вложение 210641
Немножко фоток проводки, конечная заделка, блоки силовых предов и слаботочных цепей. Рамка для мафона. И штатное масто АКБ под сидухой.
Рамка супер :) жду уже подиумы позырить
Вложение 210647
Покритикуйте электро схему. На предмет правильности и читабельности.
Попробую перевернуть циферьки.
Нет, обтягиваться не будет. Если посмотреть на центральную консоль туарега, там вставка из черного пластика. Перешитая рамка будет крайне глупо там смотретья. Для этого нужно всю торпеду шить. А я не хочу этого делать.
Вложение 210657
Вот, для примера. Да же лаковая 2-дин бошка, смотрится странно. А у меня мафон будет стоять вместо верхнего бардачка.
Штатную "землю" тоже надо показать и подписать .
Минусовые дистрибы если есть - надо бы тоже изобразить .
Примерно вот так http://magnitola.org/attachment/1/9/9/0/8/173049.thumb