-
Re: Volvo XC70: Начало
А я таки забил на этот 650й: не так уж много я на него потратил. Однако, оставалось ещё много потратить сил, и не факт, что результат был бы правильный.
Зато я купил таки Alpine PXA-H600 в почти идеальном состоянии. Собрал на трех релюшках небольшую схемку для отвязки его от айнета и внедрил её. как только тестирую всё, точ получилось - выложу полный отчёт с фотографиями. Попытался реализовать полное управление всеми входами двумя проводами. Что из этого вышло - скоро узнаем)))
А пока я снял небольшой видосик о том, как мой нетбук будет управляться в машине с помощью Андроид-смартфона.
Комментарии не наговаривал, ибо сижу в офисе, и если начну комментировать, сбегутся зеваки.
Однако добавлю некоторые комментарии уже тут:
Компьютер изначально находится в спящем/ждущем(по версии XP/Win7) режиме, не в гибернации. Гибернацию можно, конечно, настроить, но комп из неё всё равно недостаточно быстро выходит, а аккумулятора ноутбука вполне хватает на то, чтобы он неделю находился в спящем режиме. При включении же зажигания, на комп подастся питание и его аккум снова начнёт заряжаться.
Алгоритм действий такой:
1) сел в машину, прилепил телефон на держалку на стекле (стандартная для меня операция), заодно включил режим модема и запустил фубар контроллер.
2) Завёл машину (тут же включился комп)
3) Можно включать музыку
http://www.youtube.com/watch?v=26Zep_oWB4c
Фубар контроллер спокойно работает в фоновом режиме, режим модема не мешает телефону самому пользоваться интернетом (Ура, яндекс пробки!).
При выходе из приложения воспроизведение останавливается.
При выключении зажигания комп сам должен уйти в сон. Телефон, при отсутствии подключенных к его точке доступа устройств автоматически выключит режим модема.
Для меня (именно для меня, не знаю как для других)))) такой алгоритм вполне удобен.
-
Re: Volvo XC70: Начало
Встретились с Тимуром Tim635. Сидели два часа, подключали к моему новому процу (alpine h600) по очереди его кларовский чейнджер и его ноутбук по оптике (свой ноут я подключал вчера сам), много разговаривали, слушали музыку. Проц - крут. Мои руки - не очень (мой нетбук по цифре шумит). Карписи будет точно! Ибо звук хорош!
Подробный отчёт о переделке проца с картинками ждите со дня на день
-
Вложений: 24
Re: Volvo XC70: Начало
Добрый день, дорогие друзья!
Ну что же, пора выкладывать фотографии с захватывающим сюжетом сдобренные душещипательными историями:)
Начнём, пожалуй, с Танго-шириков. Первый раз я их пробовал в машине безо всякого оформления, и ничего не вышло: АКЗ скушало весь звук. Но позже я выпилил пару колечек из выдержанного 11-летного ламината вот по таким шаблонам:
Вложение 372654
обернул их в толстый картон, который обернул толстой виброй и получил акустическое оформление типа "Дырявый ящик", своеобразный акустический экран или недоПАС: цилиндр диаметром на пару сантиметров больше диаметра диффузора (примерно 11,5см) и длиной сантиметров тридцать без дна. Свои положенные 300 герц в таком оформлении дины отыграли. Вывод после прослушивания дома такой: "на столе" они вряд ли сильно переиграют по ВЧ пищалки-чиарки, которые стоят у меня сейчас. Но в условиях авто у них будет неоспоримый плюс: диффузор не будет перекрываться ногами (моими ли, пассажирскими ли) и будет направлен в основном на меня, а не в щиколотку. Так что с СЧ всё должно стать намного лучше. Вердикт: однозначно ставим в авто! (полиэфирка и стекломат уже закуплены).
Идём далее. Как уже говорил выше, я приобрёл у нашего сотоварища DM101 замечательнейший процессор Alpine PXA-H600.
Вот такой он красавчик:
Вложение 372656Вложение 372658
как новий!
Чтобы унять зуд в руках, я его сразу вскрыл
Вложение 372660Вложение 372662
Уняв зуд в руках, пошёл штудировать темку о проце, в частности пост дядюшки Roverа о переводе проца в автономный режим, а также даташиты на основные микросхемы.
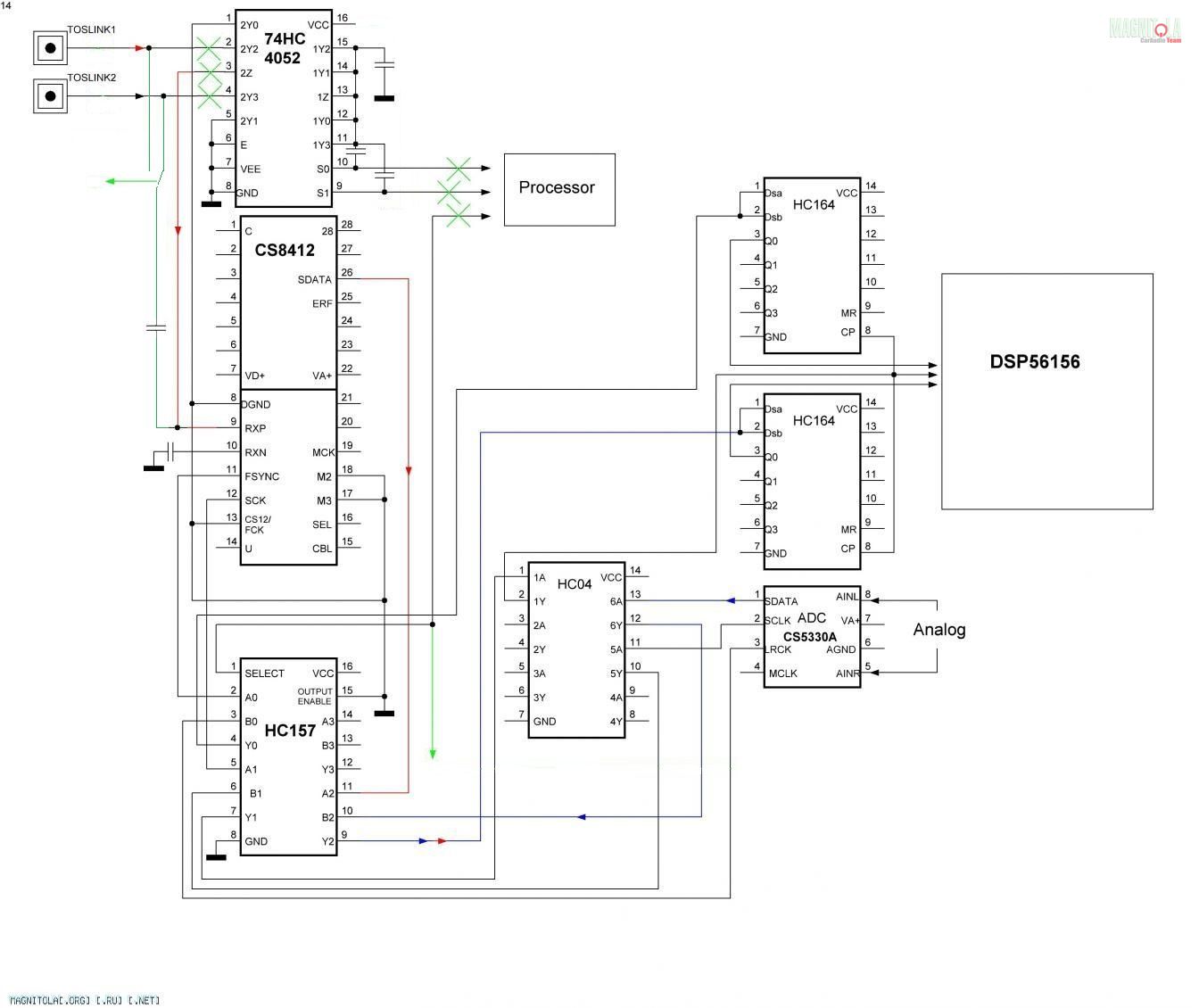
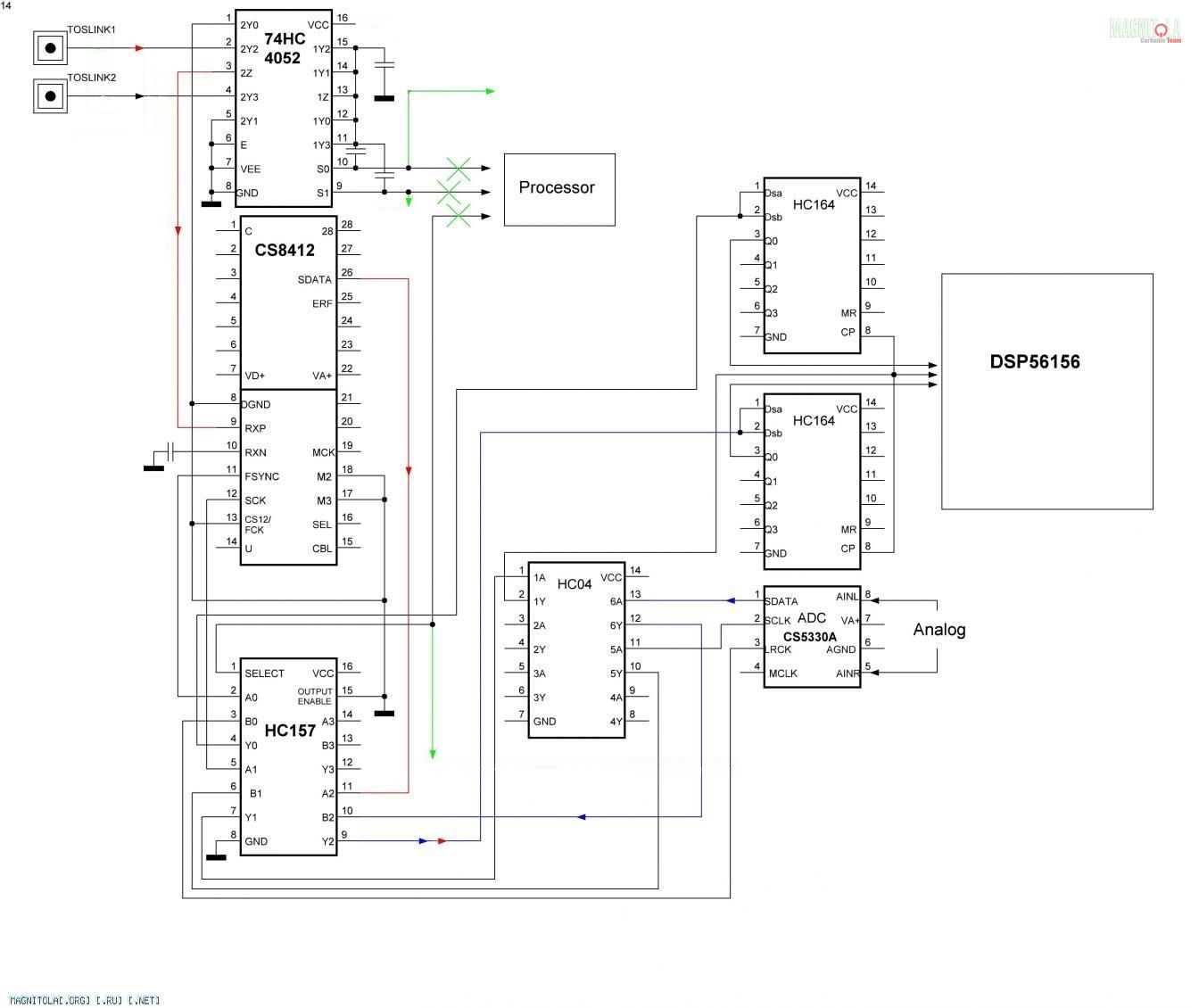
Дело в том, что при отсутствии управляющего ГУ с шиной Ai-net, проц играет музыку только с обычного аналогового входа. Поскольку такого у меня нет и не предвидитя (эгегей, кар-писи!), то Айнет - наф!
В своём посте дядюшка Rover описывает, как с использованием оптрона заставить проц переключаться между аналогом/одной цифрой или вообще жестко зафиксировать его, оставив одну только цифру. У проца же входов всего пять: два айнета, два тослинка и один обычный аналог. Что? Опять Айнет? Я же сказал: Айнет - наф! Остаётся три входа. У меня в ж##пе руках зачесалось сделать так, чтобы доступны для выбора были все три.
Логика управления должна быть следующей. Из проца выводится два конца вывода(каламбуры - тоже наф!) провода. Пока они ни к чему не подключены или соединены с землёй, играет по умолчанию вход тослинк2 (он же, согласно маркировке на мордочке проца, цифровой вход чейнджера). Если подать +12 вольт на первый провод, то проц переключится на аналоговый вход. Если подать +12 вольт на второй провод - на тослинк1 (он же цифровой вход CD). Если подать +12 вольт на оба провода, то либо Тослинк1, либо аналог в зависимости от положения спрятанного в корпусе переключателя.
Причина возникновении такой логики достаточно проста: проц и услики в моей машине включаются по сигналу ACC. При включении штатного ГУ, которое будет подключено по аналогу и из которого будет выведен ремоут-аут (это вообще без проблем), проц должен автоматически переключиться на аналог. При выключении штатного ГУ - будет возможность слушать музыку с карписи.
Итак, приступим. За выбор источников в H600 отвечают три микросхемы: одна (74HC4052) за выбор одного из двух оптических входов, другая (даже не помню маркировку) - за выбор одного из трёх аналоговых входов (обычный/айнет-сд/айнет-чейнджер), третья (HC157) - за принципиальный выбор между аналогом или цифрой. Нас интересует первая и третья, а вторая и так всё время на обычном аналоге (Проверял!). Поскольку Айнет - наф, то отрезаем управляющие ноги наших микросхем от микросхемы-контроллера айнет согласно схеме (ноги 9,10 у 4052 и 1 у 157)
Вложение 372664
Логика управления hc157 простая: когда на первой ноге - логическая единица (+4,5 - +5В), источником будет цифра, пришедшая с АЦП аналогового входа (CS5330A). Когда на первой ноге - логический ноль (земля, но не пустота!), то источником будет цифра, пришедшая с SPDIF->i2s преобразователя (CS8412).
Логика управления hc4052 чуть сложнее: один из предусмотренных на ней четырёх комплектов входов выбирается по таблице истинности логически нулей и единиц на входах s0 и s1 (10 и 9 нога соответственно). Вариантов всего четыре (два в квадрате), но нас интересуют два из них:
Вход Тослинк1 задействован, когда на S0 - ноль, а на s1 - единица, вход Тослинк2 - когда на обоих единица.
С полупроводниками (кроме, разве что диодов) я не особо дружу, зато умею готовить релюшки. Поэтому соединяем две логики (мою и микросхемную:)) в виде вот такой схемки:
Вложение 372714
Реализуем схему в железе:
Вложение 372670
Крепим релюхи на крышке корпуса на богатырский двухсторонний скотч фирмы 3M (остальным пользуйтесь сами):
Вложение 372678
режем дороги и подпаиваем к плате:
Вложение 372680Вложение 372682Вложение 372684
(когда готовил релюхи на столе, сделал два отдельных выхода под массу: один под массу управляющую, для микросхем, другой - под массу питающую, для релюх. В итоге обе массы в проце оказались ничем не разделены, и два уже имеющихся проводка я просто спаял вместе)
маркируем управляющие концы выводы-провода
Вложение 372686
собираем корпус
Вложение 372688
не забываем про шпаргалку!
Вложение 372690
Включаем, проверяем, и.... облом! Цифра1/Цифра2 переключается "на ура". Аналог->Цифра переключается тоже влёт и без сбоев. А вот цифра->аналог можно переключить только один раз после включения проца. Во второй раз будет уже просто молчание. Тычки мультиметром в плату показали, что то, что гененрирует мастер-клок для i2s перестает его генерировать во время повторонго влкючения аналогового входа. При переключении на цифру мастер-клок возвращается.
Однако тут я оказался не силён, и попытался помучить дядюшку Ровера в личке (Максим, большое спасибо за терпение!). Сначала он настоял на том, чтобы я убрал из тракта переключалку цифровых входов, заменив её обычной релюхой, потом, когда это не помогло, предложил ублажить требования даташита на 8412 и после реле-селектора цифр впаять последовательно кондерчик. Появились три новых разреза на плате:
Вложение 372692
а также изменилась управляющая схемка:
Вложение 372696
8412 теперь получает spdif напрямую:
Вложение 372698
Однако и это не помогло. Может всё-таки я что-то упустил (хотя, вроде бы больше нечего), может быть просто это мой конкретный экземпляр себя так ведёт, но факт остаётся фактом.
Устав ковыряться в неизведанном, я обратил внимание на такую особенность: после перезагрузки процессора (простое отключение ремоута на миллисекунду, без сброса основного питания!) возможность один раз переключиться на аналоговый вход восстанавливается. Ну что же, настоящие герои всегда идут в обход (стопудова эту фразу придумал какой-то недоучка))))! Режем дорожку ремоут рядом с колодкой питания проца и собираем вот такую схемку на двух релюхах, кондерчике и резисторе.
Вложение 372700
Если соединить левый верхний конец(да что ж такое-то?) (который у кондера) с управляющим проводом, включающим аналоговый вход, а левый нижний - с массой, то при включении аналогового входа и при выключении его, релюха, впаянная в разрыв ремоута будет импульсно разрывать цепь ремоута, тем самым перезагружая проц.
Вот в таком виде всё встало на свои места: аналог переключается на цифру и обратно, цифру можно выбрать. В общем, как пишут в Журнале, открылись широчайшие возможности инсталляции)))
Будучи счастливым, я собрал всё своё барахлишко, увёз домой и в один прекрасный тёмный тёплый вечер, когда Тимур случайно уснул, не дождавшись звонка ответственного папаши (то есть меня) и не смог со мной встретиться, я попёрся в гараж всё это дело тестировать.
Проц сразу прикрутил на место
Вложение 372702
колодка питания у PXA-h600 и у PXE-h650 полностью идентична! Отличается только вид предохранителя (но не номинал): у старичка h600 - это стеклаянная колбочка в пластиковом корпусе, а у h650 - колодка под ножевой предохранитель. Естественно, я оставил имеющуюся колодку питания.
Оживляем кабельного ктулху-киборга:
Вложение 372704Вложение 372706
Проверяем управление по WiFi со смартфона в боевых условиях:
Вложение 372708
Ура! Работает! Почти... В общем, как я уже писал, мой ёжик на цифровой выход выдает шум, подпевающий средним частотам. Я уверен, что это из-за слишком длинного провода, идущего от микросхемы аудиокарты до тослинк-глаза. Однако, даже этот шум не помешал прочувствовать, насколько хорош старичок 600-й.
Всё подтвердилось вчера ночером, когда мы с Тимуром таки встретились и подключили к процу сначала его кларо-чейнджер с выпаянным из Cnet'а оптическим глазом, а потом и его комп через USB-SPDIF ковертер (являющийся частю винтажного USB-контроллера проигрывателя минидиском Sony). Там уже не было никакого шума, зато была музыка.
Естественно, за долгим и интересным разговором, толком прислушаться к музыке не удалось:) Но выводы я для себя сделал: ёжика - в переделку (если не поможет, придётся покупать что-то USB-шное с SPDIF выходом) и на ПМЖ в машину; проц - на ПМЖ в машину; встречаться - почаще!
Ну а 650й - снят и лежит пока как памятник моему безрассудству)))
Вложение 372710
Может быть, скоро выставлю на продажу. Может быть, поставлю ненадолго в машину жене, а потом, когда он мне снова не понравится - на продажу))) Однако, без него штатное ГУ с выпаянными линейками звучит, хоть и не так ровно и без такой сцены, но живее, добрее, динамичнее. Да... с таким настроением слона не продашь:)
-
Re: Volvo XC70: Начало
Сегодня доделал до предотделочного состояния корпуса для Тангов. Слушал. Был в шоке.
Комп ещё не поставил - надо ёмкость под него сделать откидную, а времени ещё не было для этого. Зато нашёл в штатном ГУ скрытое меню, в котором выключается грёбаная частотная коррекция. Оно стало играть заметно лучше, но всё равно не то.
Естественно, наделал фоточек. Со дня на день ждите!
-
Вложений: 51
Re: Volvo XC70: Начало
Ну что, коллеги, добрался я, наконец до разбора фоток.
К майским праздникам я начал готовиться заранее. Сначала закупил полиэфирку со стекломатом. Поскольку времени мотаться по городу по магазинам, да ещё и заезжать в дальние районы у меня особо нет, стараюсь всё заказывать через тырнет. Как оказалось, купить смолу и стекломат в Москве с доставкой на дом, не так уж просто. Я, например заказал это всё аж в Питере))) Не сочитите за рекламу, вдруг найдутся такие же как я, маломобильные.
Кроме того, пришёл блок питания DigitalCar NetPower. Я его ещё не тестил, только сделал удобный отдельный вывод для подключения к кнопкам и питанию ноутбука.
Пока докупал недостающее, немного размялся. Прошлой весной дочу в саду перевели в другую, более старшую группу, и сейчас выяснилось ч в ванной (ну то есть там, где умывальники стоят) для неё нет отделения в шкафчике и её полотенце висит где попало.
Не вопрос: в качестве отмазки от субботника запилил "продолжение" шкафчика.
Вложение 383784Вложение 383786
верхняя и нижняя полка крепятся к торцам стенки на конфирматы, под две промежуточные сделал пропилы до середины стенки, и на самих полка тоже пропилы, и они друг в друга вставляются в натяг. Блин, не знаю как такое соединение по-модному называется!
27 апреля к нам приехала тёща в гости, которая помогла меня немного разгрузить от домашних хлопот, и с 28 апреля я почти каждую ночь по несколько часов торчал в гараже.
План был такой:
1) Сделать корпуса для Шириков Tang Band
2) По максимуму подготовиться к установке компа в машину
3) Вонзить на постоянное место жительства новый проц
Причём со вторым пунктом я справлялся частично из офиса. Итак, пойдём по порядку.
Под ширики будем пытаться создать условия, максимально приближенные к фри эйру, ибо при их высокой добротности и огромном Vas только туда им и дорога. Полноценный фри эйр получится вряд ли, будет скорее ДЯ (дырявый ящик). К его изготовлению и приступим.
Обклеиваем обивку под уголками зеркал малярным скотчем и по форме уголков отмечаем контур максимально возможной дырки в обивке (когда надоедят ширики, или буду продавать машину, при установке уголков на место не должно остаться щели.
Вложение 383788
Вложение 383790
Снимаем уголок, бросаем в Большую_картонную_коробку_со_всякой_хренью на самое дно. Смотрим, что получилось:
Вложение 383792
нда... не густо, но хоть что-то.
режем, заодно высверливаем заклёпки и снимаем предыдущий вариант крепежа уголков
Вложение 383794
Заляпываем всё нужное малярным скотчем.
Вложение 383796
В отверстии под уголком вылепляем из малярного скотча "стаканчик": не нужно, чтобы смола затекла внутрь двери. Лишнее потом срежем
закрываем всё не нужное плёнкой. В магазине шаговой доступности нашёл вот такой рулончик
Вложение 383798
"Скатерть одноразовая 5шт."
Нужны только две: по одной на дверь и одну разрезал пополам, чтобы прикрыть края торпедо
Вложение 383800
Далее, в том же гамазине куплен вот такой силиконовый комплект
Вложение 383804
силиконовую ухватку сразу отложил в сторону, скребок - потом, после того, как убедился в его бесполезности.
Кисточка оказалась ооочень юзабельна. Если при мазюкании саба одной 7-рублёвой классической кисточки на два замеса не жалко, там хотя бы объемы понятны, то тут - жаба душит за каждые 5-10 минут вазюкания выбрасывать кисточку. А к силикону застывшая смола не приклеивается: когда она встаёт, сначала легонько помну "ворс", а потом просто снимаю смоляные колпачки. И кисточка становится как новая)))
Замазюкиваем основу уголков "по месту", оставляем двери машины открытыми, запираем гараж и идём домой
Вложение 383802Вложение 383806
видно, что в одном месте мат не прилёг к скотчу как надо, но это не страншое место. Главное, что по краям всё лежит как надо.
На следующий день, в офисе вскрываем ноут и проводим ревизию проводки S/PDIF, а также препарируем полученный БП и готовим ещё один RJ-45 для его подключения к компу. Вот примерно так всё должно разместиться где-то в машине:
Вложение 383808Вложение 383810
К вечеру задняя стена уголков "встала". Обрезаем ножницами по контуру и опиливаем наждачкой. Заодно делаем из длинной полоски бумаги "опалубку" на заранее выпиленных колечках.
Вложение 383812
Кольца под дины и так здоровые вышли, если динамики утапливать классическим способом (вырезать углубление фрезером, или налепить сверху ещё одно более тонкое кольцо), то диаметр колец нужно ещё увличивать, а это будет уже не айс.
После фигурного вырезания "стаканчиков" дремелем с отрезным диском получаем вот такие аккуратные отверстия и ушко, с помощью которого можно будет организовать дополнительно крепелние к кузову.
Вложение 383814Вложение 383816
Следующим вечером планировал начать выставлять кольца и тянуть колготки, но вот ведь незадача: забыл дома термоклей и палочки. Не беда: займёмся проводкой для проца (забыл сфоткать место установки панельки. Постараюсь исправить в ближайшее время:))
Вложение 383818Вложение 383820
Для отдыха спины присаживался и страдал хренью: приклеил на суперклей по периметру задних стенок будущих уголков капроновый шнур и пропитал его смолой. Типа заранее укрепил стык стенок уголков.
Вложение 383822
оказалось вполне юзабельно: стыки колготок с задней стенкой в итоге вышли прочными и округлыми.
Провёл дополнительный провод для переключения проца на аналоговый вход при включении штатного ГУ, подключил к выходу rem. Расстроился: гамнитола, зараза, выход ремоут включает при первом включении после включения зажигания и не выключает его при выключении. +12 вольт там пропадает только при выключении зажигания. Не беда! Тут же вскрыл штатную башку и как давай в неё мультиметром тыкать!!!
Выяснил, что на одном из контактов морды появляется -5 вольт при включении. Теперь надо доехать до магазина и купить какое-нибудь 5-вольтовое реле, и вонзить его в разрыв штатной цепи ремоут головы, чтобы она начала работать как надо, а не как придётся. Фотки препарации - будут!
На следующий день не забываем палочки (китайскии, из Азии-кафе если что)))) и термоклей с пистолетом и выставляем кольца. Направлял динамики между подголовников, ибо это наиболее оптимальное с точки зрения снижения переотражений от стекол направление.
Вложение 383824Вложение 383826
виновники торжества
Вложение 383828
Натягиваем дырявые капроновые носочки жены и мазюкаем смолой со всей дури:
Вложение 383830
не забываем побольше смолы лить на места стыков с задней стенкой корпуса.
Кстати, бумажные опалубки я тоже со всех сторон промазал тонким слоем полиэфирки, для прочности.
Кстати, о крепеже. Долго опрашивал магнитольцев на предмет наличия под рукой заклепочника для резьбовых заклёпок. По близости - не нашёл. А пилить на 3 часа в другой конец Москвы ради двух дырок - не решился. Я лучше, когда закончу - отдельно в гости к Сереге съезжу, наконец. Чтобы было что послушать.
Сначала вроде расстроился, но потом меня осенило: епта! этож уголок зеркала!!! Снимаем зеркало, сверлим аккуратную дырочку насквозь, вставляем в неё снаружи болт, а изнутри затягиваем его намертво гаечкой. Вуаля! Шпилька готова! Делаем отверстие в основе уголка размером чуть больше гайки, вырзаем из старого компьютерного корпуса крестообразную шайбу (Как делается бублик? берёшь дырку и обмазываешь её тестом. Так и я: просверлил отверстие в листе металла, а потом вокруг него выпили крестик), аккуратно выгибаем её по форме детали, прихватываем её на детали суперклеем, а потом обилно замазюкиваем смолой и сверху закрепляем стекломатом. Вуаля! крепеж закончен и виден на фото.
После "вставания" и обрезания (пля, как эротично это, оказывается - подиумы под широкополосники лепить) получилось вот что:
Вложение 383832Вложение 383834Вложение 383836Вложение 383838
Немножко не дотянул ткань, конечно, но так тоже ничего!
А раз форма - ОК, то можно и стекломатом залепить.
Вложение 383840Вложение 383842
возле стыков с основой уголка получился один слой мата (там из-за шнура и так прочность хороша), колечко облеплено полутора слоями мата (один слой был краем оборванного куска мата), а большие плоские поверхности облепил двумя слоями. Получилось достаточно прочно и глухо. При дальнейшей шлифовке пару раз ронял - совсем без последствий.
После "вставания", "обрезания" (опять о P.P.SKA-х! Да что ж такое?) и опиливания примеряем снова по месту
Вложение 383844Вложение 383846Вложение 383848
Кажется, неплохо выходит.
прилегание к обивке - почти идеальное
Вложение 383856Вложение 383858
А раз так, то можно шпаклевать и шлифовать. Посадочное место и "унутырь" дунул синей краской (другой темной не было, а оставлять разноцветный МДФ не хотелось).
Отделывать буду винилом, но его ещё надо купить, а послушать уже хочется. Поэтому, после первого вышкуривания просто покрыл грунтом. Когда куплю винил, перед отделкой ещё раз прошпаклюю все мелочи, чтобы было совсем красиво
Вложение 383860Вложение 383862Вложение 383864
На двери получилось вот так:
Вложение 383866Вложение 383868
К динамику подпаял хвостик с клеммами-лопаточками:
Вложение 383870
Порядок установки всей красоты на место выглядит так:
1) берем подиум, пропускаем через отверстия в нём насквозь провод (динамик не прикручиваем!), соединяем с проводкой, что торчит из двери
Вложение 383872
2) вытяиваем проводку в корпус, динамик свешиваем на проводе, прикручиваем корпус к двери
Вложение 383874
3) Прикручиваем динамик на место
Вложение 383876
Ну и много-много фоток того, что получилось:
Вложение 383878Вложение 383880Вложение 383882Вложение 383884Вложение 383886Вложение 383890Вложение 383894
Мне нравится!
По корпусам для шириков осталось:
1) обтянуть винилом
2) Сделать сетки. Хочу попробовать выдавить сам, чтобы сажались просто внатяг на винил. 5 миллиметров высоты бортика должно хватить
По компу:
1) выбрать место для установки и сколотить корпус
По процу:
1) Допилить выход ремоут штатной головы!
Stay tuned, ждите обновлений!
-
Re: Volvo XC70: Начало
Вот что значит руки из правильного места растут и голова на месте
подписался
-
Re: Volvo XC70: Начало
Цитата:
Сообщение от
nicotin
голова на месте
Ну... эта... какбе... Была бы действительно на месте - половины лишних действий бы даже не совершал, а тема была бы в два раза короче)))
-
Re: Volvo XC70: Начало
Аркадий!
Просто О-Б-А-Л-Д-Е-Н-Н-О!
И шкафчик и подики для шириков!
Я тоже зрею пищики в уголки устанавливать....а тут такое шикарное руководство- информация!
Очень,очень жалко родные уголки резать,а пищик хочется наружу выставитьЖ)
Пожалуй не смогу повторить я так....так хоть не жалко выбросить чего натворю)))
Вот уж, действительно--золотые руки!:good:
-
Re: Volvo XC70: Начало
Ксюш, так у меня запасные уголки в гараже лежат)))
---------- Сообщение добавлено 07.05.2013 в 20:04 ----------
Сможешь! Это не сложно!
-
Re: Volvo XC70: Начало
Пытался перепостить предыдущее сообщение, чтобы "починить" фотки. Ничего не вышло.ю зато получился "дубль"